lemon-mirror:
Home >> Acura >> 1987 >> Integra LS, 2D Hatchback, Automatic >> Repair and Diagnosis >> Engine Performance >> System >> Electronic Engine Control System >> Wiring Diagrams

Wiring Diagrams

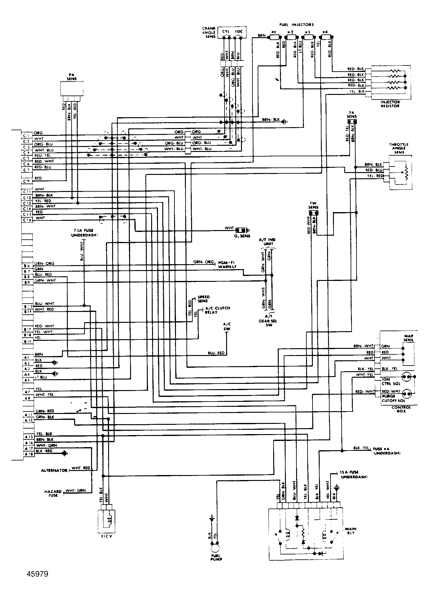
Fig 1: Integra Wiring Diagram
G45979