lemon-mirror:
Home >> Acura >> 1988 >> Integra SE, Automatic >> Repair and Diagnosis >> Engine Performance >> System >> Electronic Control System >> Wiring Diagram

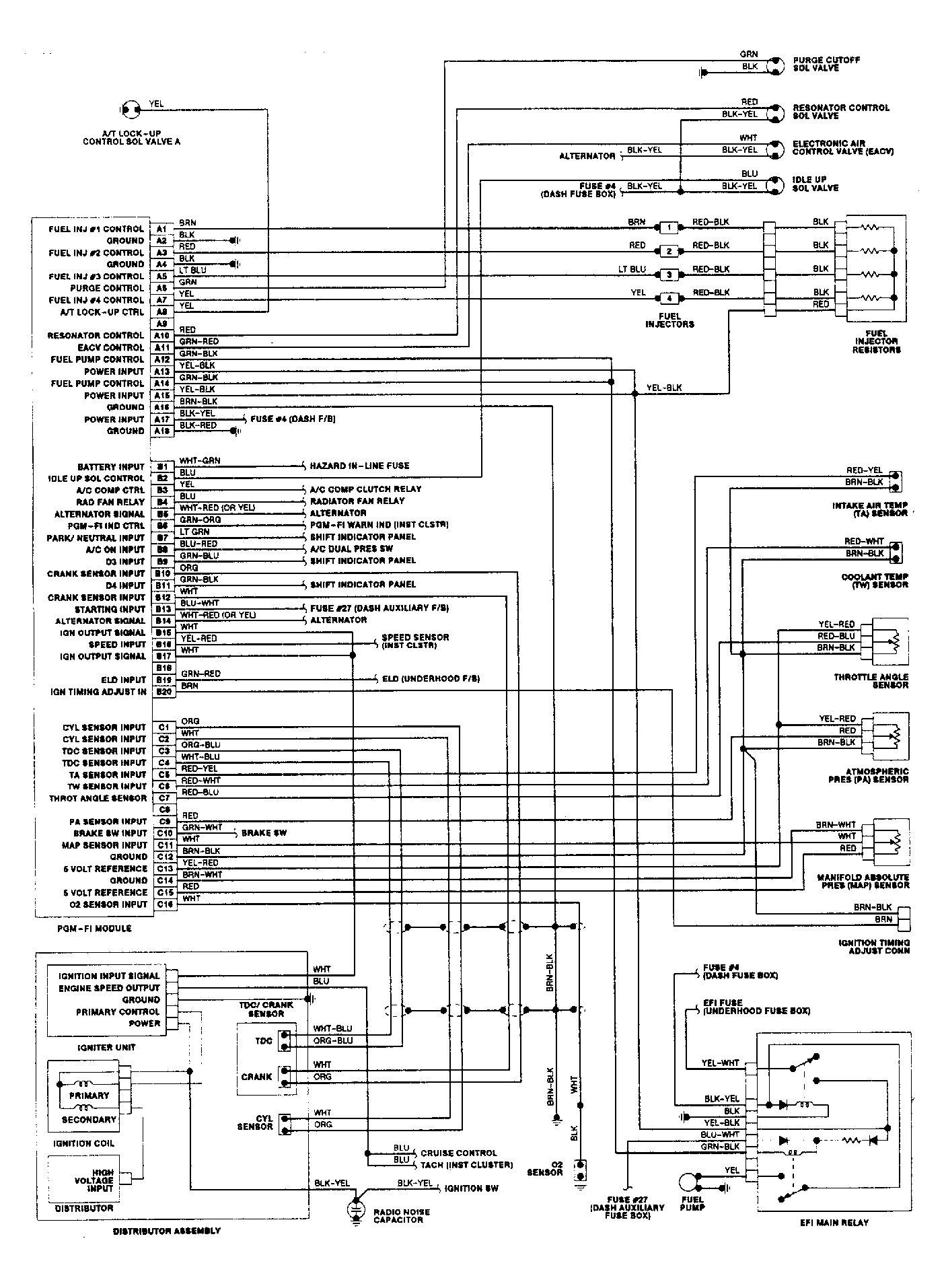
Electronic Control System: Wiring Diagram

Fig 1: Integra Wiring Diagram
G94322Courtesy of AMERICAN HONDA MOTOR CO., INC.