lemon-mirror:
Home >> Acura >> 1992 >> Integra GS-R >> Repair and Diagnosis >> Engine Mechanical >> Engine Cooling Fans >> Wiring Diagrams

Wiring Diagrams

Fig 1: Cooling Fan Wiring Diagram (Integra)
G91D01874Courtesy of AMERICAN HONDA MOTOR CO., INC.
Fig 2: Cooling Fan Wiring Diagram (Legend)
G92G00501Courtesy of AMERICAN HONDA MOTOR CO., INC.
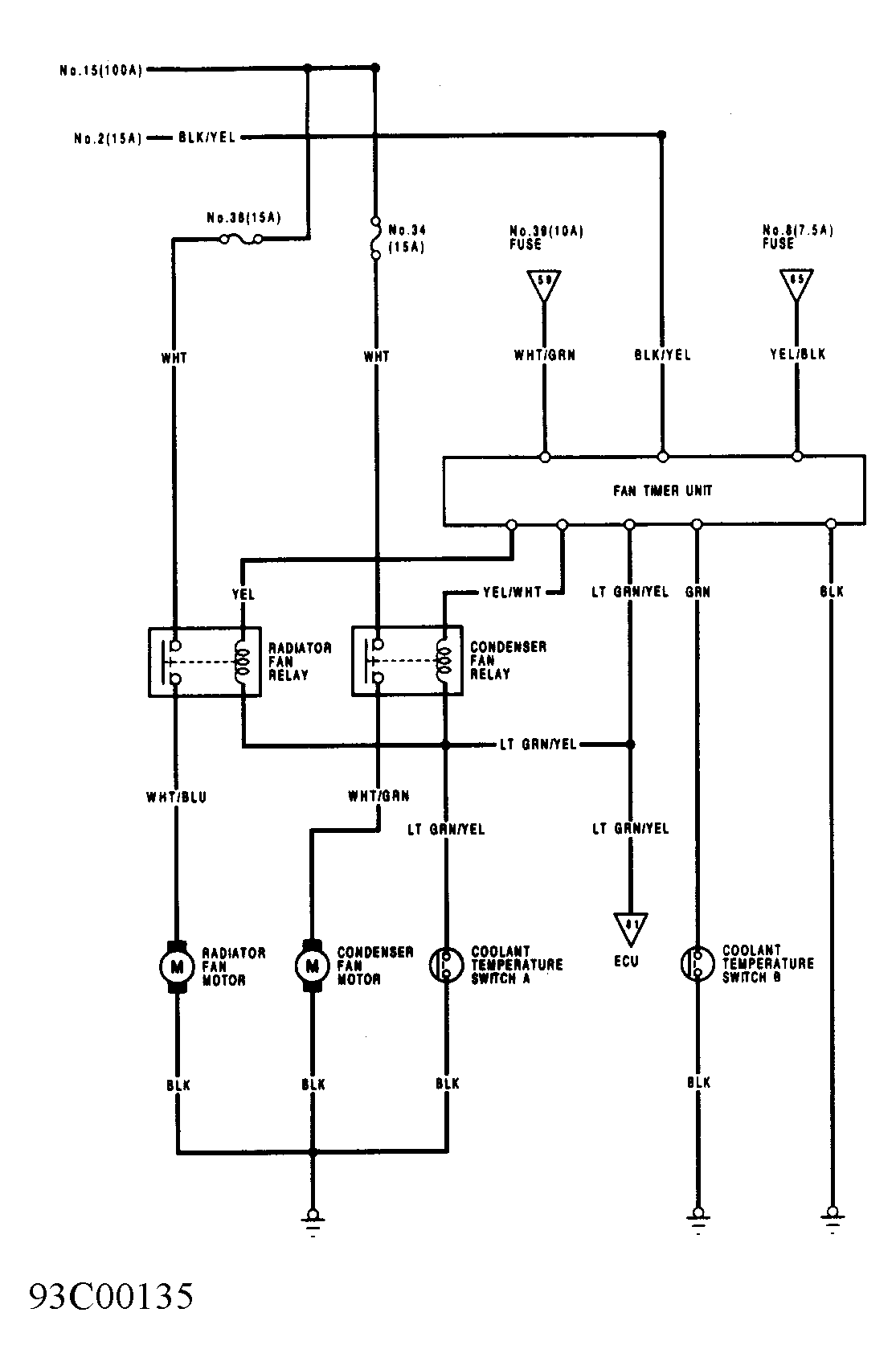
Fig 3: Cooling Fan Wiring Diagram (Vigor)
G93C00135Courtesy of AMERICAN HONDA MOTOR CO., INC.