lemon-mirror:
Home >> Acura >> 2000 >> 3.2TL >> Repair and Diagnosis >> Body & Frame >> Mirrors >> Driver Position Memory System >> Driving Position Memory System (DPMS) >> General Troubleshooting Infomation >> System Problem Pattern:

System Problem Pattern:

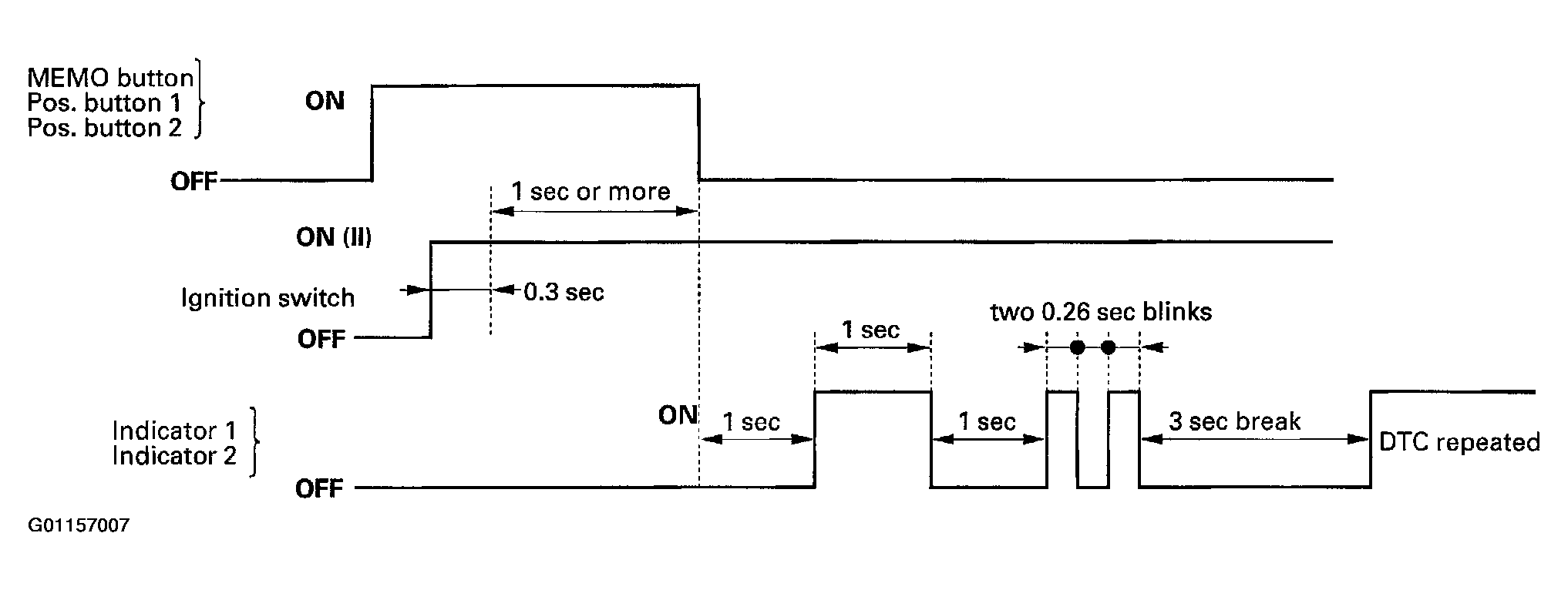
If a system problem has occurred, the DTC is stored, the indicators flash the DTC. The first digit is indicated by the number of long (1 second) blinks, and the second digit is indicated by the number of short (0.26 second) blinks. There is a 3 second break between each DTC when there are multiple DTCs.

Fig 1: Identifying System Problem Pattern
G01157007Courtesy of AMERICAN HONDA MOTOR CO., INC.