lemon-mirror:
Home >> Acura >> 2002 >> 1.7EL Automatic >> Repair and Diagnosis >> Engine Performance >> System >> Fuel & Emissions Systems >> System Descriptions >> ECM/PCM Electrical Connections

ECM/PCM Electrical Connections

Fig 1: ECM/PCM Electrical Connections Wiring Diagram (1 Of 5)
G01954657
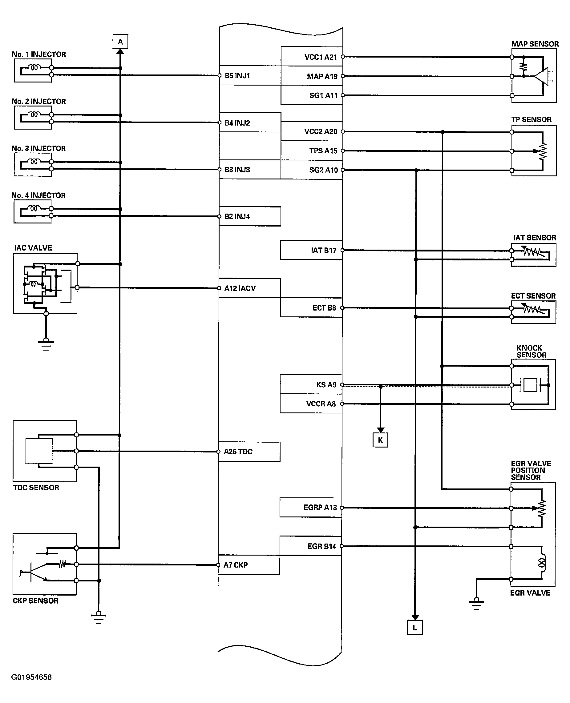
Fig 2: ECM/PCM Electrical Connections Wiring Diagram (2 Of 5)
G01954658
Fig 3: ECM/PCM Electrical Connections Wiring Diagram (3 Of 5)
G01954659
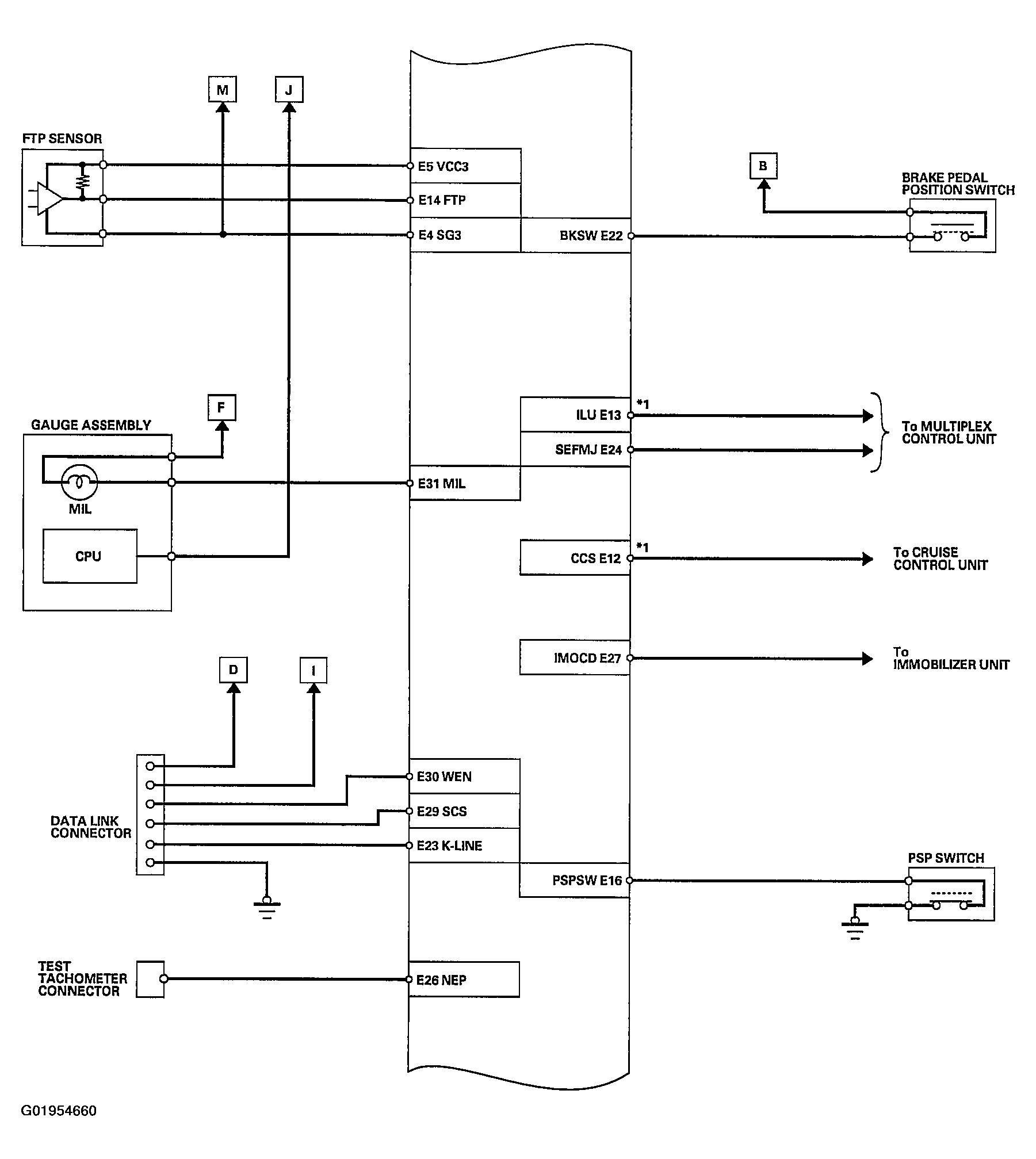
Fig 4: ECM/PCM Electrical Connections Wiring Diagram (4 Of 5)
G01954660
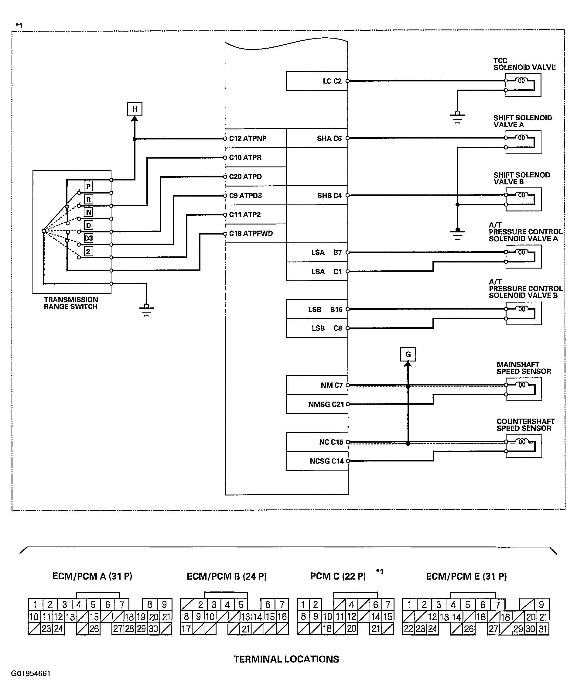
Fig 5: ECM/PCM Electrical Connections Wiring Diagram (5 Of 5)
G01954661