lemon-mirror:
Home >> Acura >> 2003 >> MDX Base >> Repair and Diagnosis >> Engine Mechanical >> Mechanical >> Engine Block >> Component Location Index

Component Location Index

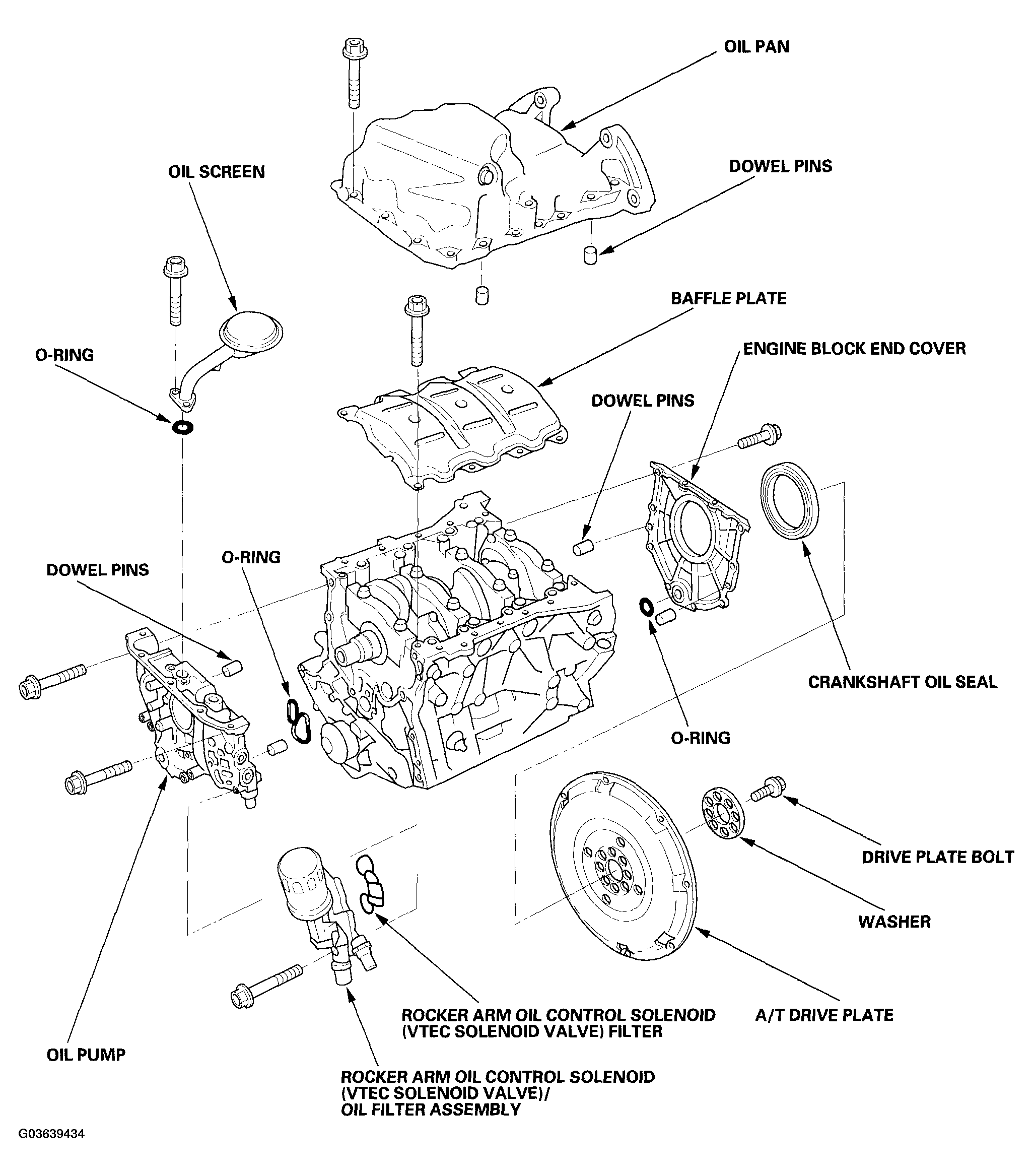
Fig 1: Identifying Engine Block Components Location (1 Of 3)
G03639434Courtesy of AMERICAN HONDA MOTOR CO., INC.
Fig 2: Identifying Engine Block Components Location (2 Of 3)
G03639435Courtesy of AMERICAN HONDA MOTOR CO., INC.
Fig 3: Identifying Engine Block Components Location (3 Of 3)
G03639436Courtesy of AMERICAN HONDA MOTOR CO., INC.