lemon-mirror:
Home >> Acura >> 2004 >> TSX Automatic >> Repair and Diagnosis >> Transmission >> Automatic Trans >> Automatic Transmission >> ATF Temperature Sensor Test/Replacement

ATF Temperature Sensor Test/Replacement

  1. Make sure you have the anti-theft codes for the audio system and the navigation system (if equipped), then write down the audio presets.
  2. Remove the splash shield.
  3. Remove the drain plug (A), and drain the automatic transmission fluid (ATF). Then reinstall the drain plug with a new sealing washer (B).
    Fig 1: Drain Plug And Sealing Washer W/Torque Specification
    G05491359Courtesy of AMERICAN HONDA MOTOR CO., INC.
  4. Disconnect the battery negative cable, then disconnect the battery positive cable.
  5. Remove the battery hold-down bracket, then remove the battery cover, the battery, and the battery tray.
  6. Remove the intake air duct and the air cleaner assembly.
  7. Loosen the two bolts securing the battery base from under the vehicle, and remove the two bolts securing the battery base in the engine compartment, then remove the battery base.
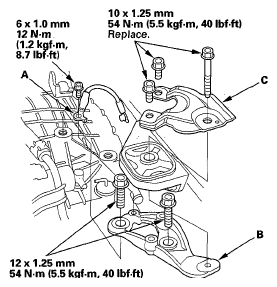
  8. Remove the ground cable (A), the transmission upper mount bracket (B), and the bracket plate (C).
    Fig 2: Ground Cable, Transmission Upper Mount Bracket And Bracket Plate W/Torque Specifications
    G05491360Courtesy of AMERICAN HONDA MOTOR CO., INC.
  9. Place the transmission jack under the transmission, and remove the transmission lower mount nuts.
    Fig 3: Transmission Lower Mount Nuts W/Torque Specification
    G05491361Courtesy of AMERICAN HONDA MOTOR CO., INC.
  10. Lift the transmission up to create clearance between the transmission and the front subframe with the jack.
  11. Remove the ATF dipstick, and remove the bolts securing the ATF cooler inlet line brackets (A) and the ATF dipstick guide pipe (B) from the transmission hanger (C).
    Fig 4: ATF Cooler Inlet Line Brackets, ATF Dipstick Guide Pipe And Transmission Hanger W/Torque Specifications
    G05491362Courtesy of AMERICAN HONDA MOTOR CO., INC.
  12. Remove the harness clamp (D), then remove the ATF dipstick guide pipe.
  13. Disconnect the shift solenoid harness connector.
  14. Remove the shift solenoid valve cover (A), the dowel pins (B), and the gasket (C).
    Fig 5: Shift Solenoid Valve Cover, Dowel Pins And Gasket W/Torque Specification
    G05491363Courtesy of AMERICAN HONDA MOTOR CO., INC.
  15. Remove the shift solenoid harness connector.
    Fig 6: Shift Solenoid Harness Connector W/Torque Specification
    G05491364Courtesy of AMERICAN HONDA MOTOR CO., INC.
  16. Measure the ATF temperature sensor resistance between shift solenoid harness connector terminals No. 6 and No. 7.

    Standard: 50 Ω-25 kΩ 

  17. If the resistance is out of standard, replace the ATF temperature sensor and the solenoid harness; go to step 18. The ATF temperature sensor is not available separately from the solenoid harness. If the measurement is within the standard, install the removed parts; go to step  21.
  18. Disconnect the connectors from the shift solenoid valves.
  19. Connect the shift solenoid valve D connector with the ATF temperature sensor (F) on the shift solenoid harness.
    Fig 7: Shift Solenoid Valves Connectors And ATF Temperature W/Torque Specification
    G05491365Courtesy of AMERICAN HONDA MOTOR CO., INC.
  20. Connect the solenoid valve A connector (BLU wire), solenoid valve B connector (ORN wire), solenoid valve C connector (GRN wire), and solenoid valve E connector (RED wire).
  21. Install a new O-ring (G) on the shift solenoid harness connector (H), and install the connector in the transmission housing.
  22. Install a new gasket, the dowel pins, and the shift solenoid valve cover.
  23. Install a new O-ring on the ATF dipstick guide pipe, and install the ATF dipstick guide pipe, then install the harness clamp on the ATF dipstick guide pipe.
  24. Secure the ATF cooler line brackets on the transmission hanger with the bolts.
  25. Check the connector for rust, dirt, or oil, and clean if necessary, then connect the connector securely.
  26. Install the transmission lower mount nuts.
  27. Install the transmission upper mount bracket, bracket plate, and the ground cable, then remove the transmission jack.
  28. Refill the transmission with ATF (see step 4 on ATF REPLACEMENT  ).
  29. Install the battery base, then install the air cleaner assembly and the intake air duct.
  30. Install the battery tray, the battery, and the battery cover, then secure the battery with its hold-down bracket.
  31. Clean the battery posts and cable terminals, then assemble them.
  32. Install the splash shield.
  33. Enter the anti-theft codes for the audio system and the navigation system (if equipped), then enter the audio presets, and set the clock.