lemon-mirror:
Home >> Acura >> 2006 >> TL Automatic >> Repair and Diagnosis >> Engine Performance >> System >> Advanced Diagnostics >> DTC P2552: Throttle Actuator Control Module Relay Malfunction >> Notes

DTC P2552: Throttle Actuator Control Module Relay Malfunction: Notes

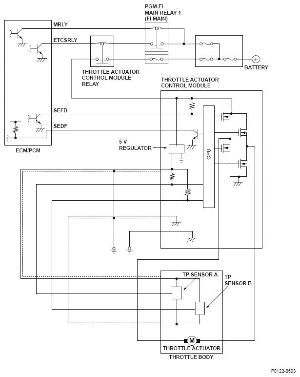
Fig 1: Throttle Position Sensor A Circuit Diagram
G04816953