lemon-mirror:
Home >> Acura >> 2007 >> CSX Type-S >> Repair and Diagnosis >> Engine Mechanical >> Mechanical >> Engine Block >> Component Location Index

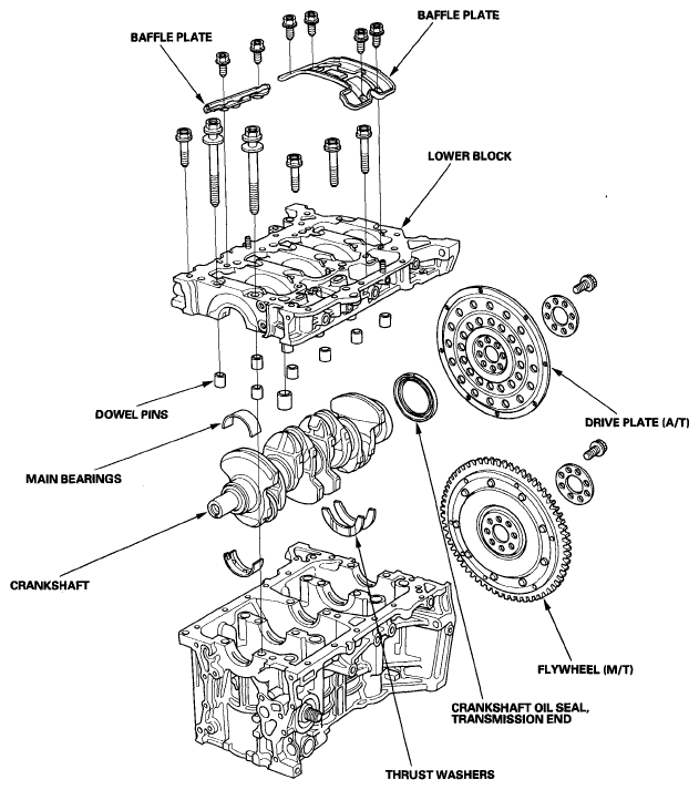
Component Location Index

Fig 1: Identifying Engine Block Component Location (1 Of 2)
G06264333Courtesy of AMERICAN HONDA MOTOR CO., INC.
Fig 2: Identifying Engine Block Component Location (2 Of 2)
G06264334Courtesy of AMERICAN HONDA MOTOR CO., INC.