lemon-mirror:
Home >> Acura >> 2007 >> MDX >> Repair and Diagnosis >> Engine Performance >> System >> Fuel And Emissions Systems >> System Description >> Electronic Control System >> PCM Electrical Connections

PCM Electrical Connections

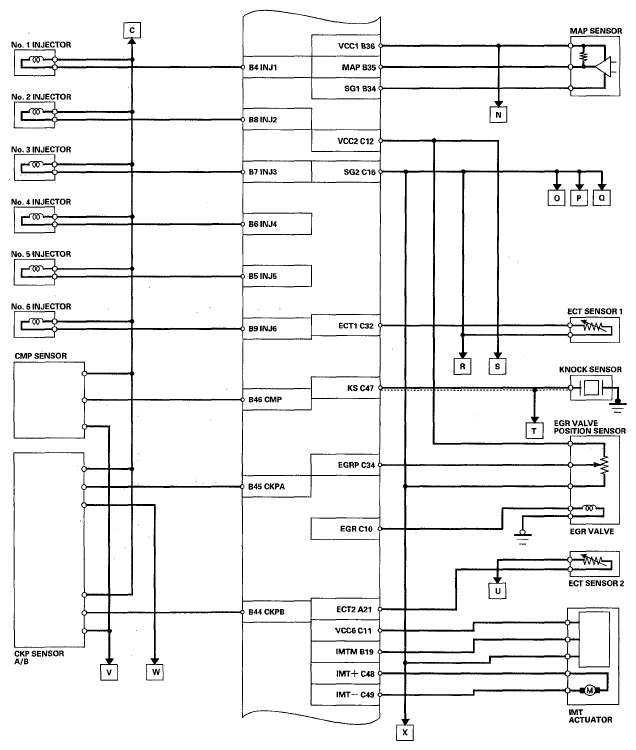
Fig 1: PCM Electrical Connections - Wiring Diagram (1 Of 6)
G05484904Courtesy of AMERICAN HONDA MOTOR CO., INC.
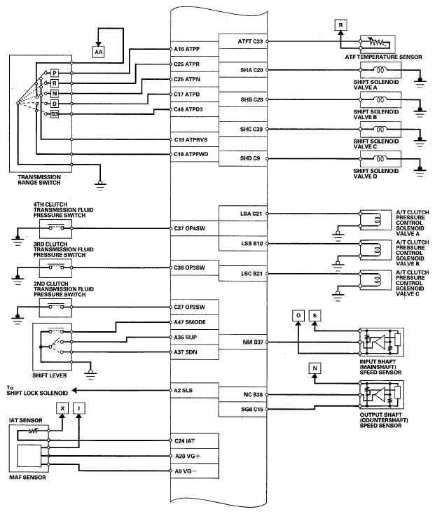
Fig 2: PCM Electrical Connections - Wiring Diagram (2 Of 6)
G05484905Courtesy of AMERICAN HONDA MOTOR CO., INC.
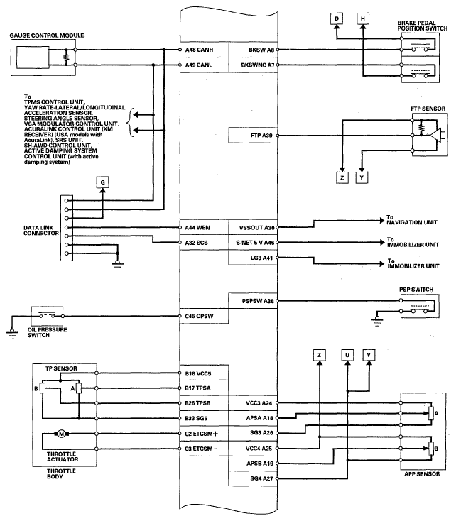
Fig 3: PCM Electrical Connections - Wiring Diagram (3 Of 6)
G05484906Courtesy of AMERICAN HONDA MOTOR CO., INC.
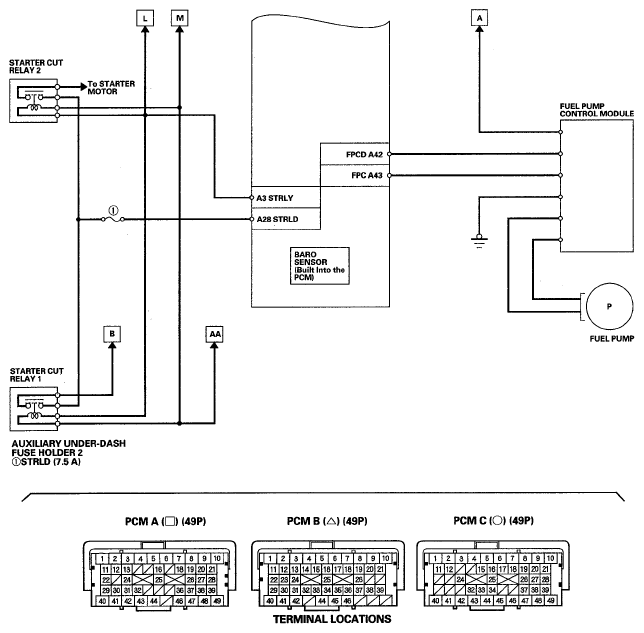
Fig 4: PCM Electrical Connections - Wiring Diagram (4 Of 6)
G05484907Courtesy of AMERICAN HONDA MOTOR CO., INC.
Fig 5: PCM Electrical Connections - Wiring Diagram (5 Of 6)
G05484908Courtesy of AMERICAN HONDA MOTOR CO., INC.
Fig 6: PCM Electrical Connections - Wiring Diagram (6 Of 6)
G05484909Courtesy of AMERICAN HONDA MOTOR CO., INC.