lemon-mirror:
Home >> Acura >> 2007 >> MDX >> Repair and Diagnosis >> Transmission >> Automatic Trans >> Automatic Transmission >> Transmission Installation

Transmission Installation

Special Tools Required 

NOTE: Use fender covers to avoid damaging painted surfaces.
  1. Clean the ATF cooler (see ATF COOLER CLEANING  ).
  2. Install the new drive plate (A) and washer (B) on the engine crankshaft, and tighten the eight bolts in a crisscross pattern in two or more steps.
    Fig 1: Drive Plate And Washer With Torque Specification
    G05485716Courtesy of AMERICAN HONDA MOTOR CO., INC.
  3. Install the torque converter (A) on the mainshaft (B) with the new O-ring (C).
    Fig 2: Identifying Dowel Pin, Torque Converter And Mainshaft
    G05485717Courtesy of AMERICAN HONDA MOTOR CO., INC.
  4. Install the 14 mm dowel pin (D) and 10 mm dowel pin (E) in the torque converter housing.
  5. Place the transmission on the jack, and raise it to engine level.
  6. Attach the transmission to the engine, and install the lower transmission housing mounting bolts.
    Fig 3: Lower Transmission Housing Mounting Bolts With Torque Specification
    G05485718Courtesy of AMERICAN HONDA MOTOR CO., INC.
  7. Install the rear transmission housing mounting bolts.
    Fig 4: Rear Transmission Housing Mounting Bolts With Torque Specification
    G05485719Courtesy of AMERICAN HONDA MOTOR CO., INC.
  8. Install the upper transmission housing mounting bolts.
    Fig 5: Upper Transmission Housing Mounting Bolts With Torque Specification
    G05485720Courtesy of AMERICAN HONDA MOTOR CO., INC.
  9. Install the transmission housing mounting bolt (A).
    Fig 6: Transmission Housing Mounting Bolt And Harness Clamp Bracket With Torque Specifications
    G05485721Courtesy of AMERICAN HONDA MOTOR CO., INC.
  10. Install the front mount bracket (B) with the new mounting bolts.
  11. Secure the harness clamp bracket (C) with the bolt.
  12. Install the new set ring (A) on the intermediate shaft (B).
    Fig 7: Set Ring, Intermediate Shaft, Exhaust Manifold Bracket And Heat Shield With Torque Specifications
    G05485722Courtesy of AMERICAN HONDA MOTOR CO., INC.
  13. Clean the areas where the intermediate shaft contacts the transmission (differential) with solvent, and dry with compressed air. Apply ATF to intermediate shaft splines (C), then install the intermediate shaft, be sure not to allow dust or other foreign particles to enter the transmission.
  14. Install the exhaust manifold bracket (D) and heat shield (E).
  15. Install the new set ring (A) on the left driveshaft (B).
    Fig 8: Identifying Set Ring And Left Driveshaft
    G05485723Courtesy of AMERICAN HONDA MOTOR CO., INC.
  16. Clean the areas where the left driveshaft contacts the transmission (differential) with solvent, and dry with compressed air. Then install the left driveshaft, be sure not to allow dust or other foreign particles to enter the transmission. Turn the steering knuckle fully outward, and slide the driveshaft into the differential until you feel its set ring fully engage the side gear.
  17. Apply the recommended grease to the right driveshaft inboard-joint splines.
  18. Slide the right driveshaft over the intermediate shaft splines until you feel the driveshaft fully engage the intermediate shaft set ring.
  19. Install the transmission lower mount (A).
    Fig 9: Transmission Lower Mount And Transmission Ground Cable With Torque Specifications
    G05485724Courtesy of AMERICAN HONDA MOTOR CO., INC.
  20. Install the transmission ground cable (B).
  21. Support the front subframe (A) with the front subframe adapter (EQS02BMDXB0) and a jack, and lift it up to the body.
    Fig 10: Identifying Front Subframe With Front Subframe Adapter And Jack
    G05485725Courtesy of AMERICAN HONDA MOTOR CO., INC.
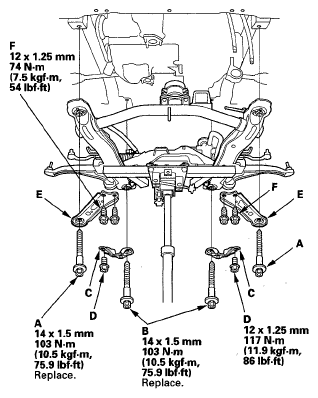
  22. Loosely install the new subframe mounting bolts: front (A), rear (B), rear stiffeners (C) and mounting bolts (D), and front stiffeners (E) and mounting bolts (F).
    Fig 11: Subframe Mounting Bolts And Stiffeners With Torque Specifications
    G05485726Courtesy of AMERICAN HONDA MOTOR CO., INC.
  23. Align all reference marks (A) on the front subframe (B) with the body (C), then tighten the bolts on the front subframe to the specified torque.
    Fig 12: Identifying Reference Marks On Front Subframe With Body
    G05485727Courtesy of AMERICAN HONDA MOTOR CO., INC.
  24. Loosely tighten the left rear subframe mounting bolt in the same manner in step  23.
  25. Loosely tighten the right and left front subframe mounting bolts.
  26. Loosen the right rear mounting bolt, then tighten the bolt to the specified torque.
  27. Tighten the left rear mounting bolt to the specified torque.
  28. Tighten the right and left front mounting bolts to the specified torque.
  29. Check that the positioning holes and slot are aligned using the frame positioning guide pin.
  30. Tighten the rear and front stiffener mounting bolts to the specified torque.
  31. Remove the jack and front subframe adapter.
  32. Install the two mount bracket bolts (A) on the rear of the bracket, and install the new bolts (B) on the front.
    Fig 13: Mount Bracket Bolts With Torque Specifications
    G05485728Courtesy of AMERICAN HONDA MOTOR CO., INC.
  33. Install the new transmission lower mount bolt.
    Fig 14: Transmission Lower Mount Bolt With Torque Specification
    G05485729Courtesy of AMERICAN HONDA MOTOR CO., INC.
  34. Attach the torque converter to the drive plate (A) with eight bolts (B). Rotate the crankshaft pulley as necessary to tighten the bolt to 1/2 of the specified torque, then to the final torque, in a crisscross pattern. After tightening the last bolt, check that the crankshaft rotates freely.
    Fig 15: Torque Converter Bolts With Torque Specifications
    G05485730Courtesy of AMERICAN HONDA MOTOR CO., INC.
  35. Install the torque converter cover (C).
  36. Connect the power steering fluid hose (A) to the line (B), and secure the hose with its hose clamp (C).
    Fig 16: Identifying Power Steering Fluid Hose And Hose Clamp
    G05485731Courtesy of AMERICAN HONDA MOTOR CO., INC.
  37. Turn the power steering fluid line clamp bracket (A) to seat on the rear mount bracket (B), and secure the bracket on the rear mount bracket.
    Fig 17: Power Steering Fluid Line Clamp Bracket With Torque Specification
    G05485732Courtesy of AMERICAN HONDA MOTOR CO., INC.
  38. Connect the power steering pressure switch connector.
    Fig 18: Identifying Power Steering Pressure Switch Connector
    G05485733Courtesy of AMERICAN HONDA MOTOR CO., INC.
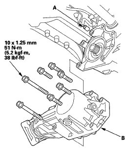
  39. Install the dowel pin (A) in the transmission, and install the transfer assembly (B) on the transmission.
    Fig 19: Dowel Pin And Transfer Assembly With Torque Specification
    G05485734Courtesy of AMERICAN HONDA MOTOR CO., INC.
  40. Secure the transfer breather hose bracket (A) on the transfer assembly with the bolt, and install the breather hose (B) over the breather pipe (C) with the dot (D) facing out.
    Fig 20: Transfer Breather Hose Bracket, Breather Hose And Breather Pipe With Torque Specification
    G05485735Courtesy of AMERICAN HONDA MOTOR CO., INC.
  41. Install the propeller shaft (A) to the transfer companion flange (B) by aligning the reference mark (C).
    Fig 21: Reference Mark On Propeller Shaft And Transfer Companion Flange With Torque Specification
    G05485736Courtesy of AMERICAN HONDA MOTOR CO., INC.
  42. Install the ball joints on each lower arm (A) to each knuckle (B) with new castle nuts (C), and secure the castle nuts with the lock pins (D).
    Fig 22: Tie-Rod End Ball Joints, Stabilizer Link, Knuckle, Castle Nuts And Lock Pins With Torque Specifications
    G05485737Courtesy of AMERICAN HONDA MOTOR CO., INC.
  43. Install the nuts (E) to the ball joint pins (F) on each stabilizer link (G). Insert a 6 mm Allen wrench (H) in the top of the ball joint pins, and tighten the nuts to the specified torque.
  44. Install the tie-rod end ball joints (I) to each knuckle with the nuts (J) and new cotter pins (K).
  45. Connect the headlight adjuster leveling sensor connector (A) on both lower arms, and install the harness clamps (B) on the front subframe for model equipped with the headlight adjuster leveling system.
    Fig 23: Identifying Headlight Adjuster Leveling Sensor Connector And Harness Clamps
    G05485738Courtesy of AMERICAN HONDA MOTOR CO., INC.
  46. Install exhaust pipe A with the new self-locking nuts, its mount (B), and new gaskets (C) (D).
    Fig 24: Exhaust Pipe And Gaskets With Torque Specifications
    G05485739Courtesy of AMERICAN HONDA MOTOR CO., INC.
  47. Install the front subframe stiffener with the new mounting bolts.
    Fig 25: Front Subframe Stiffener Mounting Bolts With Torque Specification
    G05485740Courtesy of AMERICAN HONDA MOTOR CO., INC.
  48. Install the new front mount bolt, and install the front mount stop (A) with new nuts and vacuum hose clamp (B).
    Fig 26: Front Mount Stop And Vacuum Hose Clamp With Torque Specifications
    G05485741Courtesy of AMERICAN HONDA MOTOR CO., INC.
  49. Remove the engine support hanger, engine support hanger stands, and engine balancer bar.
  50. Install the connector bracket on the engine front cylinder head.
    Fig 27: Connector Bracket On Engine Front Cylinder Head With Torque Specification
    G05485742Courtesy of AMERICAN HONDA MOTOR CO., INC.
  51. Install the transfer breather bracket on the engine rear cylinder head, and connect the breather hose over the breather pipe.
    Fig 28: Transfer Breather Bracket With Torque Specification
    G05485743Courtesy of AMERICAN HONDA MOTOR CO., INC.
  52. Securing the engine mount control solenoid valve mounting bracket (A) with the bolt.
    Fig 29: Engine Mount Control Solenoid Valve Mounting Bracket With Torque Specification
    G05485744Courtesy of AMERICAN HONDA MOTOR CO., INC.
  53. Connect the 2nd clutch transmission fluid pressure switch connector (A), and secure the vacuum line (B) with the bolt.
    Fig 30: 2nd Clutch Transmission Fluid Pressure Switch Connector And Vacuum Line With Torque Specification
    G05485745Courtesy of AMERICAN HONDA MOTOR CO., INC.
  54. Connect the input shaft (mainshaft) speed sensor connector (A), output shaft (countershaft) speed sensor connector (B), ATF temperature sensor connector (C), and 3rd clutch transmission fluid pressure switch connector (D). Do not allow water, fluid, oil, dust, or other foreign particles to enter any of the connectors.
    Fig 31: Identifying Input Shaft (Mainshaft) Speed Sensor Connector And ATF Temperature Sensor Connector
    G05485746Courtesy of AMERICAN HONDA MOTOR CO., INC.
  55. Connect the ATF cooler hoses (A) to the ATF cooler lines (B), and secure the hoses with the clips (C) (see ATF COOLER HOSE REPLACEMENT  ).
    Fig 32: Identifying ATF Cooler Hoses, ATF Cooler Lines And Hose Clips
    G05485747Courtesy of AMERICAN HONDA MOTOR CO., INC.
  56. Connect the transmission range switch connector (A), and install the harness clamp (B) on the clamp bracket (C).
    Fig 33: Identifying Transmission Range Switch Connector And Harness Clamp
    G05485748Courtesy of AMERICAN HONDA MOTOR CO., INC.
  57. Secure the harness cover (A) with the bolts.
    Fig 34: Harness Cover Bolts With Torque Specification
    G05485749Courtesy of AMERICAN HONDA MOTOR CO., INC.
  58. Connect the A/T clutch pressure control solenoid valve C connector.
  59. Secure the harness cover (A) with the bolt.
    Fig 35: Harness Cover Bolt And A/T Clutch Pressure Control Solenoid Valves Connectors With Torque Specification
    G05485750Courtesy of AMERICAN HONDA MOTOR CO., INC.
  60. Connect A/T clutch pressure control solenoid valve A connector (B), A/T clutch pressure control solenoid valve B connector (C), and 4th clutch transmission pressure switch connector (D).
  61. Apply molybdenum grease to the hole in the bushing (A) in the shift cable end (B). Attach the shift cable end to the control lever (C), then insert the control pin (D) into the control lever hole through the shift cable end, and secure the control pin with the spring clip/washer (E).
    Fig 36: Control Pin, Bushing, Control Lever, Spring Clip/Washer And Shift Cable Bracket With Torque Specification
    G05485751Courtesy of AMERICAN HONDA MOTOR CO., INC.
  62. Secure the shift cable bracket (F) with the nuts.
  63. Install the starter (A) and new gasket (B) (see STARTER REMOVAL AND INSTALLATION ).
    Fig 37: Starter And Gasket With Torque Specification
    G05485752Courtesy of AMERICAN HONDA MOTOR CO., INC.
  64. Install the starter cables (A), and install the harness clamp (B) on the clamp bracket (C).
    Fig 38: Starter Cables, Harness Clamp And Clamp Bracket With Torque Specification
    G05485753Courtesy of AMERICAN HONDA MOTOR CO., INC.
  65. Connect the solenoid harness connector (D).
  66. Install the transmission breather hose (A) over the breather pipe (B) with the dot (C) facing up.
    Fig 39: Transmission Breather Hose And Breather Pipe With Torque Specification
    G05485754Courtesy of AMERICAN HONDA MOTOR CO., INC.
  67. Secure the vacuum line (D) with the bolt, and connect the vacuum hose (E) to the line.
  68. Install the power steering pump outlet line (A) with the new O-ring (B) to the pump, and secure the hose clamp (C) with the bolt.
    Fig 40: Power Steering Pump Outlet Line, O-Ring And Hose Clamp With Torque Specifications
    G05485755Courtesy of AMERICAN HONDA MOTOR CO., INC.
  69. Connect the steering joint (see INSTALLATION ).
  70. Refill the power steering fluid reservoir with fluid to the upper level line.
  71. Refill the transmission with ATF (see step  7 on ).
  72. Install the battery base bracket and battery base.
  73. Install the air cleaner housing, intake air duct, and intake manifold cover.
  74. Install the under-hood subfuse box on the battery base, and install the subfuse box on its bracket.
  75. Do the battery installation procedure (See INSTALLATION ).
  76. Install the bulkhead cover.
  77. Install the splash shield (A) and transmission undercover (B).
    Fig 41: Splash Shield And Transmission Undercover With Torque Specification
    G05485756Courtesy of AMERICAN HONDA MOTOR CO., INC.
  78. Install the service caps on the cowl cover.
  79. Install the front wheels.
  80. Set the parking brake, run the engine at fast idle, and turn the steering wheel from lock-to-lock several times to bleed air from the system. Recheck the fluid level, and refill if necessary.
  81. Set the parking brake. Start the engine, and shift the transmission through all positions three times. Check the shift lever operation, A/T gear position indicator operation, and shift cable adjustment.
  82. Check and adjust the front wheel alignment (see WHEEL ALIGNMENT ).
  83. Check the ATF level (see ATF LEVEL CHECK  ).
  84. Road-test vehicle (see ROAD TEST  ).