lemon-mirror:
Home >> Acura >> 2007 >> RDX >> Repair and Diagnosis >> Engine Performance >> Ignition System >> Circuit Diagram

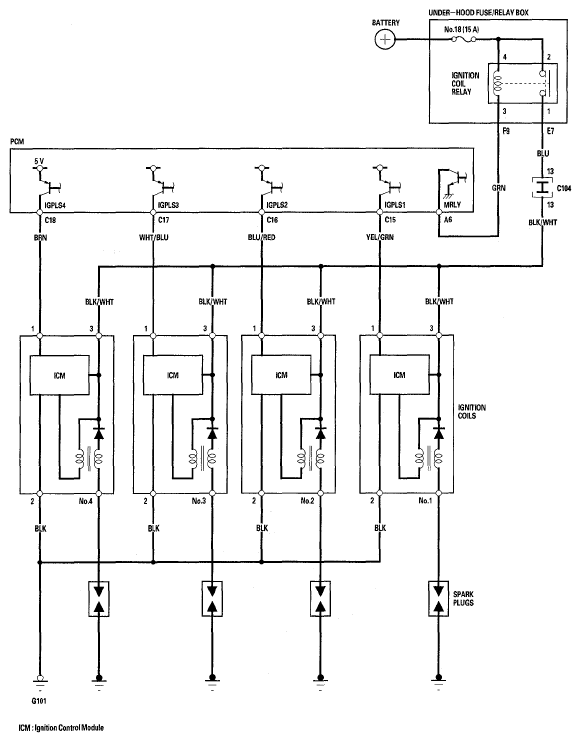
Circuit Diagram

Fig 1: Ignition System Circuit Diagram
G05444268Courtesy of AMERICAN HONDA MOTOR CO., INC.