lemon-mirror:
Home >> Acura >> 2007 >> RL >> Repair and Diagnosis >> Electrical >> Starter >> Starting System >> Circuit Diagram

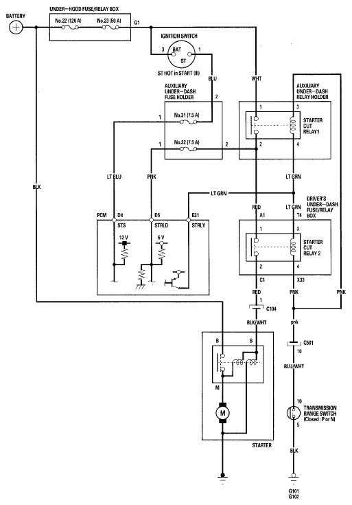
Circuit Diagram

Fig 1: Starting System Circuit Diagram
G05493783Courtesy of AMERICAN HONDA MOTOR CO., INC.