lemon-mirror:
Home >> Acura >> 2007 >> RL >> Repair and Diagnosis >> Transmission >> Automatic Trans >> Automatic Transmission >> Shift Cable Replacement

Shift Cable Replacement

  1. Raise the vehicle on a lift, and make sure it is supported securely.
  2. Remove the center console cover (see CENTER CONSOLE REMOVAL/INSTALLATION ).
  3. Shift the transmission into R.
  4. Remove the nut securing the shift cable end.
    Fig 1: Identifying Shift Cable End Nut
    G05495735Courtesy of AMERICAN HONDA MOTOR CO., INC.
  5. Press the holder lock release (A), and pull out the socket holder (B) to remove the shift cable (C) from the shift lever bracket base (D).
    Fig 2: Removing Shift Cable From Shift Lever Bracket Base
    G05495736Courtesy of AMERICAN HONDA MOTOR CO., INC.
  6. Make sure you have the anti-theft codes for the audio system and the navigation system. Make sure the ignition switch is in LOCK (0).
  7. Remove the battery trim and left upper fender cover.
  8. Disconnect the negative terminal from the battery, then disconnect the positive terminal.
  9. Remove the battery hold-down bracket, and remove the battery and battery tray.
  10. Remove the air cleaner (see AIR CLEANER REMOVAL/INSTALLATION ).
  11. Remove the battery base.
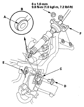
  12. Remove the nuts securing the shift cable bracket (A).
    Fig 3: Identifying Shift Cable End Transmission Side
    G05495737Courtesy of AMERICAN HONDA MOTOR CO., INC.
  13. Remove the spring clip/washer (B) and control pin (C), then separate the shift cable end (D) from the control lever (E).
  14. Remove the shift cable bracket from the steering gearbox stiffener.
    Fig 4: Shift Cable Bracket And Bolts With Torque Specifications
    G05495738Courtesy of AMERICAN HONDA MOTOR CO., INC.
  15. Remove the heat shield under the shift cable grommet.
  16. Remove the shift cable grommet, and pull out the shift cable.
    Fig 5: Identifying Shift Cable Grommet
    G05495739Courtesy of AMERICAN HONDA MOTOR CO., INC.
  17. Insert the new shift cable through the grommet hole, and install the grommet in its hole. Do not bend the shift cable excessively.
  18. Install the heat shield.
  19. Install the shift cable bracket on the steering gearbox stiffener.
  20. Apply molybdenum grease to the hole in the bushing (A) in the shift cable end (B). Attach the shift cable end to the control lever (C), then insert the control pin (D) into the control lever hole through the shift cable end, and secure the control pin with the spring clip/washer (E).
    Fig 6: Shift Cable On Transmission Side With Torque Specifications
    G05495740Courtesy of AMERICAN HONDA MOTOR CO., INC.
  21. Secure the shift cable bracket (F) with the nuts.
  22. Turn the ignition switch to ON (II), and check that the R indicator comes on.
    Fig 7: Identifying Shift Indicator In Gauge Control Module
    G05495741Courtesy of AMERICAN HONDA MOTOR CO., INC.
  23. If necessary, push the shift cable until it stops, then release it. Pull the shift cable back one step so that the shift position is in R. Do not hold the shift cable guide (A) and damper (B) to adjust the shift cable (C).
    Fig 8: Pushing Shift Cable In And Releasing
    G05495742Courtesy of AMERICAN HONDA MOTOR CO., INC.
  24. Turn the ignition switch to LOCK (0).
  25. Place the shift lever in R, then insert a 6.0 mm (0.24 in.) pin (A) through the positioning hole (B) on the shift lever bracket base, through the positioning hole (C) on the shift lever, and into the positioning hole (D) on the shift lever bracket base. The shift lever is secured in R.
    Fig 9: Positioning Hole On Shift Lever Bracket Base
    G05495743Courtesy of AMERICAN HONDA MOTOR CO., INC.
  26. Align the socket holder (A) on the shift cable (B) with the slot in the bracket base (C), then slide the holder into the base. Install the shift cable end (D) over the mounting stud (E) by aligning its square hole (F) with the square fitting (G) at the bottom of the stud. Push the holder until it snaps securely in place. Do not install the shift cable by holding the shift cable guide (H) and the damper (I).
    Fig 10: Sliding Shift Cable Socket Holder Into Bracket Base
    G05495744Courtesy of AMERICAN HONDA MOTOR CO., INC.
  27. Check that the shift cable end (A) is properly installed on the mounting stud (B).

    Properly Installed: 

    Fig 11: Identifying Shift Cable Proper Installation Position
    G05495745Courtesy of AMERICAN HONDA MOTOR CO., INC.

    Improperly Installed: 

    Fig 12: Identifying Shift Cable Improper Installation Position
    G05495746Courtesy of AMERICAN HONDA MOTOR CO., INC.
  28. If improperly installed, remove the shift cable from the bracket base, and reinstall the shift cable. Do not install the shift cable end on the mounting stud while the shift cable is on the bracket base.
  29. Install and tighten the nut.
    Fig 13: Shift Cable Nut With Torque Specifications
    G05495747Courtesy of AMERICAN HONDA MOTOR CO., INC.
  30. Remove the 6.0 mm (0.24 in.) pin that was installed to hold the shift lever.
  31. Install the battery base.
  32. Install the air cleaner (see AIR CLEANER REMOVAL/INSTALLATION ).
  33. Install the battery tray, battery, and battery hold-down bracket, then connect the battery terminals.
  34. Install the left upper fender cover and the battery trim.
  35. Move the shift lever to each position, and check that the A/T gear position indicator follows the transmission range switch.
  36. Allow all the wheels to rotate freely.
  37. Start the engine, and check the shift lever operation in all gears.
  38. Push the shift lock release, and check that the shift lever releases.
  39. Reinstall the center console cover (see CENTER CONSOLE REMOVAL/INSTALLATION ).
  40. Enter the anti-theft codes for the audio system and the navigation system.
  41. Do the steering column memorization (see STEERING COLUMN POSITION MEMORIZATION ).
  42. Do the power window control unit reset procedure (see RESETTING THE POWER WINDOW CONTROL UNIT ).