lemon-mirror:
Home >> Acura >> 2007 >> RL >> Repair and Diagnosis >> Transmission >> Automatic Trans >> Automatic Transmission >> Shift Lever Installation

Shift Lever Installation

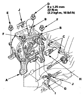
  1. Install the shift lever assembly (A) by aligning the positioning holes (B) with the tips (C) on the console panel.
    Fig 1: Shift Lever Assembly With Torque Specifications
    G05495728Courtesy of AMERICAN HONDA MOTOR CO., INC.
  2. Loosely install the mounting bolt (D) on the left front of the shift lever, then install and tighten the mounting bolt (E) on the left rear to 22 N.m (2.2 kgf.m, 16 lbf.ft).
  3. Install and tighten the mounting bolts (F) on the right side, and tighten the bolt (D) to 22 N.m (2.2 kgf.m, 16 lbf.ft).
  4. Connect the shift lock solenoid connector (G), the transmission gear selection switch/park pin switch connector (H), and the sensor cluster connector (I).
  5. Install the harness clamps (J) on the shift lever bracket base.
  6. Turn the ignition switch to ON (II), and check that the R indicator comes on.
  7. if necessary, push the shift cable until it stops, then release it. Pull the shift cable back one step so that the shift position is in R. Do not hold the shift cable guide (A) and damper (B) to adjust the shift cable (C).
    Fig 2: Pushing Shift Cable In And Releasing
    G05495729Courtesy of AMERICAN HONDA MOTOR CO., INC.
  8. Turn the ignition switch to LOCK (0).
  9. Place the shift lever in R, then insert a 6.0 mm (0.24 in.) pin (A) through the positioning hole (B) on the shift lever bracket base, through the positioning hole (C) on the shift lever, and into the positioning hole (D) on the shift lever bracket base. The shift lever is secured in R.
    Fig 3: Inserting Pin Through Positioning Hole On Shift Lever Bracket Base
    G05495730Courtesy of AMERICAN HONDA MOTOR CO., INC.
  10. Align the socket holder (A) on the shift cable (B) with the slot in the bracket base (C), then slide the holder into the base. Install the shift cable end (D) over the mounting stud (E) by aligning its square hole (F) with the square fitting (G) at the bottom of the stud. Push the holder until it snaps securely in place. Do not install the shift cable by holding the shift cable guide (H) and damper (I).
    Fig 4: Sliding Shift Cable Socket Holder Into Bracket Base
    G05495731Courtesy of AMERICAN HONDA MOTOR CO., INC.
  11. Check that the shift cable end (A) is properly installed on the mounting stud (B).

    Properly Installed: 

    Fig 5: Identifying Proper Installation Position Of Shift Cable End
    G05495732Courtesy of AMERICAN HONDA MOTOR CO., INC.
  12. If improperly installed, remove the shift cable from the bracket base, and reinstall the shift cable. Do not install the shift cable end on the mounting stud while the shift cable is on the bracket base.
  13. Install and tighten the nut.
    Fig 6: Shift Cable End Nut With Torque Specifications
    G05495733Courtesy of AMERICAN HONDA MOTOR CO., INC.
  14. Remove the 6.0 mm (0.24 in.) pin that was installed to hold the shift lever.
  15. Move the shift lever to each position, and check that the A/T gear position indicator follows the transmission range switch.
  16. Push the shift lock release, and check that the shift lever releases.
  17. Reinstall the center console cover (see CENTER CONSOLE REMOVAL/INSTALLATION ).