lemon-mirror:
Home >> Acura >> 2007 >> RL >> Repair and Diagnosis >> Transmission >> Automatic Trans >> Automatic Transmission >> Shift Lever Removal

Shift Lever Removal

  1. Remove the center console cover (see CENTER CONSOLE REMOVAL/INSTALLATION ).
  2. Shift the transmission into R.
  3. Remove the nut securing the shift cable end.
    Fig 1: Identifying Shift Cable End And Nut
    G05495725Courtesy of AMERICAN HONDA MOTOR CO., INC.
  4. Press the holder lock release (A), and pull out the socket holder (B) to remove the shift cable (C) from the shift lever bracket base (D). Do not remove the shift cable by pulling the shift cable guide (E) and damper (F).
    Fig 2: Pulling Out Socket Holder
    G05495726Courtesy of AMERICAN HONDA MOTOR CO., INC.
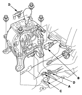
  5. Disconnect the shift lock solenoid connector (A), transmission gear selection switch/park pin switch connector (B), and the sensor cluster connector (C).
    Fig 3: Identifying Shift Lock Solenoid Connector And Transmission Gear Selection Switch/Park Pin Switch Connector
    G05495727Courtesy of AMERICAN HONDA MOTOR CO., INC.
  6. Remove the harness clamps (D).
  7. Remove the shift lever assembly.