lemon-mirror:
Home >> Acura >> 2007 >> RL >> Repair and Diagnosis >> Transmission >> Automatic Trans >> Automatic Transmission >> Transmission Installation

Transmission Installation

Special Tools Required 

NOTE: Use fender covers to avoid damaging painted surfaces.
  1. Clean the ATF cooler (see ATF COOLER CLEANING  ).
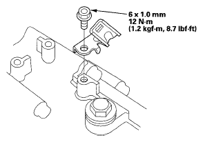
  2. Install the clamp bracket.
    Fig 1: Clamp Bracket With Torque Specifications
    G05495677Courtesy of AMERICAN HONDA MOTOR CO., INC.
  3. Install the torque converter (A) on the mainshaft (B) with the new O-ring (C).
    Fig 2: Identifying Torque Converter, Mainshaft And Dowel Pin
    G05495678Courtesy of AMERICAN HONDA MOTOR CO., INC.
  4. Install the 14 mm dowel pin (D) and 10 mm dowel pin (E) in the torque converter housing.
  5. Install the transmission lower mount with the new bolts.
    Fig 3: Transmission Lower Mount Bolts With Torque Specifications
    G05495679Courtesy of AMERICAN HONDA MOTOR CO., INC.
  6. Place the transmission on the jack, and raise it to engine level.
  7. Attach the transmission to the engine, and install the transmission housing mounting bolts.
    Fig 4: Lower Transmission Housing Mounting Bolts With Torque Specifications
    G05495680Courtesy of AMERICAN HONDA MOTOR CO., INC.
  8. Install the transmission housing mounting bolts.
    Fig 5: Rear Transmission Housing Mounting Bolts With Torque Specifications
    G05495681Courtesy of AMERICAN HONDA MOTOR CO., INC.
  9. Install the transmission housing mounting bolts.
    Fig 6: Identifying Top Transmission Housing Mounting Bolts
    G05495682Courtesy of AMERICAN HONDA MOTOR CO., INC.
  10. Install the transmission housing mounting bolt (A) with a socket 22 mm in length and a torque wrench.
    Fig 7: Sensor Harness Clamps, Bracket, Front Transmission Mounting Bolts And Front Mount Bracket Bolts With Torque Specifications
    G05495683Courtesy of AMERICAN HONDA MOTOR CO., INC.
  11. Install the sensor harness clamps (B) on the clamp bracket (C).
  12. Install the front mount bracket (D) with the new mounting bolts.
  13. Install the new set ring (A) on the intermediate shaft (B).
    Fig 8: Set Ring, Intermediate Shaft, Exhaust Manifold Bracket And Heat Shield With Torque Specifications
    G05495684Courtesy of AMERICAN HONDA MOTOR CO., INC.
  14. Clean the areas where the intermediate shaft contacts the transmission (differential) with solvent, and dry with compressed air. Apply ATF to the intermediate shaft splines, then install the intermediate shaft; be sure not to allow dust or other foreign particles to enter the transmission.
  15. Install the exhaust manifold bracket (C) and heat shield (D).
  16. Install the new set ring (A) on the left driveshaft (B).
    Fig 9: Identifying Set Ring And Left Driveshaft
    G05495685Courtesy of AMERICAN HONDA MOTOR CO., INC.
  17. Clean the areas where the left driveshaft contacts the transmission (differential) with solvent, and dry with compressed air. Then install the left driveshaft; be sure not to allow dust or other foreign particles to enter the transmission. Turn the steering knuckle fully outward, and slide the driveshaft into the differential until you feel its set ring fully engage the side gear.
  18. Apply right driveshaft inboard-joint splines with the recommended grease.
  19. Slide the right driveshaft over the intermediate shaft splines until you feel the driveshaft fully engage the intermediate shaft set ring.
  20. Support the front subframe (A) with the front subframe adapter (VSB02C000016) and a jack, and lift it up to body.
    Fig 10: Supporting Front Subframe With Front Subframe Adapter And Jack
    G05495686Courtesy of AMERICAN HONDA MOTOR CO., INC.
  21. Loosely install the new subframe mounting bolts (A), rear stiffener mounting bolts (B), front stiffener mounting bolts (C), and front and rear stiffeners.
    Fig 11: Subframe Mounting Bolts, Rear Stiffener Mounting Bolts And Front Stiffener Mounting Bolts With Torque Specifications
    G05495687Courtesy of AMERICAN HONDA MOTOR CO., INC.
  22. Partially tighten the right rear subframe mounting bolt (A); insert the special tool through the positioning slot (B) on the rear stiffener, through the positioning hole (C) on the subframe, and into the positioning hole (D) on the body, then tighten the subframe mounting bolt.
    Fig 12: Right Rear Subframe Mounting Bolt With Torque Specifications
    G05495688Courtesy of AMERICAN HONDA MOTOR CO., INC.
  23. Partially tighten the left rear subframe mounting bolt in the same manner in step  22.
  24. Partially tighten the right and left front subframe mounting bolts.
  25. Loosen the right rear mounting bolt, then tighten the bolt to the specified torque.
  26. Tighten the left rear mounting bolt to the specified torque.
  27. Tighten the right and left front mounting bolts to the specified torque.
  28. Check that the positioning holes and slot are aligned using the special tool.
  29. Tighten the rear and front stiffener mounting bolts to the specified torque.
  30. Remove the jack and front subframe adapter.
  31. Install the new transmission lower mount bolts.
    Fig 13: Transmission Lower Mount Bolts With Torque Specifications
    G05495689Courtesy of AMERICAN HONDA MOTOR CO., INC.
  32. Attach the torque converter to the drive plate (A) with eight bolts (B). Rotate the crankshaft pulley as necessary to tighten the bolts to 1/2 of the specified torque, then to the final torque, in a crisscross pattern. After tightening the last bolt, check that the crankshaft rotates freely.
    Fig 14: Drive Plate Bolts And Torque Converter Cover With Torque Specifications
    G05495690Courtesy of AMERICAN HONDA MOTOR CO., INC.
  33. Install the torque converter cover (C).
  34. Connect the power steering fluid hose (A) to the line (B) at the right front of the front subframe, and secure the hose with its hose clamp (C).
    Fig 15: Identifying Power Steering Fluid Hose, Hose Clamp, ATF Cooler Hose And ATF Cooler
    G05495691Courtesy of AMERICAN HONDA MOTOR CO., INC.
  35. Connect the ATF cooler hose (D) to the ATF cooler (E), and secure the hose with the clip (F) (see ATF COOLER HOSE REPLACEMENT  ).
  36. Install the steering gearbox heat shield.
    Fig 16: Steering Gearbox Heat Shield With Torque Specifications
    G05495692Courtesy of AMERICAN HONDA MOTOR CO., INC.
  37. Install the dowel pin (A) in the transmission, and install the transfer assembly (B) on the transmission.
    Fig 17: Dowel Pin And Transfer Assembly With Torque Specifications
    G05495693Courtesy of AMERICAN HONDA MOTOR CO., INC.
  38. Secure the transfer breather tube bracket (A) on the transfer assembly with the bolt, and install the breather tube (B) over the breather pipe (C). If the breather tube was removed from the clamp, install the tube at the dot (D) on the clamp (E).
    Fig 18: Transfer Breather Tube Bracket, Breather Tube And Breather Pipe With Torque Specifications
    G05495694Courtesy of AMERICAN HONDA MOTOR CO., INC.
  39. Install the propeller shaft (see PROPELLER SHAFT INSTALLATION ).
  40. Install the propeller shaft (A) to the transfer companion flange (B) by aligning the reference mark (C).
    Fig 19: Reference Mark Across Propeller Shaft And Transfer Companion Flange With Torque Specifications
    G05495695Courtesy of AMERICAN HONDA MOTOR CO., INC.
  41. Install exhaust pipe A with the new self-locking nuts and new gaskets (B) (C).
    Fig 20: Exhaust Pipe Nuts And Gaskets With Torque Specifications
    G05495696Courtesy of AMERICAN HONDA MOTOR CO., INC.
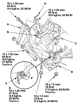
  42. Install the damper forks (A) with the damper pinch bolts, new damper fork bolts, and new self-locking nuts. Attach the knuckle holders (B) to each knuckle, and secure the knuckle holders with the bolts and new nuts.
    Fig 21: Damper Forks, Knuckle Holders, Stabilizer Links And Tie-Rod End Ball Joints With Torque Specifications
    G05495697Courtesy of AMERICAN HONDA MOTOR CO., INC.
  43. Install the stabilizer links (C) to the lower arms, and install the nuts (D). Insert a 6 mm Allen wrench (E) in the ball joint pin (F), and tighten the nuts.
  44. Install the tie-rod end ball joints (G) to each knuckle with the nuts and new cotter pins (H).
  45. Install the new rear mount bolt, and install the rear mount stop with the new nuts.
    Fig 22: Rear Mount Stop Nuts With Torque Specifications
    G05495698Courtesy of AMERICAN HONDA MOTOR CO., INC.
  46. Install the new front mount bolt, and install the front mount stop (A) and vacuum hose clamp (B).
    Fig 23: Front Mount Stop And Vacuum Hose Clamp With Torque Specifications
    G05495699Courtesy of AMERICAN HONDA MOTOR CO., INC.
  47. Remove the engine support hanger and engine hanger balancer bar.
  48. Install the connector bracket on the engine front cylinder head.
    Fig 24: Connector Bracket At Cylinder Head With Torque Specifications
    G05495700Courtesy of AMERICAN HONDA MOTOR CO., INC.
  49. Install the clamp brackets on the engine rear cylinder head, and connect the vacuum tube and solenoid connector.
    Fig 25: Solenoid Bracket With Torque Specifications
    G05495701Courtesy of AMERICAN HONDA MOTOR CO., INC.
  50. Install the shift cable bracket on the steering gearbox stiffener.
    Fig 26: Shift Cable Bracket With Torque Specifications
    G05495702Courtesy of AMERICAN HONDA MOTOR CO., INC.
  51. Connect the power steering angle sensor connector.
    Fig 27: Identifying Power Steering Angle Sensor Connector
    G05495703Courtesy of AMERICAN HONDA MOTOR CO., INC.
  52. Connect the 2nd clutch transmission fluid pressure switch connector (A), and secure the vacuum line with the bolt.
    Fig 28: 2nd Clutch Transmission Fluid Pressure Switch Connector And Vacuum Line With Torque Specifications
    G05495704Courtesy of AMERICAN HONDA MOTOR CO., INC.
  53. Connect the ATF cooler hoses (A) to the ATF cooler lines (B), and secure the hoses with the clips (C) (see ATF COOLER HOSE REPLACEMENT  ).
    Fig 29: Identifying ATF Cooler Hoses, ATF Cooler Lines And Clips
    G05495705Courtesy of AMERICAN HONDA MOTOR CO., INC.
  54. Connect the output shaft (countershaft) speed sensor connector (A), input shaft (mainshaft) speed sensor connector (B) and 3rd clutch transmission fluid pressure switch connector (C). Connect ATF temperature sensor connector (D), and install the connector on the connector bracket (E). Install the harness clamp (F) on the bracket.
    Fig 30: Identifying Input Shaft (Mainshaft) Speed Sensor Connector And 3rd Clutch Transmission Fluid Pressure Switch Connector
    G05495706Courtesy of AMERICAN HONDA MOTOR CO., INC.
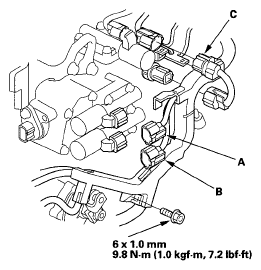
  55. Connect the transmission range switch connector (A), and install the harness clamp (B) on the clamp bracket (C).
    Fig 31: Transmission Range Switch Connector, Transmission Ground Cable And Clamp Bracket With Torque Specifications
    G05495707Courtesy of AMERICAN HONDA MOTOR CO., INC.
  56. Install the transmission ground cable (D).
  57. Install the harness clamp bracket (A) and connector bracket (B), and install the harness clamps (C) on the clamp brackets (A) (D).
    Fig 32: Harness Clamp Bracket, Connector Bracket, Harness Clamps And Harness Cover With Torque Specifications
    G05495708Courtesy of AMERICAN HONDA MOTOR CO., INC.
  58. Secure the harness cover (E) with the bolt, and connect the A/T clutch pressure control solenoid valve C connector (F).
  59. Secure the harness cover with the bolt, and connect the A/T clutch pressure control solenoid valve A connector, A/T clutch pressure control solenoid valve B connector, and 4th clutch transmission fluid pressure switch connectors (C).
    Fig 33: Transmission Connectors And Harness Cover With Torque Specifications
    G05495709Courtesy of AMERICAN HONDA MOTOR CO., INC.
  60. Apply molybdenum grease to the hole in the bushing (A) in the shift cable end (B);
    Fig 34: Bushing, Control Lever, Spring Clip/Washer And Control Pin With Torque Specifications
    G05495710Courtesy of AMERICAN HONDA MOTOR CO., INC.
  61. Attach the shift cable end to the control lever (C), then insert the control pin (D) into the control lever hole through the shift cable end, and secure the control pin with the spring clip/washer (E).
  62. Secure the shift cable bracket (F) with the nuts.
  63. Install the starter (A) and the new gasket (B); install the lower bolt (C) through the sensor harness clamp bracket (D).
    Fig 35: Sensor Harness Clamp Bracket, Starter And Gasket With Torque Specifications
    G05495711Courtesy of AMERICAN HONDA MOTOR CO., INC.
  64. Connect the solenoid harness connector (A).
    Fig 36: Solenoid Harness Connector, Starter Cables, Harness Clamp, Vacuum Hose And Clamp Bracket With Torque Specifications
    G05495712Courtesy of AMERICAN HONDA MOTOR CO., INC.
  65. Install the starter cables (B), and install the harness clamp (C) on the clamp bracket (D).
  66. Secure the radiator hose clamp (E) with the bolt.
  67. Secure the vacuum line (F) with the bolt, and connect the vacuum hose (G) to the vacuum line.
  68. Install the power steering pump outlet line (A) with the new O-ring (B) to the pump, and install the hose (C) in its clamp (D).
    Fig 37: Power Steering Pump Outlet Line With Torque Specifications
    G05495713Courtesy of AMERICAN HONDA MOTOR CO., INC.
  69. Connect the power steering pressure switch connector.
    Fig 38: Identifying Power Steering Pressure Switch Connector
    G05495714Courtesy of AMERICAN HONDA MOTOR CO., INC.
  70. Install the strut brace.
    Fig 39: Strut Brace With Torque Specifications
    G05495715Courtesy of AMERICAN HONDA MOTOR CO., INC.
  71. Connect the steering joint (see STEERING COLUMN REMOVAL AND INSTALLATION ).
  72. Remove the steering wheel (see STEERING WHEEL REMOVAL ).
  73. Center the SRS cable reel, and install the steering wheel (see STEERING WHEEL INSTALLATION ).
  74. Refill the power steering fluid reservoir with fluid to the upper level line.
  75. Refill the transmission with ATF (see step  6 ).
  76. Install the battery base.
  77. Install the air cleaner (see AIR CLEANER REMOVAL/INSTALLATION ).
  78. Install the battery tray, battery, and battery hold-down bracket, then connect battery terminals.
  79. Install the splash shield.
  80. Install the covers in the following order; intake manifold cover (A), upper grille cover (B), right upper fender trim (C), cowl cover upper trim (D), left upper fender trim (E), and battery trim (F).
    Fig 40: Identifying Intake Manifold Cover, Cowl Cover Upper Trim, Upper Grille Cover And Battery Trim
    G05495716Courtesy of AMERICAN HONDA MOTOR CO., INC.
  81. Reinstall the hood support struts to the upper location on both sides of the hood.
  82. Install the windshield wiper arms (see WIPER MOTOR REPLACEMENT ) and cowl cover (see WIPER MOTOR REPLACEMENT ).
  83. Set the parking brake, run the engine at fast idle, and turn the steering wheel from lock-to-lock several times to bleed air from the system. Recheck the fluid level, and refill if necessary.
  84. Set the parking brake. Start the engine, and shift the transmission through all positions three times. Check the shift lever operation, A/T gear position indicator operation, and shift cable adjustment.
  85. Check and adjust the front wheel alignment (see WHEEL ALIGNMENT ).
  86. Start the engine in P or N, and warm it up to normal operating temperature (the radiator fan comes on).
  87. Turn off the engine, and check the ATF level (see ATF LEVEL CHECK  ).
  88. Do the road test (see ROAD TEST  ).
  89. Enter the anti-theft codes for the audio system and the navigation system.
  90. Do the steering column memorization (see STEERING COLUMN POSITION MEMORIZATION ).
  91. Do the power window control unit reset procedure (see RESETTING THE POWER WINDOW CONTROL UNIT ).