lemon-mirror:
Home >> Acura >> 2007 >> TL Base >> Repair and Diagnosis >> Transmission >> Automatic Trans >> Automatic Transmission >> Shift Lever Removal

Shift Lever Removal

  1. Remove the center console (see CENTER CONSOLE REAR SECTION REMOVAL/INSTALLATION ).
  2. Shift the transmission into R.
  3. Remove the nut securing the shift cable end.
    Fig 1: Identifying Shift Assembly
    G05459093Courtesy of AMERICAN HONDA MOTOR CO., INC.
  4. Press the holder lock release (A), and pull out the socket holder (B) to remove the shift cable (C) from the shift lever bracket base (D). Do not remove the shift cable by pulling on the shift cable guide (E).
    Fig 2: Identifying Holder Lock Release, Socket Holder, Shift Cable And Shift Lever Bracket Base
    G05459094Courtesy of AMERICAN HONDA MOTOR CO., INC.
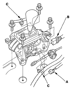
  5. Disconnect the shift lock solenoid connector (A) and the transmission gear selection switch/park pin switch/A/T gear position indicator panel light connector (B).
    Fig 3: Identifying Shift Lock Solenoid Connector And A/T Gear Position Indicator Panel Light Connector
    G05459095Courtesy of AMERICAN HONDA MOTOR CO., INC.
  6. Remove the harness clamps (C).
  7. Remove the shift lever assembly.