lemon-mirror:
Home >> Acura >> 2007 >> TL Base >> Repair and Diagnosis >> Transmission >> Automatic Trans >> Automatic Transmission >> Transmission Disassembly

Transmission Disassembly

Special Tools Required 

Mainshaft holder 07GAB-PF50101 or 07GAB-PF50100

  1. Remove the ATF dipstick (A) and the dipstick tube (B).
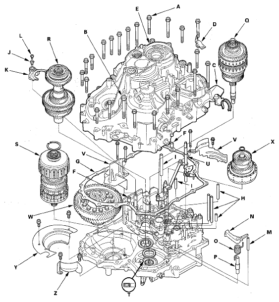
    Fig 1: Exploded View Of Transmission
    G05459165Courtesy of AMERICAN HONDA MOTOR CO., INC.
  2. Remove A/T clutch pressure control solenoid valves A and B (C) (six bolts), the ATF feed pipes (D) (three), the O-rings (three), and the gasket.
  3. Remove the solenoid valve cover (E) (seven bolts), the dowel pins (two), and the gasket.
  4. Disconnect the solenoid valve connectors, then remove the solenoid harness connector (F).
  5. Remove A/T clutch pressure control solenoid valve C (G) (four bolts), the wire harness bracket (H), the ATF feed pipes (I) (three), the O-rings (two), and the gasket.
  6. Pry the lock tab of the lock washer (J) on the control lever (K), and remove the nut, the lock washer, the spring washer, and the control lever.
  7. Remove the electronic control mounting pipe (L).
  8. Remove the harness clamp bracket (M).
  9. Pry the lock tabs of the lock washer (N) on the transmission range switch (O), hold the control shaft (P) with a 6.0 mm wrench, and loosen the locknut (Q).
  10. Remove the locknut and the lock washer, then remove the transmission range switch (two bolts).
  11. Remove the output shaft (countershaft) speed sensor (R) and the input shaft (mainshaft) speed sensor (S).
  12. Remove the ATF temperature sensor connector and the harness clamp from the clamp bracket, then remove the ATF temperature sensor (T).
  13. Remove the end cover (U) (three bolts), the snap ring cap (V) (two bolts), the sealing plug (W), and the washer (X).
  14. Remove the line bolts (Y), the ATF cooler lines (Z), and the sealing washers (AA).
  15. Remove the 3rd clutch transmission fluid pressure switch (BB) and the sealing washer.
  16. Remove the 4th clutch transmission fluid pressure switch (CC) and the sealing washer.
  17. Remove the 2nd clutch transmission fluid pressure switch (DD) and the sealing washer.
  18. Slip the mainshaft holder onto the mainshaft.
    Fig 2: Identifying Mainshaft Holder Onto Mainshaft
    G05459166Courtesy of AMERICAN HONDA MOTOR CO., INC.
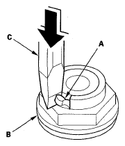
  19. Cut the lock tab (A) of the mainshaft locknut (B) using a chisel (C).
    NOTE: Keep all of the chiseled particles out of the transmission.
    Fig 3: Identifying Lock Tab, Mainshaft Locknut And Chisel
    G05459167Courtesy of AMERICAN HONDA MOTOR CO., INC.
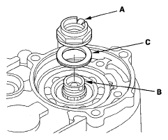
  20. Remove the locknut (A) from the mainshaft (B).
    Fig 4: Identifying Locknut, Mainshaft And Lock Washer
    G05459168Courtesy of AMERICAN HONDA MOTOR CO., INC.
  21. Pry the lock washer (C), and remove it.
  22. Remove the transmission housing mounting bolts (10 x 1.25 mm) (A) (23 bolts), the 12 x 1.25 mm bolt (B), the transmission hanger (C), and the ground terminal bracket (D).
    Fig 5: Exploded View Of Transmission Housing
    G05459169Courtesy of AMERICAN HONDA MOTOR CO., INC.
  23. While expanding the snap ring of the countershaft bearing using the snap ring pliers, lift the transmission housing (E).
    Fig 6: Removing Snap Ring
    G05459170Courtesy of AMERICAN HONDA MOTOR CO., INC.
  24. Release the pliers, and remove the transmission housing, the two dowel pins (F), and the gasket (G).
  25. Remove the ATF feed pipes (H) (four) from the accumulator body.
  26. Remove the ATF feed pipes (I) (two) from the torque converter housing.
  27. Remove the mainshaft holder from the mainshaft.
  28. Pry the lock tab of the lock washer (J) on the shift fork (K), then remove the bolt (L) and the lock washer.
  29. Unhook the detent spring from the detent arm.
    Fig 7: Unhooking Detent Spring From Detent Arm
    G05459171Courtesy of AMERICAN HONDA MOTOR CO., INC.
  30. Remove the park pawl stop (M), the park pawl (N), the pawl spring (O), and the pawl shaft (P).
  31. Remove the mainshaft (Q), the countershaft (R), the shift fork, and the secondary shaft (S) together, and remove the needle bearing (T) from the torque converter housing.
    Fig 8: Identifying Mainshaft, Countershaft, Shift Fork And Secondary Shaft
    G05459172Courtesy of AMERICAN HONDA MOTOR CO., INC.
  32. Remove the control shaft and the park lever link (U).
  33. Remove the baffle plate (V).
  34. Remove the differential assembly (W).
  35. Remove the intermediary shaft (X).
  36. Remove the baffle plate (Y), and the oil catch plate (Z).
  37. Remove the ATF strainer (A) (two bolts)
    Fig 9: Identifying Baffle Plate, Differential Assembly, Intermediary Shaft And ATF Strainer
    G05459173Courtesy of AMERICAN HONDA MOTOR CO., INC.
  38. Remove the accumulator body (B) (11 bolts), the dowel pins (two), the detent arm (C), the arm shaft (D), and the separator plate (E).
  39. Remove the ATF feed pipe (F) from the main valve body.
  40. Remove the secondary valve body (G) (one bolt), the dowel pins (two), and the separator plate (H). Do not let the check balls (I) (two) fall out.
  41. Remove the regulator valve body (J) (eight bolts), the stator shaft (K), the stator shaft stop (L), the dowel pins (two), and the separator plate (M).
  42. Remove the main valve body (N) (8 mm: three bolts, 6 mm: seven bolts). Do not let the lubrication check valve (O) fall out.
  43. Remove the torque converter check valve (P) and the valve spring (Q).
  44. Remove the ATF pump driven gear shaft (R), then remove the ATF pump drive gear (S) and the driven gear (T).
  45. Remove the dowel pins (two) and the main separator plate (U).
  46. Remove the ATF passage pipe (V).
  47. Remove the ATF magnet (W), clean it, then reinstall.
  48. Remove the O-ring (X) from the ATF strainer, and replace a new O-ring when reassembling the transmission.
  49. Remove the O-ring (Y) from the stator shaft, and replace a new O-ring when reassembling the transmission.
  50. Clean the inlet opening (A) of the ATF strainer (B) thoroughly with compressed air, then check that it is good condition and that inlet opening is not clogged.
    Fig 10: Identifying Inlet Opening And ATF Strainer
    G05459174Courtesy of AMERICAN HONDA MOTOR CO., INC.
  51. Test the ATF strainer by pouring clean ATF through the inlet opening, and replace if it is clogged or damaged.