lemon-mirror:
Home >> Acura >> 2008 >> TL Base >> Repair and Diagnosis >> Transmission >> Automatic Trans >> Automatic Transmission >> Transmission Reassembly >> Exploded View

Exploded View

Bolt Tightening Torque 

6 x 1.0 mm: 12 N.m (1.2 kgf.m, 8.7 lbf.ft) 

8 x 1.25 mm: 18 N.m (1.8 kgf.m, 13 lbf.ft) 

Fig 1: Exploded View Of Transmission Assembly
G05459323Courtesy of AMERICAN HONDA MOTOR CO., INC.

Special Tool Required 

Mainshaft holder 07GAB-PF50101 or 07GAB-PF50100

  1. Make sure that the ATF magnet is clean and installed in the torque converter housing. Clean and install the ATF magnet, if necessary.
  2. Install the main separator plate and the two dowel pins on the torque converter housing. Then install the ATF pump drive gear (A), the driven gear (B), and the ATF pump driven gear shaft (C). Install the ATF pump driven gear with its grooved and chamfered side facing down.
    Fig 2: Identifying ATF Pump Drive Gear, Driven Gear And ATF Pump Driven Gear Shaft
    G05459324Courtesy of AMERICAN HONDA MOTOR CO., INC.
  3. Install the torque converter check valve spring and the valve in the torque converter housing.
  4. Install the main valve body (seven 6 mm bolt and three 8 mm bolts). Make sure the ATF pump drive gear (A) rotates smoothly in the normal operating direction, and the ATF pump driven gear shaft (B) moves smoothly in the axial and normal operating direction.
    Fig 3: Checking Torque Converter Check Valve Spring And Valve
    G05459325Courtesy of AMERICAN HONDA MOTOR CO., INC.
  5. If the ATF pump drive gear and the ATF pump driven gear shaft do not move smoothly, loosen the main valve body bolts. Realign the ATF pump driven gear shaft, and retighten the bolts to the specified torques, then recheck. Failure to align the ATF pump driven gear shaft correctly will result in a seized the ATF pump drive gear or the ATF pump driven gear shaft.
  6. Install the lubrication check valve, the cooler check valve and the cooler check valve spring in the main valve body. Install the lubrication check valve in the direction shown in the in the exploded view.
  7. Install the secondary separator plate and the two dowel pins on the main valve body, and install the secondary valve body (one bolt).
  8. Install the three check balls and choke in the secondary valve body.
  9. Install the accumulator separator plate and the two dowel pins on the secondary valve body.
  10. Position the detent arm on the accumulator separator plate, and install the detent arm shaft into the detent arm through the separator plates to the main valve body.
  11. Install the 8 x 62 mm ATF feed pipe in the main valve body, and install the accumulator body (11 bolts).
  12. Install the regulator separator plate and the two dowel pins on the main valve body.
  13. Install the stator shaft with a new O-ring, and install the regulator valve body (eight bolts).
  14. Install the stator shaft stop in the main valve body.
  15. Install the ATF strainer with a new O-ring (two bolts).
  16. Install the ATF passage pipe (one bolt) in the torque converter housing.
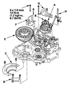
  17. Install the intermediary shaft (A) into the main valve body, and install the 26.5 mm washer (B) on the top of the intermediary shaft.
    Fig 4: Intermediary Shaft, Baffle Plates, Differential Assembly And Park Lever Link With Torque Specifications
    G05459326Courtesy of AMERICAN HONDA MOTOR CO., INC.
  18. Install the baffle plates (C) (D).
  19. Install the differential assembly (E) in the torque converter housing.
  20. Install the baffle plates (F) (G), and make sure if the differential is clear of the baffle plate.
  21. Install the control shaft and the park lever link (H).
  22. Assemble the mainshaft, the countershaft, and the secondary shaft.
  23. Install the needle bearing (A) on the secondary shaft roller bearing in the torque converter housing.
    Fig 5: Identifying Needle Bearing, Shift Fork Shaft, Shift Fork And Mainshaft
    G05459327Courtesy of AMERICAN HONDA MOTOR CO., INC.
  24. Turn the shift fork shaft (B) so the large chamfered hole is facing the fork bolt hole of the shift fork.
  25. Engage the shift fork (C) with the reverse selector on the countershaft, and join the mainshaft (D), the countershaft (E), and the secondary shaft (F), then install them in the torque converter housing and the shift fork on the shift fork shaft.
  26. Secure the shift fork (A) to the shift fork shaft with the lock bolt and a new lock washer (B), then bend the lock tab of the lock washer against the bolt head.
    Fig 6: Shift Fork And Lock Washer With Torque Specifications
    G05459328Courtesy of AMERICAN HONDA MOTOR CO., INC.
  27. Install the park pawl shaft (A), the pawl spring (B), the park pawl (C), and the park pawl stop (D).
    Fig 7: Identifying Park Pawl Shaft, Pawl Spring, Park Pawl And Park Pawl Stop
    G05459329Courtesy of AMERICAN HONDA MOTOR CO., INC.
  28. Align the control lever pin with the manual valve guide.
    Fig 8: Aligning Control Lever Pin With Manual Valve Guide
    G05459330Courtesy of AMERICAN HONDA MOTOR CO., INC.
  29. Hook the detent arm spring to the detent arm.
    Fig 9: Hooking Detent Arm Spring To Detent Arm
    G05459331Courtesy of AMERICAN HONDA MOTOR CO., INC.
  30. Install the 8 x 85 mm ATF feed pipe (A), the 8 x 151.5 mm pipes (B), and the 8 x 40 mm pipe (C) in the accumulator body.
    Fig 10: Identifying ATF Feed Pipe And Pipes
    G05459332Courtesy of AMERICAN HONDA MOTOR CO., INC.
  31. Install the 8 x 57.5 mm ATF feed pipe (A) and the 10 x 123 mm pipe (B) in the torque converter housing.
    Fig 11: Identifying ATF Feed Pipe And Pipe
    G05459333Courtesy of AMERICAN HONDA MOTOR CO., INC.
  32. Install the two dowel pins (A) and a new gasket (B) on the torque converter housing (C).
    Fig 12: Identifying Dowel Pins, Gasket And Torque Converter Housing
    G05459334Courtesy of AMERICAN HONDA MOTOR CO., INC.
  33. Place the transmission housing (D) on the torque converter housing.
  34. Wrap a screwdriver tip with tape to prevent damage to the reverse idler gear teeth. Engage the reverse idler gear with the reverse gears by rotating the idler gear using the screwdriver.
    Fig 13: Engaging Reverse Idler Gear With Reverse Gears By Rotating Idler Gear Using Screwdriver
    G05459335Courtesy of AMERICAN HONDA MOTOR CO., INC.
  35. While expanding the snap ring of the countershaft bearing using the snap ring pliers, install the transmission housing onto the bearing part-way. Then release the snap ring pliers, and push down on the housing until it bottoms and the snap ring snaps into place in the transmission housing snap ring groove.
    Fig 14: Installing Snap Ring
    G05459336Courtesy of AMERICAN HONDA MOTOR CO., INC.
  36. Install the transmission housing mounting bolts (20 bolts) along with the transmission hanger (A) and the transmission ground terminal bracket (B), and tighten the bolts in two or more steps in a crisscross pattern to 44 N.m (4.5 kgf.m, 33 lbf.ft).
    Fig 15: Transmission Hanger And Transmission Ground Terminal Bracket With Torque Specifications
    G05459337Courtesy of AMERICAN HONDA MOTOR CO., INC.
  37. Install and tighten the two mounting bolts (C) to 39 N.m (4.0 kgf.m, 29 lbf.ft). Keep the mounting bolts free of grease or oil.
  38. Install and tighten the special bolt (D) to 64 N.m (6.5 kgf.m, 47 lbf.ft).
  39. Install the mainshaft holder onto the mainshaft.
    Fig 16: Installing Mainshaft Holder Onto Mainshaft
    G05459338Courtesy of AMERICAN HONDA MOTOR CO., INC.
  40. Install a new lock washer (A) with the marked side (B) up over the mainshaft (C), and apply ATF to surfaces of the lock washer and the old locknut (D).
    Fig 17: Identifying Lock Washer, Mainshaft And Old Locknut
    G05459339Courtesy of AMERICAN HONDA MOTOR CO., INC.
  41. Install the old locknut, and tighten it to seat the lock washer to 178 N.m (18.2 kgf.m, 132 lbf.ft), then remove the old locknut.
  42. Install a new locknut and tighten it to 176 N.m (18.2 kgf.m, 132 lbf.ft), then stake the locknut to a depth (A) of 0.7-1.3 mm (0.03-0.05 in.) using a 3.5 mm punch (B).
    Fig 18: Staking Locknut Using Punch
    G05459340Courtesy of AMERICAN HONDA MOTOR CO., INC.
  43. Install the end cover (A), the dowel pins (B), and a new O-ring (C).
    Fig 19: End Cover, Dowel Pins And O-Ring With Torque Specifications
    G05459341Courtesy of AMERICAN HONDA MOTOR CO., INC.
  44. Install the snap ring cap (D) with a new O-ring (E).
  45. Apply thread lock sealant to the threads of the sealing plug (F), and install the sealing plug and a new sealing washer (G).
  46. Install a new O-ring (E) on the solenoid harness connector (F).
    Fig 20: Snap Ring Cap And O-Ring With Torque Specifications
    G05459342Courtesy of AMERICAN HONDA MOTOR CO., INC.
  47. Route the solenoid harness through the transmission housing, and install the solenoid harness connector.
  48. Connect the harness terminals to the solenoids:
    • GRN wire connector to shift solenoid valve A.
    • YEL wire connector to shift solenoid valve B.
    • RED wire connector to shift solenoid valve C.
    • ORN wire connector to shift solenoid valve D.
  49. Secure the solenoid harness connector with the bolt on the transmission housing.
  50. Install the solenoid valve cover (A) with the two dowel pins (B) and a new gasket (C), and secure it with the seven bolts.
    Fig 21: Solenoid Valve Cover, Dowel Pins And Gasket With Torque Specifications
    G05459343Courtesy of AMERICAN HONDA MOTOR CO., INC.
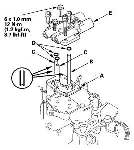
  51. Place a new gasket (A) on the solenoid valve cover, then install the 8 x 105.8 mm ATF feed pipe (B) and the 8 x 58.3 mm pipes (C) with their filter side into the transmission housing.
    Fig 22: ATF Feed Pipe, Pipe And Gasket With Torque Specifications
    G05459344Courtesy of AMERICAN HONDA MOTOR CO., INC.
  52. Install new O-rings (D) over the ATF feed pipes, and install A/T clutch pressure control solenoid valves A and B (E).
  53. Install the 8 x 53 mm ATF joint pipe (A) with the filter side into its mounting hole (B).
    Fig 23: Identifying ATF Joint Pipe And Mounting Hole
    G05459345Courtesy of AMERICAN HONDA MOTOR CO., INC.
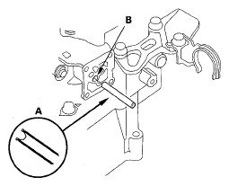
  54. Check the height (A) of the 8 x 53 mm ATF joint pipe (B) between the top (C) of the pipe and the solenoid valve body mounting surface (D). The height is about 7 mm (0.3 in.) If the height is over 7 mm (0.3 in.), install the pipe securely until it stops the accumulator body.
    Fig 24: Identifying Height ATF Joint Pipe
    G05459346Courtesy of AMERICAN HONDA MOTOR CO., INC.
  55. Install a new gasket (A) on the transmission housing. Install the 8 x 34.5 mm ATF pipe (B) with the filter side into the transmission housing, and install the 8 x 25.5 mm ATF pipe (D).
    Fig 25: ATF Pipe And Gasket With Torque Specifications
    G05459347Courtesy of AMERICAN HONDA MOTOR CO., INC.
  56. Install new O-rings (E) over the ATF joint pipes.
  57. Install A/T clutch pressure control solenoid valve C and the harness stay (F).
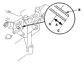
  58. Move the control shaft from the P position to the N position by turning the control shaft using a 6.0 mm wrench.
    Fig 26: Identifying A/T Clutch Pressure Control Solenoid Valve Position
    G05459348Courtesy of AMERICAN HONDA MOTOR CO., INC.
  59. Set the transmission range switch (A) to the N position. The transmission range switch clicks in the N position, and the control shaft hole (B) aligns with the N positioning line (C).
    Fig 27: Identifying Transmission Range Switch, Control Shaft Hole And N Positioning Line
    G05459349Courtesy of AMERICAN HONDA MOTOR CO., INC.
  60. Install the transmission range switch gently over the control shaft (D), and install the bolts loosely.
  61. Install a new lock washer (A) over the control shaft (B) by aligning the projection (C) of the lock washer with the N positioning line (D) on the transmission range switch (E), and install the locknut (F).
    Fig 28: Lock Washer, Control Shaft, Projection And N Positioning Line With Torque Specifications
    G05459350Courtesy of AMERICAN HONDA MOTOR CO., INC.
  62. Push the locknut against the transmission housing to seat the range switch into the control shaft, and tighten the locknut to 12 N.m (1.2 kgf.m, 8.7 lbf.ft) while holding the control shaft using a 6 mm wrench, then bend the lock tabs against the lock nut.
    Fig 29: Pushing Locknut Against Transmission Housing
    G05459351Courtesy of AMERICAN HONDA MOTOR CO., INC.
  63. Tighten the transmission range switch mounting bolts to 12 N.m (1.2 kgf.m, 8.7 lbf.ft).
  64. Install the control lever (A), the spring washer (B), the lock washer (C), and the locknut (D) on the control shaft (E).
    Fig 30: Control Lever, Spring Washer, Lock Washer And Locknut With Torque Specifications
    G05459352Courtesy of AMERICAN HONDA MOTOR CO., INC.
  65. Install a new O-ring (A) on the input shaft (mainshaft) speed sensor (B), and install the input shaft (mainshaft) speed sensor.
    Fig 31: O-Ring And Input Shaft (Mainshaft) Speed Sensor With Torque Specifications
    G05459353Courtesy of AMERICAN HONDA MOTOR CO., INC.
  66. Install a new O-ring (C) on the output shaft (countershaft) speed sensor (D), and install the output shaft (countershaft) speed sensor.
  67. Install the 4th clutch transmission fluid pressure switch (A) with a new sealing washer (B). Tighten the switch with the metal part, not the plastic part.
    Fig 32: 4th Clutch Transmission Fluid Pressure Switch And Sealing Washer With Torque Specifications
    G05459354Courtesy of AMERICAN HONDA MOTOR CO., INC.
  68. Install the 3rd clutch transmission fluid pressure switch (A) with a new sealing washer (B). Tighten the switch by the metal part, not the plastic part.
    Fig 33: 3rd Clutch Transmission Fluid Pressure Switch And Sealing Washer With Torque Specifications
    G05459355Courtesy of AMERICAN HONDA MOTOR CO., INC.
  69. Install the ATF cooler lines (C) with new sealing washers (D) and the line bolts (E).
  70. Install the connector bracket, and secure the ATF lines with the 6.0 mm bolts (F) on the transmission housing. Tighten the bolts to 12 N.m (1.2 kgf.m, 8.7 lbf.ft).
  71. Install the ATF temperature sensor (G) with a new O-ring (H), then install the connector on the connector bracket.
  72. Install the 2nd clutch transmission fluid pressure switch (A) with a new sealing washer (B). Tighten the switch by the metal part, not the plastic part.
    Fig 34: 2nd Clutch Transmission Fluid Pressure Switch And Sealing Washer With Torque Specifications
    G05459356Courtesy of AMERICAN HONDA MOTOR CO., INC.
  73. Install the ATF dipstick guide tube (A) with a new O-ring (B).
    Fig 35: ATF Dipstick Guide Tube And O-Ring With Torque Specifications
    G05459357Courtesy of AMERICAN HONDA MOTOR CO., INC.
  74. Install the ATF dipstick (C) in its guide tube.