lemon-mirror:
Home >> Acura >> 2009 >> CSX Base, Automatic >> Repair and Diagnosis >> Body & Frame >> Windows >> Power Windows >> Circuit Diagram

Circuit Diagram

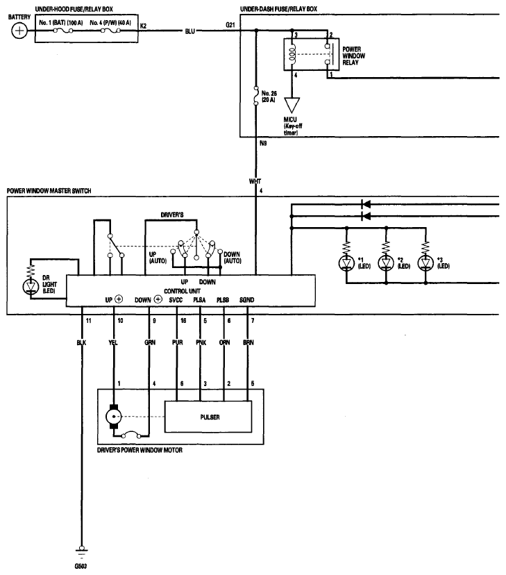
Fig 1: Power Windows - Circuit Diagram (1 Of 2)
G06268793Courtesy of AMERICAN HONDA MOTOR CO., INC.
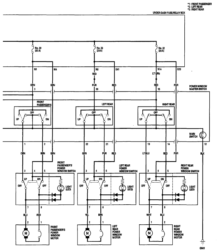
Fig 2: Power Windows - Circuit Diagram (2 Of 2)
G06268794Courtesy of AMERICAN HONDA MOTOR CO., INC.