lemon-mirror:
Home >> Acura >> 2009 >> CSX Base, Automatic >> Repair and Diagnosis >> Engine Mechanical >> Mechanical >> Engine Assembly >> Engine Installation

Engine Installation

Special Tools Required 

* : Available through Honda Canada Inc. Technical Tools Department; FAX # 1-866-398-8665/e-mail: ch_technicaltools@ch.honda.com

  1. Install the accessory brackets and tighten their bolts to the specified torques.

    K20Z2 engine 

    Fig 1: Engine Assembly (K20Z2) With Torque Specifications
    G06264244Courtesy of AMERICAN HONDA MOTOR CO., INC.

    K20Z3 engine 

    Fig 2: Engine Assembly (K20Z3) With Torque Specifications
    G06264245Courtesy of AMERICAN HONDA MOTOR CO., INC.
  2. Raise the vehicle on the lift, and position the engine/transmission assembly under the vehicle. Lower the vehicle, and attach the special tool and chain hoist to the engine, then lift the engine into position in the vehicle.
    NOTE: Reinstall the mounting bolts/support nuts in the sequence given in the following steps. Failure to follow this sequence may cause excessive noise and vibration, and reduce engine mount life.
    Fig 3: Attaching Special Tool And Chain Hoist To Engine
    G06264246Courtesy of AMERICAN HONDA MOTOR CO., INC.
  3. Attach the special tool to the threaded hole in the cylinder head.
    Fig 4: Attaching Special Tool To Threaded Hole In Cylinder Head
    G06264247Courtesy of AMERICAN HONDA MOTOR CO., INC.
  4. Install the front leg assembly (A), hook (B), and wing nut (C) from an A and Reds engine support hanger (AAR-T-12566) onto the engine hanger. Carefully position the engine hanger on the vehicle, and attach the hook to the forward hole in the engine hanger adapter (D). Tighten the wing nut by hand to lift and support the engine/transmission assembly.
    NOTE: Be careful when working around the windshield.
    Fig 5: Installing Front Leg Assembly, Hook And Wing Nut
    G06264248Courtesy of AMERICAN HONDA MOTOR CO., INC.
  5. Loosen the upper torque rod mounting bolt (A).
    Fig 6: Identifying Upper Torque Rod Mounting Bolt
    G06264249Courtesy of AMERICAN HONDA MOTOR CO., INC.
  6. Tighten the new side engine mount bracket mounting bolt and nut.
    Fig 7: Side Engine Mount Bracket Mounting Bolt And Nut With Torque Specifications
    G06264250Courtesy of AMERICAN HONDA MOTOR CO., INC.
  7. M/T model: Tighten the new transmission mounting bolt and nuts.
    Fig 8: Transmission Mounting Bolt And Nuts With Torque Specifications
    G06264251Courtesy of AMERICAN HONDA MOTOR CO., INC.
  8. Remove the chain hoist.
  9. Remove the special tool.
    Fig 9: Identifying Chain Hoist And Special Tool
    G06264252Courtesy of AMERICAN HONDA MOTOR CO., INC.
  10. A/T model: Remove the transmission hanger bracket (P/N 21232-RCT-A00).
    Fig 10: Identifying Transmission Hanger Bracket And Bolt
    G06264253Courtesy of AMERICAN HONDA MOTOR CO., INC.
  11. A/T model: Install the transmission mount bracket (A), then install the ground cable (B).
    Fig 11: Transmission Mount Bracket And Ground Cable Bolts With Torque Specifications
    G06264254Courtesy of AMERICAN HONDA MOTOR CO., INC.
  12. A/T model: Remove the transmission mount, then tighten the transmission mount stiffener mounting bolt (A) and the new transmission mount mounting bolts (B).
    Fig 12: Transmission Mount Stiffener Mounting Bolt And Transmission Mount Mounting Bolts With Torque Specifications
    G06264255Courtesy of AMERICAN HONDA MOTOR CO., INC.
  13. A/T model: Tighten the new bolt and nuts (C).
  14. Raise the vehicle on the lift.
  15. Set the front subframe adapter (VSB02C000016) to the subframe by looping the strap (A) over the front of the subframe, then secure the strap with the stop (B), then tighten the wing nut (C).
    Fig 13: Setting Front Subframe Adapter To Subframe By Looping Strap Over Front Of Subframe
    G06264256Courtesy of AMERICAN HONDA MOTOR CO., INC.
  16. Line up the slots in the arms with the bolt holes on the corner of the jack base, and tighten the bolts, then lift the subframe up to the body.
  17. Loosely install the new subframe mounting bolts.
    Fig 14: Subframe Mounting Bolts With Torque Specifications
    G06264257Courtesy of AMERICAN HONDA MOTOR CO., INC.
  18. Align the front subframe reference marks (A) to the body (B), as noted during removal. Tighten the subframe mounting bolts to the specified torque.
    Fig 15: Aligning Front Subframe Reference Marks To Body
    G06264258Courtesy of AMERICAN HONDA MOTOR CO., INC.
  19. Remove the jack and front subframe adapter.
  20. Tighten the new mid-stiffener mounting bolts on both side.
    Fig 16: Mid-Stiffener Mounting Bolts On Both Side With Torque Specifications
    G06264259Courtesy of AMERICAN HONDA MOTOR CO., INC.
  21. Install the lower torque rod, then tighten the new lower torque rod mounting bolts in the numbered sequence shown.

    M/T 

    Fig 17: Lower Torque Rod Mounting Bolts (M/T) With Torque Specifications
    G06264260Courtesy of AMERICAN HONDA MOTOR CO., INC.

    A/T 

    Fig 18: Lower Torque Rod Mounting Bolts (A/T) With Torque Specifications
    G06264261Courtesy of AMERICAN HONDA MOTOR CO., INC.
  22. M/T model: Loosely tighten the new front mount mounting bolt (A).
    Fig 19: Identifying Front Mount Mounting Bolt
    G06264262Courtesy of AMERICAN HONDA MOTOR CO., INC.
  23. Lower the vehicle on the lift.
  24. Remove the engine hanger, support eyelet, and bolt from the engine and vehicle.
  25. Tighten the upper torque rod mounting bolt.
    Fig 20: Upper Torque Rod Mounting Bolt With Torque Specifications
    G06264263Courtesy of AMERICAN HONDA MOTOR CO., INC.
  26. Raise the vehicle on the lift to full height.
  27. M/T model: Tighten the front mount mounting bolt.
    Fig 21: Front Mount Mounting Bolt With Torque Specifications
    G06264264Courtesy of AMERICAN HONDA MOTOR CO., INC.
  28. Install the A/C compressor (A), then connect the A/C compressor clutch connector (B).
    Fig 22: A/C Compressor Clutch Connector And Bolts With Torque Specifications
    G06264265Courtesy of AMERICAN HONDA MOTOR CO., INC.
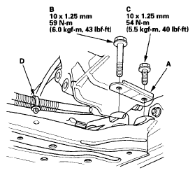
  29. Install the stiffener (A), then tighten the steering gearbox mounting bolt (B) and stiffener mounting bolt (C).
    Fig 23: Steering Gearbox Mounting Bolt And Stiffener Mounting Bolt With Torque Specifications
    G06264266Courtesy of AMERICAN HONDA MOTOR CO., INC.
  30. Install the harness clamp (D) to the subframe.
  31. Install the steering gearbox bracket (A).
    Fig 24: Steering Gearbox Bracket And Bolts With Torque Specifications
    G06264267Courtesy of AMERICAN HONDA MOTOR CO., INC.
  32. Install the stiffener (B), then tighten the steering gearbox mounting bolt (C) and stiffener mounting bolt (D).
  33. A/T model: Install the shift cable (see step 19 on TRANSMISSION INSTALLATION ).
  34. Install a new set ring on the end of each driveshaft, then install the driveshafts. Make sure each ring "clicks" into place in the differential and intermediate shaft.
  35. Connect the lower arms to the knuckles (see step 7 on REMOVAL/INSTALLATION ).
  36. Connect the stabilizer links (see STABILIZER LINK REMOVAL/INSTALLATION ).
  37. Install the three way catalytic converter (TWC) (A). Use new gaskets (B) and new self-locking nuts (C).
    Fig 25: Three Way Catalytic Converter, Gaskets And Self-Locking Nuts With Torque Specifications
    G06264268Courtesy of AMERICAN HONDA MOTOR CO., INC.
  38. Connect the air fuel ratio (A/F) sensor connector (D).
  39. Connect the secondary heated oxygen sensor (secondary HO2S) connector (E), then install the grommet (F).
  40. Install the splash shield.
    Fig 26: Identifying Splash Shield And Bolts
    G06264269Courtesy of AMERICAN HONDA MOTOR CO., INC.
  41. Lower the vehicle on the lift.
  42. Install the heater hoses.
    Fig 27: Installing Heater Hoses
    G06264270Courtesy of AMERICAN HONDA MOTOR CO., INC.
  43. A/T model: Install the automatic transmission fluid (ATF) cooler hoses (A) to the transmission, and secure the hoses with the clips (B) (see ATF COOLER HOSE REPLACEMENT ).
    Fig 28: Installing ATF Cooler Hoses To Transmission And Clips
    G06264271Courtesy of AMERICAN HONDA MOTOR CO., INC.
  44. Remove the bulkhead, then install the radiator (see RADIATOR AND FAN REPLACEMENT ).
  45. Install the idler pulley base (see step 2 on DRIVE BELT AUTO-TENSIONER REMOVAL/INSTALLATION ).
  46. Install the drive belt (see DRIVE BELT INSPECTION ).
  47. M/T model: Install the air cleaner housing bracket.
    Fig 29: Air Cleaner Housing Bracket And Bolts With Torque Specifications
    G06264272Courtesy of AMERICAN HONDA MOTOR CO., INC.
  48. M/T model: Install the shift cable (see step 30 on TRANSMISSION INSTALLATION ).
  49. M/T model: Install the clutch slave cylinder, and clutch line bracket mounting bolt (see step 37 on TRANSMISSION INSTALLATION ).
  50. Connect the fuel feed hose (see FUEL LINE/QUICK-CONNECT FITTING INSTALLATION ), then install the quick-connect fitting cover (A).
    Fig 30: Installing Quick-Connect Fitting Cover
    G06264273Courtesy of AMERICAN HONDA MOTOR CO., INC.
  51. Install the evaporative emission (EVAP) canister hose (A) and brake booster vacuum hose (B).
    Fig 31: Identifying Evaporative Emission (EVAP) Canister Hose And Brake Booster Vacuum Hose
    G06264274Courtesy of AMERICAN HONDA MOTOR CO., INC.
  52. Install the engine control module (ECM)/powertrain control module (PCM) bracket (A), then install the under-hood fuse/relay box (B) to the ECM/PCM bracket.
    Fig 32: ECM/PCM Bracket And Under-Hood Fuse/Relay Box With Torque Specifications
    G06264275Courtesy of AMERICAN HONDA MOTOR CO., INC.
  53. K20Z3 engine: Install the engine cover.
    Fig 33: Engine Cover And Nuts With Torque Specifications
    G06264276Courtesy of AMERICAN HONDA MOTOR CO., INC.
  54. Connect the ECM/PCM connectors (A) and engine wire harness connector (B).
    Fig 34: Identifying ECM/PCM Connectors And Engine Wire Harness Connector
    G06264277Courtesy of AMERICAN HONDA MOTOR CO., INC.
  55. Install the harness clamps (C).
  56. Install the ECM/PCM (A), then install the ECM/PCM cover (B).
    Fig 35: ECM/PCM Cover With Torque Specifications
    G06264278Courtesy of AMERICAN HONDA MOTOR CO., INC.
  57. Install the battery cables (A) to the under-hood fuse/relay box.
    Fig 36: Identifying Battery Cables To Under-Hood Fuse/Relay Box
    G06264279Courtesy of AMERICAN HONDA MOTOR CO., INC.
  58. Install the harness clamp (B).
  59. Install the resonator (A)
    Fig 37: Resonator And Harness Clamp With Torque Specifications
    G06264280Courtesy of AMERICAN HONDA MOTOR CO., INC.
  60. Connect the connector (B), and install the harness clamp (C).
  61. Install the under cowl-panel (see step 3 on WIPER MOTOR REPLACEMENT ).
  62. Install the air cleaner housing (see AIR CLEANER REMOVAL/INSTALLATION ).
  63. Install the front wheels.
  64. Install the battery. Clean the battery posts and cable terminals with sandpaper, then assemble them, and apply grease to prevent corrosion.
  65. A/T model: Move the shift lever to each gear, and verify that the A/T gear position indicator follows the transmission range switch.
  66. M/T model: Check that the transmission shifts into gear smoothly.
  67. Inspect for fuel leaks: Turn the ignition switch ON (II) (do not operate the starter) so the fuel pump runs for about 2 seconds and pressurizes the fuel line. Repeat this operation two or three times, then check for fuel leakage at any point in the fuel line.
  68. Refill the engine with engine oil (see step 4 on ENGINE OIL REPLACEMENT ).
  69. Refill the transmission with fluid:
  70. Refill the radiator with engine coolant, and bleed air from the cooling system with the heater valve open (see step 6 on COOLANT REPLACEMENT ).
  71. Do the ECM/PCM reset procedure (see ECM/PCM RESET ).
  72. Do the crankshaft position (CKP) pattern clear/CKP pattern learn procedure (see CRANK (CKP) PATTERN CLEAR/CRANK (CKP) PATTERN LEARN ).
  73. Inspect the idle speed (see IDLE SPEED INSPECTION ).
  74. Inspect the ignition timing (see IGNITION TIMING INSPECTION ).
  75. Check the wheel alignment (see WHEEL ALIGNMENT ).
  76. Enter the anti-theft code for the audio system and the navigation system (if equipped).
  77. Set the clock.