lemon-mirror:
Home >> Acura >> 2009 >> RL >> Repair and Diagnosis >> Transmission >> Automatic Trans >> Automatic Transmission >> Shift Cable Adjustment

Shift Cable Adjustment

  1. Remove the center console (see CENTER CONSOLE REMOVAL/INSTALLATION ).
  2. Shift the shift lever into R.
  3. Remove the nut securing the shift cable end.
    Fig 1: Identifying Nut Securing Shift Cable End
    G06164607Courtesy of AMERICAN HONDA MOTOR CO., INC.
  4. Unlock the retainer (A).
    Fig 2: Unlocking Retainer
    G06164608Courtesy of AMERICAN HONDA MOTOR CO., INC.
  5. Rotate the socket holder retainer (A) counterclockwise (B) until it stops, and push in the retainer (C) to lock it.
    Fig 3: Rotating Socket Holder Retainer Counterclockwise Until It Stops
    G06164609Courtesy of AMERICAN HONDA MOTOR CO., INC.
  6. Push the socket holder retainer (A) forward, then slide it to remove the shift cable (B) from the shift lever bracket (C). Do not remove the shift cable by pulling the shift cable guide (D).
    Fig 4: Locating Socket Holder Retainer, Shift Cable And Shift Lever Bracket
    G06164610Courtesy of AMERICAN HONDA MOTOR CO., INC.
  7. Push the shift cable (A) until it stops, then release it. Pull the shift cable back one step so that the shift position is in R. Do not hold the shift cable guide (B) to adjust the shift cable.
    Fig 5: Locating Shift Cable And Shift Cable Guide
    G06164611Courtesy of AMERICAN HONDA MOTOR CO., INC.
  8. Turn the ignition switch to ON (II), and verify that the R position indicator comes on.
    Fig 6: Identifying R Position Indicator
    G06164612Courtesy of AMERICAN HONDA MOTOR CO., INC.
  9. Turn the ignition switch to LOCK (0).
  10. Place the shift lever in the R position, then insert a 6.0 mm (0.24 in.) pin (A) through the positioning hole (B) on the shift lever bracket, through the positioning hole (C) on the shift lever, and into the positioning hole on the shift lever bracket.
    Fig 7: Identifying Shift Lever R Position
    G06164613Courtesy of AMERICAN HONDA MOTOR CO., INC.
  11. Check that the shift lever is secured in the R position.
  12. Unhinge the retainer lock (A).
    Fig 8: Unhinging Retainer Lock
    G06164614Courtesy of AMERICAN HONDA MOTOR CO., INC.
  13. Rotate the socket holder retainer (A) counterclockwise (B) until it stops to create clearance (C) between the socket holder (D) and holder retainer, and push the retainer lock (E) into the socket holder retainer to lock the retainer.
    Fig 9: Rotating Socket Holder Retainer Counterclockwise Until It Stops To Create Clearance Between Socket Holder And Holder Retainer
    G06164615Courtesy of AMERICAN HONDA MOTOR CO., INC.
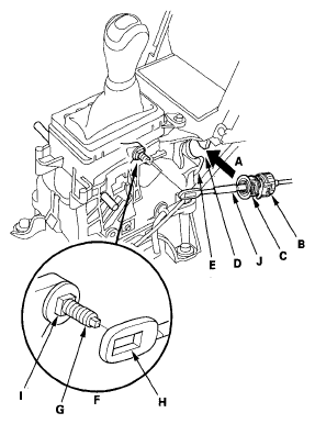
  14. Align the clearance (A) between the socket holder (B) and the socket holder retainer (C) with the opening (D) in the shift lever bracket (E), then slide the holder into the bracket with installing the shift cable end (F) over the mounting stud (G) by aligning its square hole (H) with the square fitting (I) at the bottom of the stud. Do not install the shift cable by holding the shift cable guide (J).
    NOTE: When the socket holder is installed in the shift lever bracket, the retainer lock is unhinged and releases the holder retainer lock, then the holder retainer returns under spring force to secure the shift cable.
    Fig 10: Locating Shift Cable End, Mounting Stud, Square Hole And Square Fitting
    G06164616Courtesy of AMERICAN HONDA MOTOR CO., INC.
  15. Push the retainer lock (A) fully to lock the socket holder retainer (B), and make sure that the retainer lock fits into the hinged-joint (C). If the retainer lock does not fit with the edge of the hinged-joint, rotate the holder retainer counterclockwise while pushing the retainer lock until it locks.
    Fig 11: Identifying Retainer Lock And Hinged-Joint
    G06164617Courtesy of AMERICAN HONDA MOTOR CO., INC.
  16. Check that the shift cable end is properly installed on the mounting stud.
    Fig 12: Checking Shift Cable End Is Properly Installed On Mounting Stud
    G06164618Courtesy of AMERICAN HONDA MOTOR CO., INC.
  17. If the cable end is out of position on the mounting stud, remove the shift cable from the bracket, and reinstall the shift cable. Do not install the shift cable end on the mounting stud while the shift cable is on the bracket. If the cable end rides on the bottom of the mounting stud, rotate the stud and align the square fitting with the hole.
  18. Secure the shift cable end with the nut (A).
    Fig 13: Locating Shift Cable End Nut With Torque Specifications
    G06164619Courtesy of AMERICAN HONDA MOTOR CO., INC.
  19. Remove the 6.0 mm (0.24 in.) pin (B) that was installed to hold the shift lever.
  20. Turn the ignition switch to ON (II). Move the shift lever to each position, and check that the A/T gear position indicator follows the transmission range switch.
  21. Allow all four wheels to rotate freely.
  22. Start the engine, and check the shift lever operation in all shift lever positions.
  23. Turn the engine off, shift into P, and check that the shift lock works properly. Push the shift lock release, and check that the shift lever releases.
  24. Reinstall the center console (see CENTER CONSOLE REMOVAL/INSTALLATION ).