lemon-mirror:
Home >> Acura >> 2009 >> RL >> Repair and Diagnosis >> Transmission >> Automatic Trans >> Automatic Transmission >> Transmission Reassembly

Transmission Reassembly

Special Tools Required 

Mainshaft holder set 07GAB-PF50101

  1. Make sure that the ATF magnet is cleaned and installed in the torque converter housing. Clean and install the ATF magnet, If necessary.
    Fig 1: Identifying Transmission Reassembly
    G06164832Courtesy of AMERICAN HONDA MOTOR CO., INC.
  2. Install the main separator plate and the two dowel pins on the torque converter housing. Then install the ATF pump drive gear (A), driven gear (B), and ATF pump driven gear shaft (C). Install the ATF pump driven gear with its grooved and chamfered side facing down.
    Fig 2: Locating ATF Pump Drive Gear, Driven Gear And ATF Pump Driven Gear Shaft
    G06164833Courtesy of AMERICAN HONDA MOTOR CO., INC.
  3. Install the torque converter check valve spring and valve in the torque converter housing.
  4. Install the main valve body (seven 6 mm bolts and three 8 mm bolts). Make sure the ATF pump drive gear (A) rotates smoothly in the normal operating direction, and the ATF pump driven gear shaft (C) moves smoothly in the axial and normal operating direction.
    Fig 3: Inspecting ATF Pump Drive Gear And ATF Pump Driven Gear Shaft Moves Smoothly
    G06164834Courtesy of AMERICAN HONDA MOTOR CO., INC.
  5. If the ATF pump drive gear and ATF pump driven gear shaft do not move smoothly, loosen the main valve body bolts. Realign the ATF pump driven gear shaft, and retighten the bolts to the specified torques, then recheck. Failure to align the ATF pump driven gear shaft correctly will result in a seized ATF pump drive gear or ATF pump driven gear shaft.
  6. Install the lubrication check valve, cooler check valve and cooler check valve spring in the main valve body. Install the lubrication check valve in the direction shown in the exploded view.
  7. Install the secondary separator plate and the two dowel pins on the main valve body, and install the secondary valve body (one bolt).
  8. Install the two check balls in the secondary valve body.
  9. Install the accumulator separator plate and the two dowel pins on the secondary valve body.
  10. Position the detent arm on the accumulator separator plate, and install the detent arm shaft into the detent arm through the separator plates to the main valve body.
  11. Install the 8 x 62 mm ATF feed pipes in the main valve body, and install the accumulator body (11 bolts).
  12. Install the regulator separator plate and the two dowel pins on the main valve body.
  13. Install the stator shaft with the new O-ring, and install the regulator valve body (eight bolts).
  14. Install the stator shaft stop in the main valve body.
  15. Install the ATF strainer with the new O-ring (two bolts).
  16. Install the ATF passage pipe (one bolt) in the torque converter housing.
  17. Install the intermediary shaft (A) into the main valve body, and install the 26.5 mm washer (B) on the top of the intermediary shaft.
    Fig 4: Locating Intermediary Shaft And 26.5 mm Washer With Torque Specifications
    G06164835Courtesy of AMERICAN HONDA MOTOR CO., INC.
  18. Install the transfer output shaft (C) in the torque converter housing, and install the thrust shim (D) on the top of the transfer output shaft.
  19. Install the differential assembly (E) in the torque converter housing.
  20. Install the baffle plate (F), and make sure if the differential is clear of the baffle plate.
  21. Install the baffle plate (G), and make sure if the intermediary shaft is clear of the baffle plate.
  22. Install the control shaft and park lever link (H).
  23. Assemble the mainshaft, countershaft, and secondary shaft.
  24. Install the needle bearing (A) on the secondary shaft roller bearing in the torque converter housing.
    Fig 5: Locating Needle Bearing On Secondary Shaft Roller Bearing
    G06164836Courtesy of AMERICAN HONDA MOTOR CO., INC.
  25. Turn the shift fork shaft (B) so the large chamfered hole is facing the fork bolt hole of the shift fork.
  26. Engage the shift fork (C) with the reverse selector on the countershaft, and join the mainshaft (D), countershaft (E), and secondary shaft (F), then install them in the torque converter housing and shift fork on the shift fork shaft.
  27. Secure the shift fork (A) to the shift fork shaft with the lock bolt and the new lock washer (B), then bend the lock tab of the lock washer against the bolt head.
    Fig 6: Locating Shift Fork, Lock Bolt And Lock Washer With Torque Specifications
    G06164837Courtesy of AMERICAN HONDA MOTOR CO., INC.
  28. Install the park pawl shaft (A), pawl spring (B), park pawl (C), and park pawl stop (D).
    Fig 7: Locating Park Pawl Shaft, Pawl Spring, Park Pawl And Park Pawl Stop
    G06164838Courtesy of AMERICAN HONDA MOTOR CO., INC.
  29. Align the control lever pin with the manual valve guide.
    Fig 8: Aligning Control Lever Pin With Manual Valve Guide
    G06164839Courtesy of AMERICAN HONDA MOTOR CO., INC.
  30. Hook the detent spring to the detent arm.
    Fig 9: Installing Detent Spring To Detent Arm
    G06164840Courtesy of AMERICAN HONDA MOTOR CO., INC.
  31. Install the 8 x 85 mm ATF feed pipe (A), the 8 x 151.5 mm pipes (B), and the 8 x 40 mm pipe (C) in the accumulator body.
    Fig 10: Locating 8 x 85 mm ATF Feed Pipe, 8 x 151.5 mm Pipes And 8 x 40 mm Pipe
    G06164841Courtesy of AMERICAN HONDA MOTOR CO., INC.
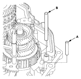
  32. Install the 8 x 57.5 mm ATF feed pipe (A) and the 10 x 123 mm pipe (B) in the torque converter housing.
    Fig 11: Locating 8 x 57.5 mm ATF Feed Pipe And 10 x 123 mm Pipe
    G06164842Courtesy of AMERICAN HONDA MOTOR CO., INC.
  33. Install the two dowel pins (A) and the new gasket (B) on the torque converter housing (C).
    Fig 12: Locating Dowel Pins, Gasket And Torque Converter Housing
    G06164843Courtesy of AMERICAN HONDA MOTOR CO., INC.
  34. Place the transmission housing (D) on the torque converter housing.
  35. Wrap a screwdriver tip with tape to prevent damage to the reverse idler gear teeth. Engage the reverse idler gear with the reverse gears by rotating the idler gear with the screwdriver.
    Fig 13: Reversing Idler Gear Teeth
    G06164844Courtesy of AMERICAN HONDA MOTOR CO., INC.
  36. While expanding the snap ring of the countershaft bearing using snap ring pliers, install the transmission housing onto the bearing part-way. Then release the snap ring pliers, and push down on the housing until it bottoms and the snap ring snaps into place in the transmission housing snap ring groove.
    Fig 14: Expanding Snap Ring Of Countershaft Bearing Using Snap Ring Pliers
    G06164845Courtesy of AMERICAN HONDA MOTOR CO., INC.
  37. Install the transmission housing mounting bolts (A) (21 bolts) along with the transmission hanger (B) and ground terminal bracket (C), and tighten the bolts in at least two steps in a criss-cross pattern to 44 N.m (4.5 kgf.m, 33 lbf.ft).
    Fig 15: Locating Transmission Housing Mounting Bolts, Transmission Hanger And Ground Terminal Bracket With Torque Specifications
    G06164846Courtesy of AMERICAN HONDA MOTOR CO., INC.
  38. Install and tighten the two mounting bolts (D) to 39 N.m (4.0 kgf.m, 29 lbf.ft). Keep the mounting bolts free of grease or oil.
  39. Install and tighten the 12 x 1.25 mm bolt (E) to 64 N.m (6.5 kgf.m, 47 lbf.ft).
  40. Install the special tool onto the mainshaft.
    Fig 16: Installing Special Tool Onto Mainshaft
    G06164847Courtesy of AMERICAN HONDA MOTOR CO., INC.
  41. Install the new lock washer (A) with the marked side (B) up over the mainshaft (C), and apply ATF to surfaces of the lock washer and old locknut (D).
    Fig 17: Locating Lock Washer Marked Side, Mainshaft And Locknut
    G06164848Courtesy of AMERICAN HONDA MOTOR CO., INC.
  42. Install the old locknut, and tighten it to seat the lock washer to 178 N.m (18.2 kgf.m, 132 lbf.ft), then remove the old locknut.
  43. Install the new locknut and tighten it to 178 N.m (18.2 kgf.m, 132 lbf.ft), then stake the locknut to a depth (A) of 0.7-1.3 mm (0.03-0.05 in.) using a 3.5 mm punch (B).
    Fig 18: Staking Locknut
    G06164849Courtesy of AMERICAN HONDA MOTOR CO., INC.
  44. Install the end cover (A), dowel pin (B), and new O-ring (C).
    Fig 19: Locating End Cover, Dowel Pin And O-Ring With Torque Specifications
    G06164850Courtesy of AMERICAN HONDA MOTOR CO., INC.
  45. Install the snap ring cap (D) and the new O-ring (E).
  46. Apply thread lock sealant to the threads of the sealing plug (F), and install the sealing plug and the new sealing washer (G).
  47. Install the new O-ring (E) on the solenoid harness connector (F).
    Fig 20: Locating O-Ring On Solenoid Harness Connector With Torque Specifications
    G06164851Courtesy of AMERICAN HONDA MOTOR CO., INC.
  48. Route the solenoid harness through the transmission housing, and install the solenoid harness connector.
  49. Connect the harness terminals to the solenoid:
    • YEL wire connector to shift solenoid valve A.
    • GRN wire connector to shift solenoid valve C.
    • RED wire connector to shift solenoid valve B.
    • ORN wire connector to shift solenoid valve D.
  50. Secure the solenoid harness connector with the bolt on the transmission housing.
  51. Install the solenoid valve cover (A) with the two dowel pins (B) and the new gasket (C), and secure it with the seven bolts.
    Fig 21: Locating Solenoid Valve Cover, Dowel Pins And Gasket
    G06164852Courtesy of AMERICAN HONDA MOTOR CO., INC.
  52. Place the new gasket (A) on the solenoid valve cover, then install the 8 x 105.8 mm ATF feed pipe (B) and the 8 x 58.3 mm pipes (C) with the filter end in the transmission housing.
    Fig 22: Locating Solenoid Valve Cover Gasket, 8 x 105.8 mm ATF Feed Pipe And 8 x 58.3 mm Pipes
    G06164853Courtesy of AMERICAN HONDA MOTOR CO., INC.
  53. Install the new O-rings (D) over the ATF feed pipes, and install A/T clutch pressure control solenoid valves A and B (E).
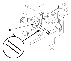
  54. Install the 8 x 53 mm ATF joint pipe (A) with the filter end into its mounting hole (B).
    Fig 23: Locating 8 x 53 mm ATF Joint Pipe And Mounting Hole
    G06164854Courtesy of AMERICAN HONDA MOTOR CO., INC.
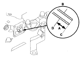
  55. Check the height (A) of the 8 x 53 mm ATF joint pipe (B) between the top (C) of the pipe and the solenoid valve body mounting surface (D). The height is about 7 mm (0.3 in.) If the height is over 7 mm (0.3 in.), install the pipe securely until it stops the accumulator body.
    Fig 24: Checking Height Of 8 x 53 mm ATF Joint Pipe Between Top Of Pipe And Solenoid Valve Body Mounting Surface
    G06164855Courtesy of AMERICAN HONDA MOTOR CO., INC.
  56. Install the new gasket (A) on the transmission housing. Install the 8 x 34.5 mm ATF pipe (B) with the filter end in the transmission housing, and install the 8 x 25.5 mm ATF pipe (D).
    Fig 25: Locating Transmission Housing Gasket, 8 x 34.5 mm ATF Pipe And 8 x 25.5 mm ATF Pipe With Torque Specifications
    G06164856Courtesy of AMERICAN HONDA MOTOR CO., INC.
  57. Install new O-rings (E) over the ATF joint pipes.
  58. Install A/T clutch pressure control solenoid valve C.
  59. With a 6.0 mm wrench, turn the control shaft fully counterclockwise (viewed from the shaft end) to the P position. Turn the control shaft back two click-stopped positions so that it is in the N position.
    Fig 26: Identifying Control Shaft P To N Position
    G06164857Courtesy of AMERICAN HONDA MOTOR CO., INC.
  60. Set the transmission range switch (A) to the N position. The transmission range switch clicks in the N position, and the selector control shaft hole (B) aligns with the N positioning line.
    Fig 27: Identifying N Positioning Line
    G06164858Courtesy of AMERICAN HONDA MOTOR CO., INC.
  61. Install the transmission range switch gently over the selector control shaft (C), and install the bolts loosely.
  62. Install the new lock washer (A) over the selector control shaft (B) by aligning the indicator tab (C) of the lock washer with the N positioning line (D) on the transmission range switch (E), and install the locknut (F).
    Fig 28: Locating Indicator Tab And N Positioning Line With Torque Specifications
    G06164859Courtesy of AMERICAN HONDA MOTOR CO., INC.
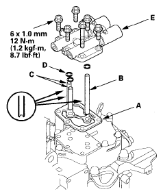
  63. Push the locknut against the transmission housing to seat the range switch into the selector control shaft, and tighten the locknut to 12 N.m (1.2 kgf.m, 8.7 lbf.ft) while holding the selector control shaft with a 6 mm wrench, then bend the lock tabs against the locknut.
    Fig 29: Tightening Locknut
    G06164860Courtesy of AMERICAN HONDA MOTOR CO., INC.
  64. Tighten the range switch mounting bolts to 12 N.m (1.2 kgf.m, 8.7 lbf.ft).
  65. Install the control lever (A), spring washer (B), lock washer (C), and locknut (D) on the selector control shaft (E). Bend the lock tab of the lock washer against the locknut.
    Fig 30: Locating Control Lever, Spring Washer, Lock Washer And Locknut
    G06164861Courtesy of AMERICAN HONDA MOTOR CO., INC.
  66. Install the new O-ring (A) on the input shaft (mainshaft) speed sensor (B), and install the input shaft (mainshaft) speed sensor.
    Fig 31: Locating O-Ring And Input Shaft (Mainshaft) Speed Sensor
    G06164862Courtesy of AMERICAN HONDA MOTOR CO., INC.
  67. Install the new O-ring (C) on the output shaft (countershaft) speed sensor (D), and install the output shaft (coutershaft) speed sensor.
  68. Install the 4th clutch transmission fluid pressure switch (A) with the new sealing washer (B). Tighten the switch by gripping the metal part.
    Fig 32: Locating 4th Clutch Transmission Fluid Pressure Switch And Sealing Washer
    G06164863Courtesy of AMERICAN HONDA MOTOR CO., INC.
  69. Install the 3rd clutch transmission fluid pressure switch (A) with the new sealing washer (B). Tighten the switch by gripping the metal part.
    Fig 33: Locating 3rd Clutch Transmission Fluid Pressure Switch And Sealing Washer With Torque Specifications
    G06164864Courtesy of AMERICAN HONDA MOTOR CO., INC.
  70. Install the ATF cooler lines (C) with the new sealing washers (D) and the line bolts (E).
  71. Secure the ATF lines with the 6.0 mm bolts (F). Tighten the bolt to 12 N.m (1.2 kgf.m, 8.7 lbf.ft).
  72. Install the ATF temperature sensor (G) with the new O-ring (H). Install the harness clamp on the clamp bracket, and install the connector on the connector bracket.
  73. Install the 2nd clutch transmission fluid pressure switch (A) with the new sealing washer (B). Tighten the switch by gripping the metal part.
    Fig 34: Locating 2nd Clutch Transmission Fluid Pressure Switch And Sealing Washer With Torque Specifications
    G06164865Courtesy of AMERICAN HONDA MOTOR CO., INC.
  74. Install the ATF dipstick guide tube (A) with the new O-ring (B).
    Fig 35: Locating ATF Dipstick Guide Tube And O-Ring With Torque Specifications
    G06164866Courtesy of AMERICAN HONDA MOTOR CO., INC.
  75. Install the ATF dipstick (C) in the guide tube.