lemon-mirror:
Home >> Acura >> 2009 >> TL Base >> Repair and Diagnosis >> Body & Frame >> Door Locks >> Keyless Access System >> Remote Slot Test/Replacement

Remote Slot Test/Replacement

  1. Remove the column covers (see STEERING COLUMN COVER REMOVAL/INSTALLATION ).
  2. Remove the driver's center trim (see DASHBOARD CENTER TRIM REMOVAL/INSTALLATION ).
  3. Remove the two screws, then pull out the remote slot (A).
    Fig 1: Identifying Remote Slot And Remote Slot 16P Connector Terminals
    G06680449Courtesy of AMERICAN HONDA MOTOR CO., INC.
  4. Disconnect the 16P connector (B) from the remote slot.
  5. Check for continuity between the terminals in each slot state according to the table.
    NOTE: Make sure the correct test lead (+ or -) is placed on the terminal.
    Fig 2: Terminals Continuity Chart
    G06680450Courtesy of AMERICAN HONDA MOTOR CO., INC.
  6. If the continuity is not as specified, replace the remote slot.
  7. Insert the remote into the remote slot.
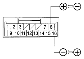
  8. Connect the positive battery terminal to remote slot connector terminal No. 16, and the negative battery terminal to terminal No. 8. Check that the remote cannot be removed from the remote slot. Connect the positive battery terminal to remote slot connector terminal No. 8, and the negative battery terminal to terminal No. 16. Check that the remote can be removed from the remote slot.
    Fig 3: Connecting Positive Battery Terminal To Remote Slot Connector Terminal No. 16 And Negative Battery Terminal To Terminal No. 8
    G06680451Courtesy of AMERICAN HONDA MOTOR CO., INC.
  9. If the remote interlock solenoid works improperly, replace the remote slot.
  10. Install the remote slot in the reverse order of removal.