lemon-mirror:
Home >> Acura >> 2009 >> TL Base >> Repair and Diagnosis >> Engine Performance >> Ignition System >> Circuit Diagram

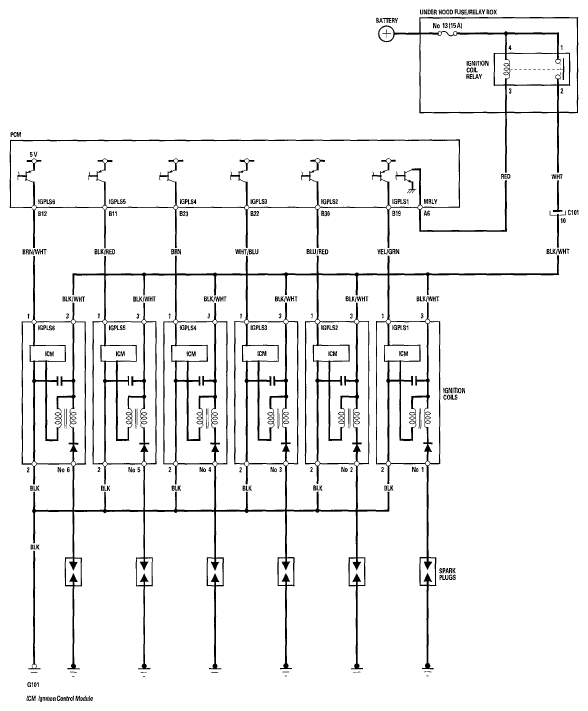
Circuit Diagram

Fig 1: Ignition System Circuit Diagram
G05986533Courtesy of AMERICAN HONDA MOTOR CO., INC.