lemon-mirror:
Home >> Acura >> 2011 >> RL >> Repair and Diagnosis >> Engine Performance >> System >> Advanced Diagnostics -- RL >> DTC P0627: Fuel Pump Control System Malfunction >> Notes

DTC P0627: Fuel Pump Control System Malfunction: Notes

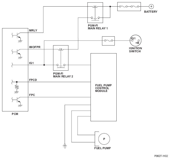
Fig 1: Fuel Pump Control Module - Circuit Diagram
G08547080