lemon-mirror:
Home >> Acura >> 2011 >> TL Base >> Repair and Diagnosis >> Body & Frame >> Windows >> Power Window System >> Circuit Diagram

Circuit Diagram

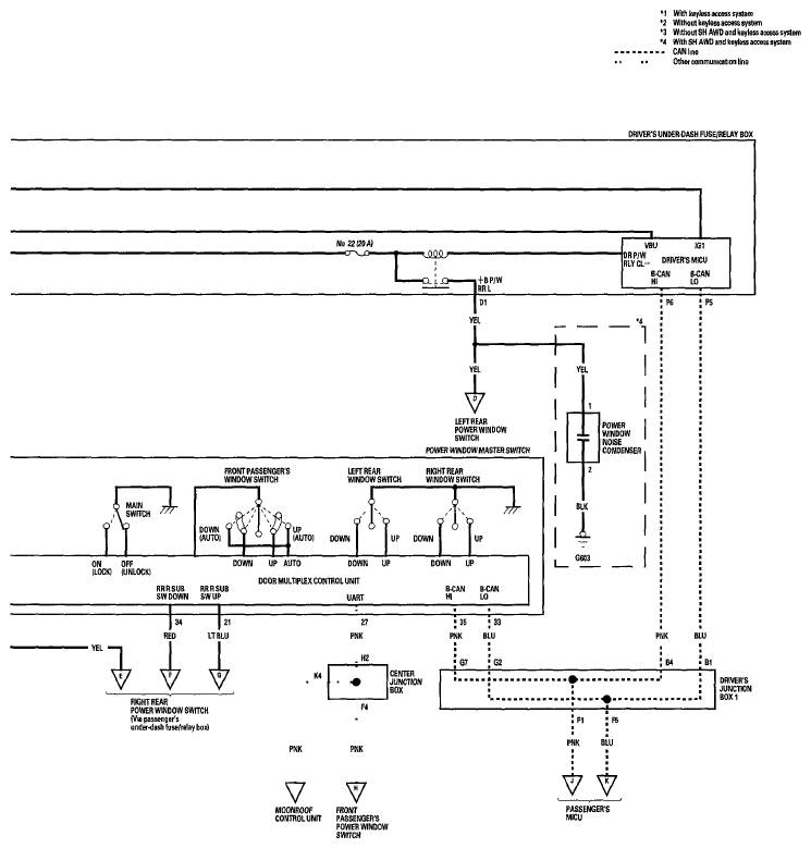
Fig 1: Power Window - Circuit Diagram (1 Of 3)
G05988995Courtesy of AMERICAN HONDA MOTOR CO., INC.
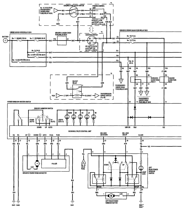
Fig 2: Power Window - Circuit Diagram (2 Of 3)
G05988996Courtesy of AMERICAN HONDA MOTOR CO., INC.
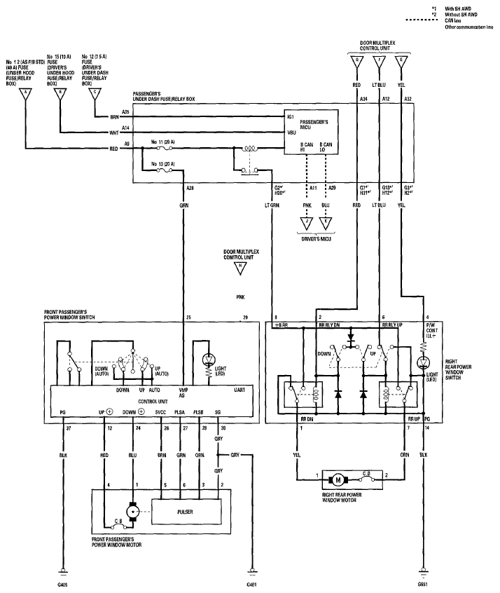
Fig 3: Power Window - Circuit Diagram (3 Of 3)
G05988997Courtesy of AMERICAN HONDA MOTOR CO., INC.