lemon-mirror:
Home >> Acura >> 2011 >> TL Base >> Repair and Diagnosis >> Engine Mechanical >> Auxiliary Emission Control Systems >> EVAP System >> FTP Sensor Replacement >> Without SH-AWD

Without SH-AWD

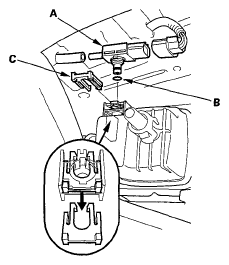
  1. Remove the bolt (A), and disconnect the EVAP canister vent shut valve 2P connector (B), the FTP sensor 3P connector (C), and the hoses (D)
    Fig 1: EVAP Canister Vent Shut Valve 2P Connector And FTP Sensor 3P Connector With Torque Specifications
    G05990566Courtesy of AMERICAN HONDA MOTOR CO., INC.
  2. Remove the bolts (E), and move the EVAP canister assembly (F) to the rear
  3. Remove the FTP sensor (A)
    Fig 2: Identifying FTP Sensor
    G05990567Courtesy of AMERICAN HONDA MOTOR CO., INC.
  4. Install the parts in the reverse order of removal with a new O-ring (B) and a new retainer (C)