lemon-mirror:
Home >> Acura >> 2011 >> TL Base >> Repair and Diagnosis >> Transmission >> Automatic Trans >> Automatic Transmission >> Transmission Installation

Transmission Installation

Special Tools Required 

These special tools are available through the Acura

Tool and Equipment Program 888-424-6857

NOTE: Use fender covers to avoid damaging painted surfaces
  1. If you did not clean the ATF cooler when you removed the transmission, and you are installing an overhauled or remanufactured transmission, clean the ATF cooler (see ATF COOLER CLEANING )
  2. Install a new O-ring (A) on the torque converter (B), then install the torque converter on the mainshaft (C)
    NOTE: Make sure the torque converter is fully engaged on the mainshaft, the stator shaft, and the ATF pump drive gear. Failure to do so will result in severe transmission or engine damage.
    Fig 1: Identifying O-Ring On Torque Converter
    G05990859Courtesy of AMERICAN HONDA MOTOR CO., INC.
  3. Install the 14 x 20 mm dowel pin (D) and the 10 x 20 mm dowel pin (E) in the torque converter housing
  4. Place the transmission on a jack, and raise the transmission to the engine level, then fit the transmission to the engine
  5. Attach the transmission to the engine, and install the lower transmission housing mounting bolts
    Fig 2: Lower Transmission Housing Mounting Bolts With Torque Specification
    G05990860Courtesy of AMERICAN HONDA MOTOR CO., INC.
  6. Install the rear transmission housing mounting bolts
    NOTE: Be careful not to damage the CKP sensor
    Fig 3: Rear Transmission Housing Mounting Bolts With Torque Specification
    G05990861Courtesy of AMERICAN HONDA MOTOR CO., INC.
  7. Install the front transmission housing mounting bolt
    Fig 4: Front Transmission Housing Mounting Bolt With Torque Specification
    G05990862Courtesy of AMERICAN HONDA MOTOR CO., INC.
  8. Install the front mount bracket with new bolts
    Fig 5: Front Mount Bracket Bolts With Torque Specification
    G05990863Courtesy of AMERICAN HONDA MOTOR CO., INC.
  9. Remove the jack
  10. Install the upper transmission housing mounting bolts
    Fig 6: Upper Transmission Housing Mounting Bolts With Torque Specification
    G05990864Courtesy of AMERICAN HONDA MOTOR CO., INC.
  11. Plug the driveshaft hole to prevent dirt and solvent from entering the transmission. Clean the areas where the intermediate shaft contacts the transmission (differential) with solvent, and dry with compressed air.
    NOTE: Do not wash the rubber parts with solvent.
  12. Install a new set ring (A) on the intermediate shaft (B)
    Fig 7: Ring On Intermediate Shaft With Torque Specifications
    G05990865Courtesy of AMERICAN HONDA MOTOR CO., INC.
  13. Check the oil seal (C), and replace it if it is damaged
  14. Apply ATF to the intermediate shaft splines (C), then install the intermediate shaft Be sure not to allow dust or other foreign particles to enter the transmission
    NOTE: Insert the intermediate shaft carefully to prevent damaging the oil seal.
  15. Install the rear warm up three way catalytic converter (WU-TWC) bracket (D)
  16. Connect the crankshaft position (CKP) sensor connector (A), and install the CKP sensor cover (B) and the sensor harness clamp bracket (C)
    Fig 8: Crankshaft Position (CKP) Sensor Connector With Torque Specifications
    G05990866Courtesy of AMERICAN HONDA MOTOR CO., INC.
  17. Clean the areas where the left driveshaft contacts the transmission (differential) with solvent, and dry with compressed air.
    NOTE: Do not wash the rubber parts with solvent.
  18. Install a new set ring (A) on the left driveshaft (B)
    Fig 9: Identifying Ring On Left Driveshaft
    G05990867Courtesy of AMERICAN HONDA MOTOR CO., INC.
  19. Check the oil seal (C), and replace it if it is damaged.
  20. Install the left driveshaft; be sure not to allow dust or other foreign particles to enter the transmission. Turn the steering knuckle fully outward, and slide the driveshaft into the differential until you feel its set ring fully engage the side gear.
    NOTE: Insert the left driveshaft horizontally to prevent damaging the oil seal.
  21. Apply right driveshaft inboard joint splines with the recommended grease. (See FRONT DRIVESHAFT INSTALLATION step 1).
  22. Slide the right driveshaft over the intermediate shaft splines until you feel the driveshaft fully engage the intermediate shaft set ring
  23. Set the front subframe adapter (VSB02C000016) to the front subframe by looping the strap (A) over the front of the front subframe, then secure the strap with the stop (B), then tighten the wing nut (C)
    Fig 10: Identifying Front Subframe Adapter And Wing Nut
    G05990868Courtesy of AMERICAN HONDA MOTOR CO., INC.
  24. Raise the front subframe up to the body, then loosely install new front subframe mounting bolts (A), the front stiffener mounting bolts (B), and new rear stiffener mounting bolts (C)
    NOTE: Be careful when connecting these items
    • Front engine mount and its bracket
    • Transmission lower mount and front subframe
    • Damper forks and lower arms
      Fig 11: Front And Rear Stiffener Mounting Bolts With Torque Specifications
      G05990869Courtesy of AMERICAN HONDA MOTOR CO., INC.
  25. Loosely tighten the front subframe mounting bolt (A) in the right rear stiffener until the front subframe insulator contacts the body, insert the subframe alignment pin (070AG-SJAA10S) through the positioning slot (B) on the right rear stiffener, through the positioning hole (C) on the front subframe, and into the positioning hole on the body
    Fig 12: Positioning Slot On Right Rear Stiffener With Torque Specifications
    G05990870Courtesy of AMERICAN HONDA MOTOR CO., INC.
  26. Loosely tighten the front subframe mounting bolt in the left rear stiffener in the same manner as in step 21
  27. Reinsert the subframe alignment pin through the positioning slot on the right rear stiffener, through the positioning hole on the front subframe, and into the positioning hole on the body, then tighten the front subframe mounting bolt to the specified torque
  28. Tighten the front subframe mounting bolt in the left rear stiffener in the same manner as in step 23
  29. Tighten the front subframe mounting bolts in the right front stiffener and the left front stiffener to the specified torque
  30. Check that the positioning holes and slots are aligned using the subframe alignment pin
  31. Tighten the rear and front stiffener mounting bolts to the specified torque
  32. Remove the jack and the front subframe adapter
  33. Replace the front subframe middle mount bolts, then tighten the bolts to the specified torque
    Fig 13: Front Subframe Middle Mount Bolts With Torque Specification
    G05990871Courtesy of AMERICAN HONDA MOTOR CO., INC.
  34. Install the transmission lower mount nuts
    Fig 14: Transmission Lower Mount Nuts With Torque Specification
    G05990872Courtesy of AMERICAN HONDA MOTOR CO., INC.
  35. Attach the torque converter to the drive plate with eight bolts (A) Rotate the crankshaft pulley as necessary to tighten the bolts to half of the specified torque, then to the final torque, in a crisscross pattern After tightening the last bolt, check that the crankshaft rotates freely
    Fig 15: Torque Converter To Drive Plate Bolts With Torque Specifications
    G05990873Courtesy of AMERICAN HONDA MOTOR CO., INC.
  36. Install the torque converter cover (B)
  37. With SH-AWD Install the dowel pin (A) in the transmission, and install the transfer assembly (B) on the transmission
    Fig 16: Torque Converter Cover And Dowel Pin In Transmission With Torque Specification
    G05990874Courtesy of AMERICAN HONDA MOTOR CO., INC.
  38. With SH-AWD Secure the transfer breather tube bracket (A) on the transfer assembly with the bolt, and install the breather tube (B) over the breather pipe (C) If the breather tube was removed from the clamp, install the tube at the dot make (D) in the direction shown
    Fig 17: Transfer Breather Tube, Breather Tube, Breather Pipe With Torque Specification
    G05990875Courtesy of AMERICAN HONDA MOTOR CO., INC.
  39. With SH-AWD Install the No 1 propeller shaft (A) to the transfer companion flange (B) by aligning the reference mark(C)
    Fig 18: Propeller Shaft To Transfer Companion Flange With Torque Specification
    G05990876Courtesy of AMERICAN HONDA MOTOR CO., INC.
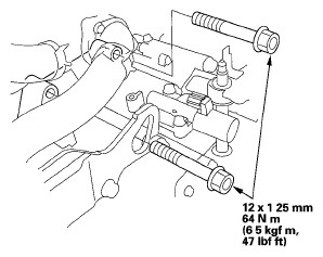
  40. Install the damper forks (A) with the damper pinch bolts, and install the ball joints (B) to each lower arms (C)
    Fig 19: Damper Forks And Damper Pinch Bolts With Torque Specifications
    G05990877Courtesy of AMERICAN HONDA MOTOR CO., INC.
  41. Install new damper fork bolts (D) and new self-locking nuts (E), and secure the ball joints with new castle nuts (F)
    NOTE: Do not install the cotter pin (G) onto the castle nut until the castle nut tightened to the specified torque
  42. Install exhaust pipe A with new self-locking nuts and new gaskets (B) (C)
    Fig 20: Exhaust Pipe A, Self-Locking Nuts And Gaskets With Torque Specifications
    G05990878Courtesy of AMERICAN HONDA MOTOR CO., INC.
  43. Install the front subframe stiffener with new mounting bolts
    Fig 21: Front Subframe Stiffener And Mounting Bolts With Torque Specification
    G05990879Courtesy of AMERICAN HONDA MOTOR CO., INC.
  44. Install the vacuum hose (A) to the joint, and install the vacuum hose on its clamp (B) at the make (C).
    Fig 22: Identifying Vacuum Hose To Joint
    G05990880Courtesy of AMERICAN HONDA MOTOR CO., INC.
  45. Install a new rear engine mount bolt (A), then install the rear engine mount stop (B) and the heat shield (C) with new nuts (D)
    Fig 23: Rear Engine Mount Bolt And Heat Shield With Torque Specifications
    G05990881Courtesy of AMERICAN HONDA MOTOR CO., INC.
  46. Install new upper transmission mount bracket bolts (A) and a new nut (B)
    NOTE: If bolt (C) was removed by mistake during removal, the upper transmission mount bracket must be replaced as an assembly
    Fig 24: Upper Transmission Mount Bracket Bolts And Nut With Torque Specifications
    G05990882Courtesy of AMERICAN HONDA MOTOR CO., INC.
  47. Install a new front engine mount bolt (A), then install the front engine mount stop (B) and the clamp bracket (C) with new nuts (D)
    Fig 25: Front Engine Mount Bolt , Clamp Bracket And Nuts With Torque Specifications
    G05990883Courtesy of AMERICAN HONDA MOTOR CO., INC.
  48. Install the vacuum hose (E) to the vacuum pipe (F), and install the vacuum pipe on its clamp (G)
  49. Remove the engine support hanger, engine hanger balancer bar, and the 2008 V6 attachment arm
  50. Install the connector bracket to the front cylinder head
    Fig 26: Front Cylinder Head To Connector Bracket With Torque Specification
    G05990884Courtesy of AMERICAN HONDA MOTOR CO., INC.
  51. Install the harness clamp bracket to the rear cylinder head
    Fig 27: Harness Clamp Bracket To Rear Cylinder Head With Torque Specification
    G05990885Courtesy of AMERICAN HONDA MOTOR CO., INC.
  52. Install the ATF cooler line bracket
    Fig 28: ATF Cooler Line Bracket With Torque Specification
    G05990886Courtesy of AMERICAN HONDA MOTOR CO., INC.
  53. Connect the ATF cooler hoses (A) to the ATF cooler lines (B), and secure the hoses with the clips (C) (see ATF COOLER HOSE REPLACEMENT )
    Fig 29: Identifying ATF Cooler Hoses Connection
    G05990887Courtesy of AMERICAN HONDA MOTOR CO., INC.
  54. Connect the 2nd clutch transmission fluid pressure switch connector
    Fig 30: Identifying 2nd Clutch Transmission Fluid Pressure Switch Connector
    G05990888Courtesy of AMERICAN HONDA MOTOR CO., INC.
  55. Secure the harness clamp bracket with the bolt
    Fig 31: Harness Clamp Bracket Bolt With Torque Specification
    G05990889Courtesy of AMERICAN HONDA MOTOR CO., INC.
  56. Install the harness cover (A) on its bracket (B), and secure it with the harness cover mounting bolt
    Fig 32: Harness Cover On Bracket And Harness Cover Mounting Bolt With Torque Specification
    G05990890Courtesy of AMERICAN HONDA MOTOR CO., INC.
  57. Connect the A/T clutch pressure control solenoid valve C connector (C)
  58. Install the harness clamp (D) on the bracket
  59. Connect these connectors
    • 3rd clutch transmission fluid pressure switch connector (A)
    • Output shaft (countershaft) speed sensor connector (B)
    • ATF temperature sensor connector (C)
      Fig 33: Identifying 3rd Clutch Transmission Fluid Pressure Switch Connector
      G05990891Courtesy of AMERICAN HONDA MOTOR CO., INC.
  60. Install the harness clamp (D) on its bracket
  61. Connect these connectors
    • Transmission range switch connector (A)
    • Input shaft (mainshaft) speed sensor connector (B)
      Fig 34: Identifying Harness Clamp On Bracket
      G05990892Courtesy of AMERICAN HONDA MOTOR CO., INC.
  62. Install the harness cover (A) on its bracket (B), and secure it with the bolt
    Fig 35: Harness Cover On Bracket And Bolt With Torque Specification
    G05990893Courtesy of AMERICAN HONDA MOTOR CO., INC.
  63. Connect these connectors
    • A/T clutch pressure control solenoid valve A connector (C)
    • A/T clutch pressure control solenoid valve B connector (D)
    • 4th clutch transmission fluid pressure switch connector (E)
    • Shift solenoid wire harness connector (F)
  64. Apply molybdenum grease to the hole in the bushing (A) in the shift cable end (B), then install the shift cable bracket (C) with the nuts.
    Fig 36: Bushing In Shift Cable End With Torque Specifications
    G05990894Courtesy of AMERICAN HONDA MOTOR CO., INC.
  65. Attach the shift cable end to the selector control lever (D), then insert the control pin (E) into the selector control lever hole through the shift cable end, and secure the control pin with the spring clip (F).
  66. Install the starter (A), a new gasket (B), and the harness clamp bracket (C) Secure the mounting bolt (D) through the harness clamp bracket hose (E), and into the lower mounting bolt thread hole (F)
    Fig 37: Identifying Starter, Gasket And Harness Clamp Bracket Mounting Bolt
    G05990895Courtesy of AMERICAN HONDA MOTOR CO., INC.
  67. Install the harness clamp bracket (A), and install the harness clamp (B) on its bracket
    Fig 38: Harness Clamp Bracket With Torque Specifications
    G05990896Courtesy of AMERICAN HONDA MOTOR CO., INC.
  68. Install the positive starter cable (C) and the S terminal connector (D)
  69. Install the transmission ground terminal (E), and install the water hose (F) in its clamp (G)
  70. Install the front strut brace mounting bolts (A), and loosely install the front strut brace mounting nuts (B)
    Fig 39: Front Strut Brace Mounting Bolts With Torque Specifications
    G05990897Courtesy of AMERICAN HONDA MOTOR CO., INC.
  71. Install the vacuum hose (C) on the front strut brace
  72. Install the battery base (A), and install the harness clamp (B) and the bolt (C)
    Fig 40: Harness Clamp And Bolt With Torque Specifications
    G05990898Courtesy of AMERICAN HONDA MOTOR CO., INC.
  73. Connect the steering joint onto the steering gearbox pinion shaft (see step 3 on INSTALLATION )
  74. Install the steering wheel (see STEERING WHEEL INSTALLATION ).
  75. Install the air cleaner assembly (see THROTTLE BODY CLEANING )
  76. Do the battery installation procedure (see BATTERY REMOVAL AND INSTALLATION )
  77. Refill the transmission with ATF (see ATF REPLACEMENT )
  78. Place a floor jack under the lower arm, and raise the front suspension to load it with the vehicle's weight. Do not place the jack against the ball joint pin of the knuckle. Tighten the damper fork mounting nut while holding the mounting bolt to 64 N.m (6.5 kgf.m, 47 lbf.ft), and tighten the damper pinch bolts to 49 N.m (5.0 kgf.m, 36 lbf.ft).
  79. Tighten the ball joint mounting castle nuts to 93-103 N m (9 5-10.5 kgf m, 69-75 9 lbf ft), then install new cotter pins onto the castle nuts, then bend the cotter pin ends (see step 7 on REMOVAL/INSTALLATION )
  80. Tighten the front strut brace mounting nuts to 22 N m (2 2 kgf m, 16 lbf ft)
  81. Install the engine compartment covers (see ENGINE COMPARTMENT COVER REPLACEMENT )
  82. Reinstall the hood support struts to the upper location on both sides of the hood.
  83. Install the splash shield.
  84. Install the wheels.
  85. Set the parking brake Start the engine, and shift the transmission through all positions three times Check the shift lever operation, A/T gear position indicator operation, and shift cable adjustment.
  86. Check and adjust the front wheel alignment (see WHEEL ALIGNMENT ).
  87. Start the engine in P or N position, and warm it up to normal operating temperature (the radiator fan comes on)
  88. Turn off the engine, and check the ATF level (see ATF LEVEL CHECK )
  89. Do the road test (see ROAD TEST )