lemon-mirror:
Home >> Acura >> 2012 >> MDX >> Repair and Diagnosis >> Electrical >> Starter >> Starting System >> Circuit Diagram

Circuit Diagram

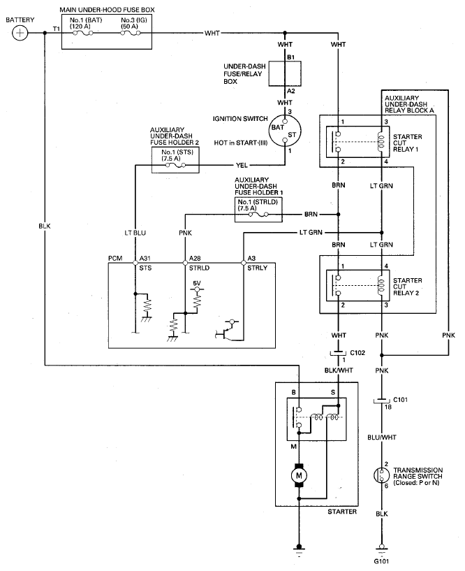
Fig 1: Starting System Circuit Diagram
G08051933Courtesy of AMERICAN HONDA MOTOR CO., INC.