lemon-mirror:
Home >> Acura >> 2012 >> RL >> Repair and Diagnosis >> Electrical >> Starter >> Starting System >> Circuit Diagram

Circuit Diagram

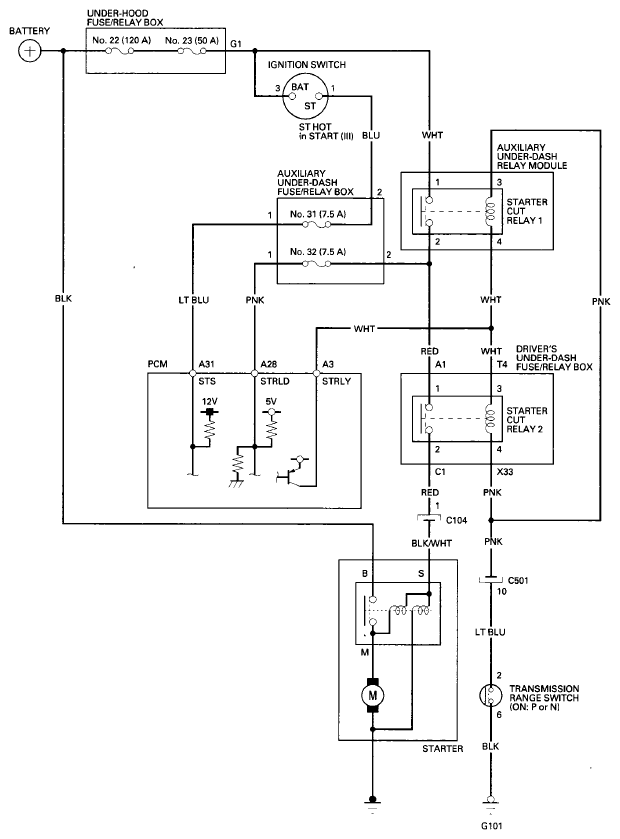
Fig 1: Starting System Circuit Diagram
G07353436Courtesy of AMERICAN HONDA MOTOR CO., INC.