lemon-mirror:
Home >> Acura >> 2012 >> RL >> Repair and Diagnosis >> Transmission >> Automatic Trans >> Automatic Transmission >> Shift Cable Adjustment

Shift Cable Adjustment

  1. Remove the center console (see CENTER CONSOLE REMOVAL/INSTALLATION ).
  2. Shift the shift lever to R.
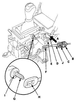
  3. Remove the nut (A) securing the shift cable end (B).
    Fig 1: Removing Nut Securing Shift Cable End
    G07362469Courtesy of AMERICAN HONDA MOTOR CO., INC.
  4. Unlock the retainer (A).
    Fig 2: Identifying Retainer
    G07362470Courtesy of AMERICAN HONDA MOTOR CO., INC.
  5. Rotate the socket holder retainer (A) counterclockwise (B) until it stops, and push in the retainer (C) to lock it.
    Fig 3: Identifying Socket Holder Retainer
    G07362471Courtesy of AMERICAN HONDA MOTOR CO., INC.
  6. Push the socket holder retainer (A) forward, then slide it to remove the shift cable (B) from the shift lever bracket (C). Do not remove the shift cable by pulling the shift cable guide (D).
    Fig 4: Identifying Socket Holder Retainer
    G07362472Courtesy of AMERICAN HONDA MOTOR CO., INC.
  7. Push the shift cable (A) until it stops, then release it. Pull the shift cable back one step so that the shift position is in R. Do not hold the shift cable guide (B) to adjust the shift cable.
    Fig 5: Pushing Shift Cable
    G07362473Courtesy of AMERICAN HONDA MOTOR CO., INC.
  8. Turn the ignition switch to ON (II), and check that the R position indicator comes on.
    Fig 6: Identifying Ignition Switch Position
    G07362474Courtesy of AMERICAN HONDA MOTOR CO., INC.
  9. Turn the ignition switch to LOCK (0).
  10. Place the shift lever in R, then insert a 6.0 mm (0.24 in) pin (A) into the positioning hole (B) on the shift lever bracket, through the positioning hole (C) on the shift lever, and into the positioning hole on the shift lever bracket. Use only a 6.0 mm (0.24 in) pin with no burrs.
    Fig 7: Inserting Into Positioning Hole
    G07362475Courtesy of AMERICAN HONDA MOTOR CO., INC.
  11. Check that the shift lever is secured in the R position.
  12. Unhinge the retainer lock (A).
    Fig 8: Identifying Retainer Lock
    G07362476Courtesy of AMERICAN HONDA MOTOR CO., INC.
  13. Rotate the socket holder retainer (A) counterclockwise (B) until it stops to create clearance (C) between the socket holder (D) and holder retainer, and push the retainer lock (E) into the socket holder retainer to lock the retainer.
    Fig 9: Identifying Socket Holder Retainer
    G07362477Courtesy of AMERICAN HONDA MOTOR CO., INC.
  14. Align the clearance (A) between the socket holder (B) and the socket holder retainer (C) with the opening (D) in the shift lever bracket (E), then slide the holder into the bracket with installing the shift cable end (F) over the mounting stud (G) by aligning its square hole (H) with the square fitting (I) at the bottom of the stud. Do not install the shift cable by holding the shift cable guide (J).
    NOTE: When the socket holder is installed in the shift lever bracket, the retainer lock is unhinged and releases the holder retainer lock, then the holder retainer returns under spring force to secure the shift cable.
    Fig 10: Aligning Clearance Between Socket Holder And Socket Holder Retainer
    G07362478Courtesy of AMERICAN HONDA MOTOR CO., INC.
  15. Push the retainer lock (A) fully to lock the socket holder retainer (B), and make sure that the retainer lock fits into the hinged-joint (C). If the retainer lock does not fit with the edge of the hinged-joint, rotate the holder retainer counterclockwise while pushing the retainer lock until it locks.
    Fig 11: Identifying Retainer Lock
    G07362479Courtesy of AMERICAN HONDA MOTOR CO., INC.
  16. Make sure the shift cable end (A) is properly installed on the mounting stud (B).
    • If the cable end is out of position on the mounting stud, remove the shift cable from the shift cable bracket, and reinstall the shift cable. Do not install the shift cable end on the mounting stud while the shift cable is on the shift cable bracket.
    • If the cable end rides on the bottom of the mounting stud, rotate the stud and align the square fitting with the hole.
      Fig 12: Identifying Shift Cable End
      G07362480Courtesy of AMERICAN HONDA MOTOR CO., INC.
  17. Secure the shift cable end with the nut (A).
    Fig 13: Securing Shift Cable End With Nut With Torque Specifications
    G07362481Courtesy of AMERICAN HONDA MOTOR CO., INC.
  18. Remove the 6.0 mm (0.24 in) pin (B) that was installed to hold the shift lever.
  19. Turn the ignition switch to ON (II). Move the shift lever to each position, and check that the A/T gear position indicator follows the transmission range switch.
  20. Shift the shift lever to P, and check that the shift lock works properly. Push the shift lock release, and check that the shift lever releases, and also check that the shift lever locks when it is shifted back to P.
  21. Install the center console (see CENTER CONSOLE REMOVAL/INSTALLATION ).