lemon-mirror:
Home >> Acura >> 2012 >> RL >> Repair and Diagnosis >> Transmission >> Automatic Trans >> Automatic Transmission >> System Description >> Shift Lock System >> Circuit Diagram - PCM A/T Control System

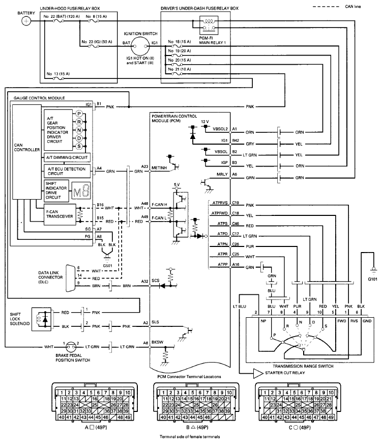
Circuit Diagram - PCM A/T Control System

Fig 1: PCM A/T Control System Circuit Diagram (1 Of 2)
G07362196Courtesy of AMERICAN HONDA MOTOR CO., INC.
Fig 2: PCM A/T Control System Circuit Diagram (2 Of 2)
G07362197Courtesy of AMERICAN HONDA MOTOR CO., INC.