lemon-mirror:
Home >> Acura >> 2012 >> TL Base >> Repair and Diagnosis >> Body & Frame >> Door Locks >> Keyless Access System >> Remote Slot Test/Replacement

Remote Slot Test/Replacement

  1. Remove the column covers (see SIDE DEFOGGER VENT TRIM REMOVAL/INSTALLATION ).
  2. Remove the driver's center trim (see DASHBOARD CENTER TRIM REMOVAL/INSTALLATION ).
  3. Remove the two screws, then pull out the remote slot (A).
    Fig 1: Identifying Remote Slot And 16P Connector
    G08067812Courtesy of AMERICAN HONDA MOTOR CO., INC.
  4. Disconnect the 16P connector (B) from the remote slot.
  5. Check for continuity between the terminals in each slot state according to the table.
    NOTE:
    • Make sure the correct test lead (+ or -) is placed on the terminal.
    • When checking for continuity across the diode, use the diode setting on the digital volt/ohm meter to check the diode bias.
    • Be careful of this characteristic; a diode is one that conducts fully in one direction (forward) and not at all in the opposite direction (reverse).
      Fig 2: Identifying Continuity Reference Chart For Terminals In Slot State
      G08067813Courtesy of AMERICAN HONDA MOTOR CO., INC.
  6. If the continuity is not as specified, replace the remote slot.
  7. Insert the remote into the remote slot.
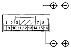
  8. Connect the positive battery terminal to remote slot connector terminal No. 16, and the negative battery terminal to terminal No. 8. Check that the remote cannot be removed from the remote slot. Connect the positive battery terminal to remote slot connector terminal No. 8, and the negative battery terminal to terminal No. 16. Check that the remote can be removed from the remote slot.
    Fig 3: Connecting Positive Battery Terminal To Remote Slot Connector Terminal No. 16 And Negative Battery Terminal To Terminal No. 8 And Vice- Versa
    G08067814Courtesy of AMERICAN HONDA MOTOR CO., INC.
  9. If the remote interlock solenoid works improperly, replace the remote slot.
  10. Install the remote slot in the reverse order of removal.