lemon-mirror:
Home >> Acura >> 2012 >> TL Base >> Repair and Diagnosis >> Body & Frame >> Windows >> Power Windows >> Circuit Diagram

Circuit Diagram

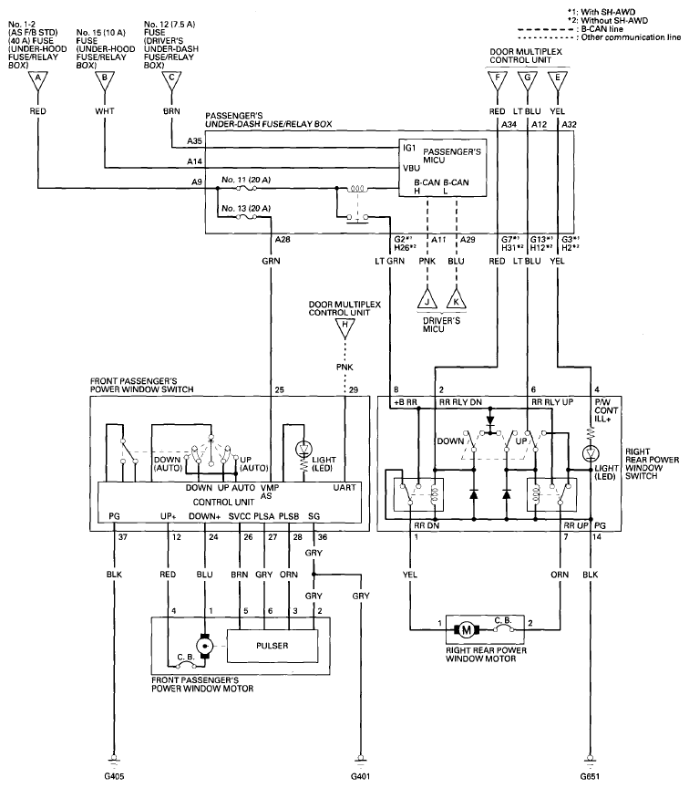
Fig 1: Power Window - Circuit Diagram (1 Of 3)
G08071450Courtesy of AMERICAN HONDA MOTOR CO., INC.
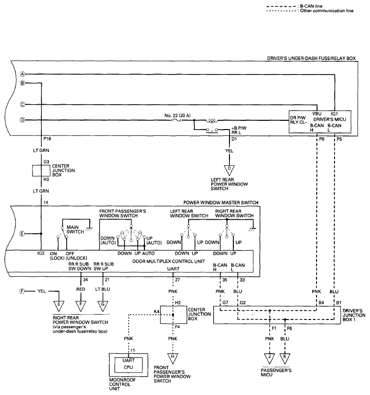
Fig 2: Power Window - Circuit Diagram (2 Of 3)
G08071451Courtesy of AMERICAN HONDA MOTOR CO., INC.
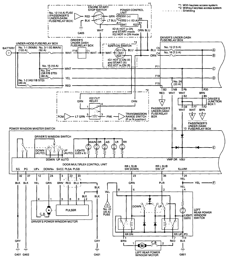
Fig 3: Power Window - Circuit Diagram (3 Of 3)
G08071452Courtesy of AMERICAN HONDA MOTOR CO., INC.