lemon-mirror:
Home >> Acura >> 2012 >> TL Base >> Repair and Diagnosis >> Brakes >> Traction Control >> VSA System Components >> Circuit Diagram >> With SH-AWD

With SH-AWD

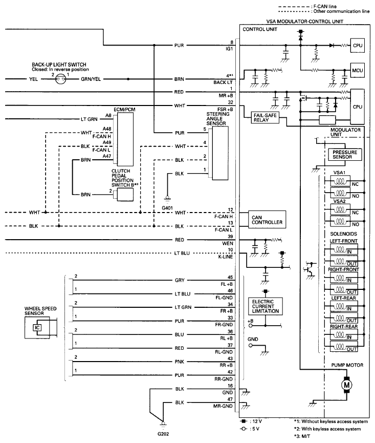
Fig 1: VSA System (With SH-AWD) - Circuit Diagram (1 Of 2)
G08067155Courtesy of AMERICAN HONDA MOTOR CO., INC.
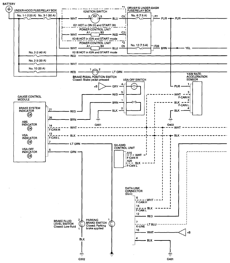
Fig 2: VSA System (With SH-AWD) - Circuit Diagram (2 Of 2)
G08067156Courtesy of AMERICAN HONDA MOTOR CO., INC.
Fig 3: VSA System P (20P), 4P (BPP), 3P, 32P, 4P (YAW), 5P (VSA OFF), 1P, 2P (WSS), 2P (BFL), 2P (Back-Up Light Switch), 47P, 5P (SAS), A (20P) (With SH-AWD), A (49P) & DLC Connector End Views
G08067157Courtesy of AMERICAN HONDA MOTOR CO., INC.