lemon-mirror:
Home >> Acura >> 2012 >> TL Base >> Repair and Diagnosis >> Electrical >> Charging Systems >> Charging System >> Circuit Diagram >> With Keyless Access System

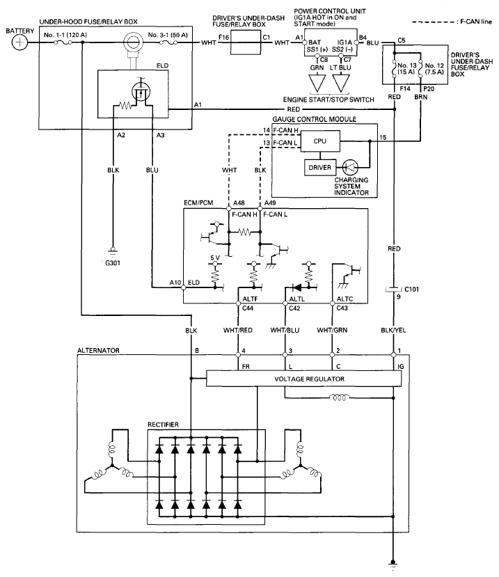
With Keyless Access System

Fig 1: Charging System - Circuit Diagram (With Keyless Access System)
G08068585Courtesy of AMERICAN HONDA MOTOR CO., INC.