lemon-mirror:
Home >> Acura >> 2012 >> TL Base >> Repair and Diagnosis >> Engine Performance >> System >> Fuel And Emissions Systems >> System Description >> ECM/PCM Circuit Diagram

ECM/PCM Circuit Diagram

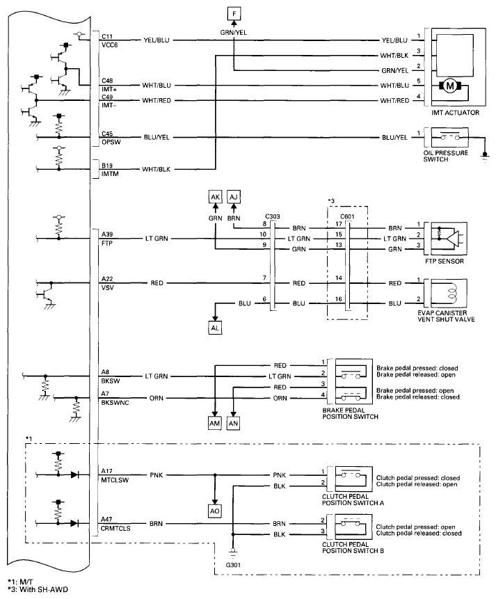
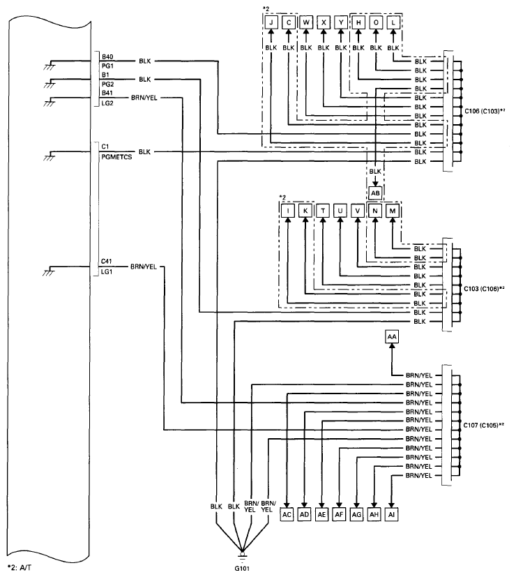
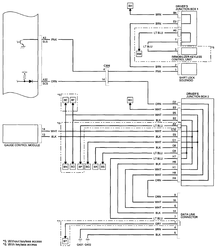
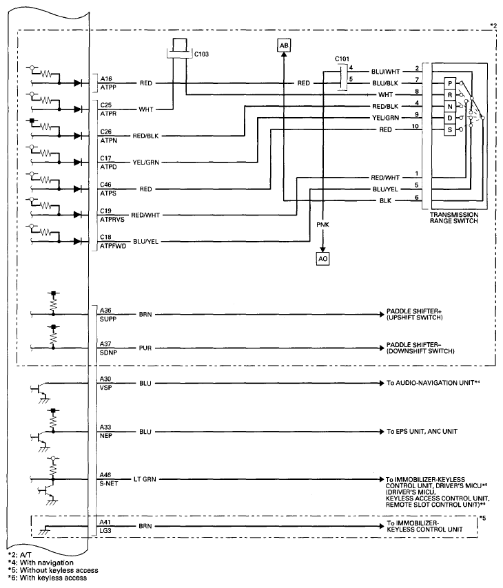
Fig 1: ECM/PCM - Circuit Diagram (1 Of 18)
G08069286Courtesy of AMERICAN HONDA MOTOR CO., INC.
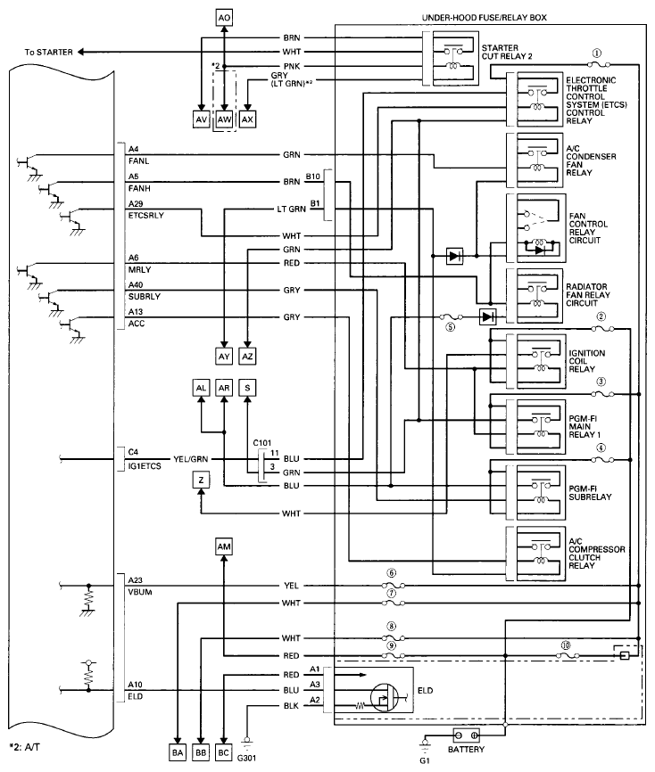
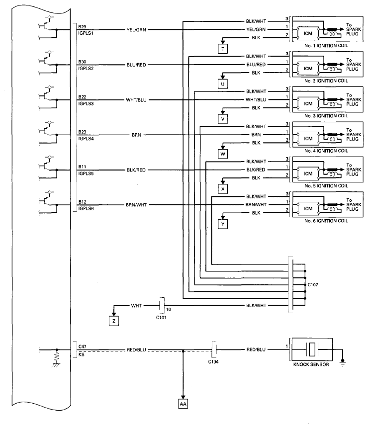
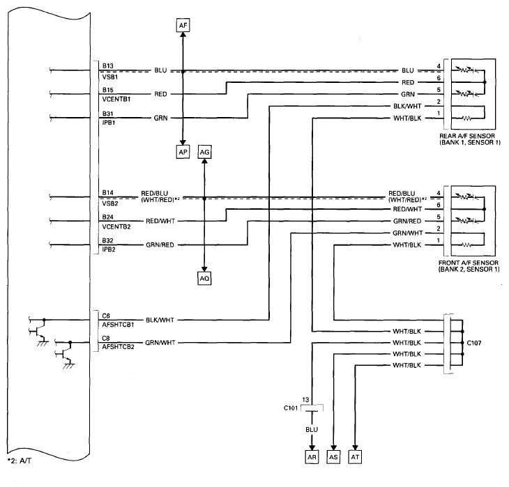
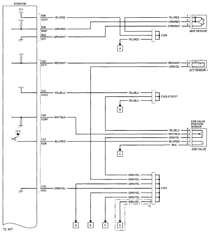
Fig 2: ECM/PCM - Circuit Diagram (2 Of 18)
G08069287Courtesy of AMERICAN HONDA MOTOR CO., INC.
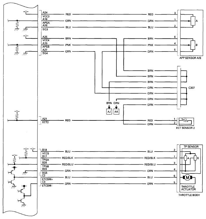
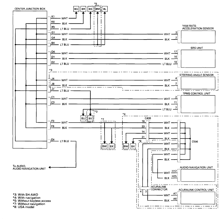
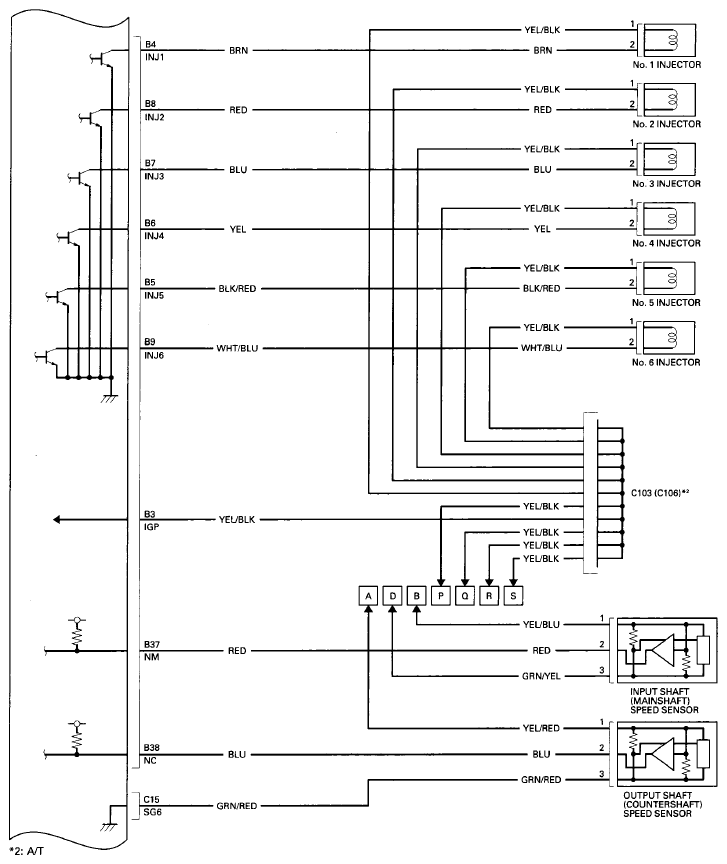
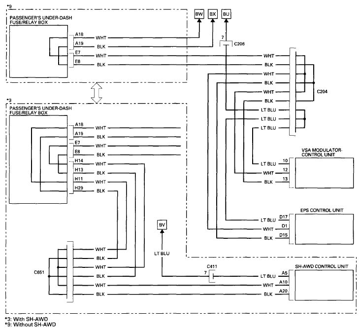
Fig 3: ECM/PCM - Circuit Diagram (3 Of 18)
G08069288Courtesy of AMERICAN HONDA MOTOR CO., INC.
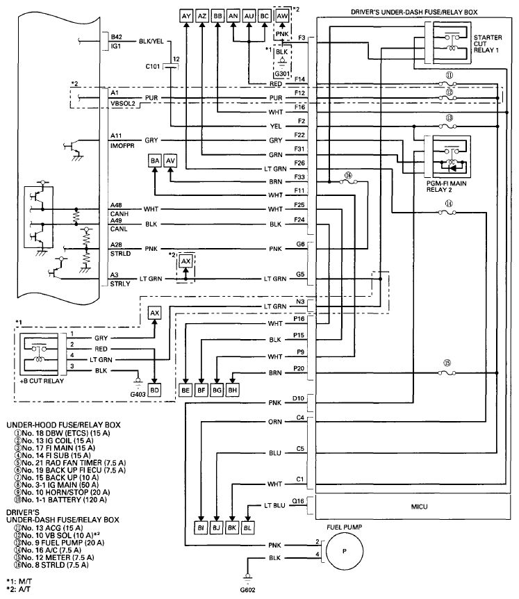
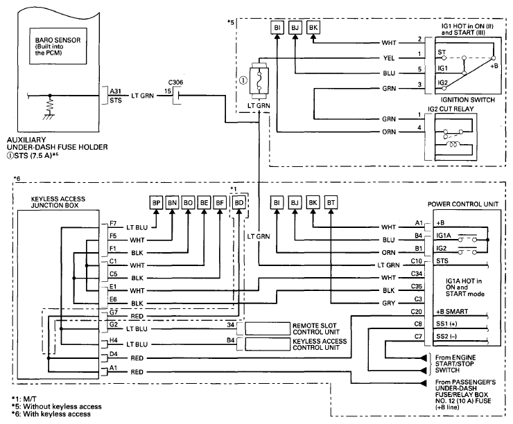
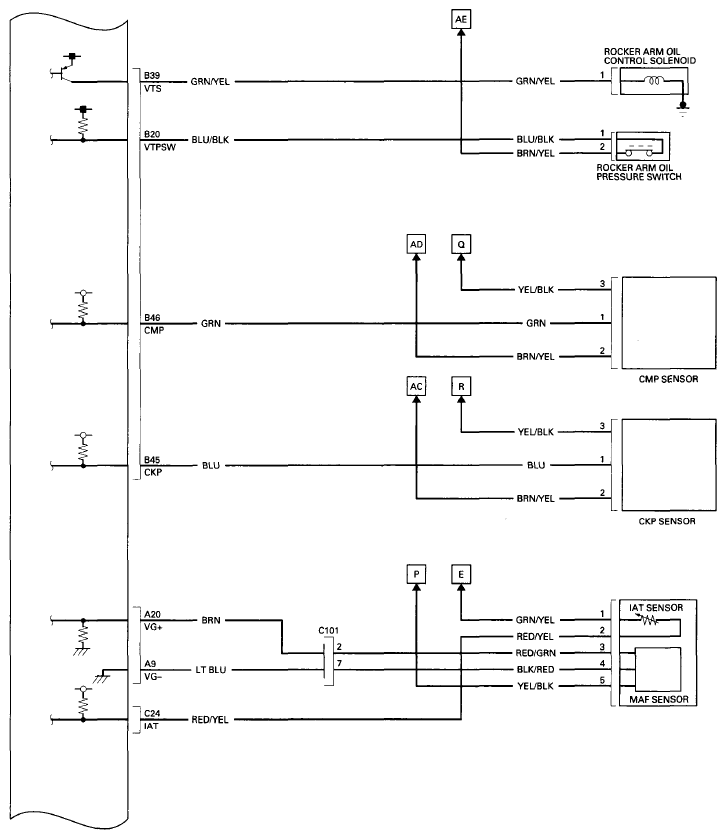
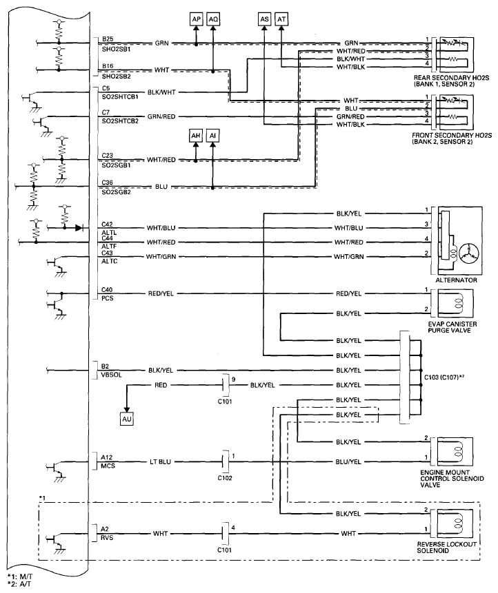
Fig 4: ECM/PCM - Circuit Diagram (4 Of 18)
G08069289Courtesy of AMERICAN HONDA MOTOR CO., INC.
Fig 5: ECM/PCM - Circuit Diagram (5 Of 18)
G08069290Courtesy of AMERICAN HONDA MOTOR CO., INC.
Fig 6: ECM/PCM - Circuit Diagram (6 Of 18)
G08069291Courtesy of AMERICAN HONDA MOTOR CO., INC.
Fig 7: ECM/PCM - Circuit Diagram (7 Of 18)
G08069292Courtesy of AMERICAN HONDA MOTOR CO., INC.
Fig 8: ECM/PCM - Circuit Diagram (8 Of 18)
G08069293Courtesy of AMERICAN HONDA MOTOR CO., INC.
Fig 9: ECM/PCM - Circuit Diagram (9 Of 18)
G08069294Courtesy of AMERICAN HONDA MOTOR CO., INC.
Fig 10: ECM/PCM - Circuit Diagram (10 Of 18)
G08069295Courtesy of AMERICAN HONDA MOTOR CO., INC.
Fig 11: ECM/PCM - Circuit Diagram (11 Of 18)
G08069296Courtesy of AMERICAN HONDA MOTOR CO., INC.
Fig 12: ECM/PCM - Circuit Diagram (12 Of 18)
G08069297Courtesy of AMERICAN HONDA MOTOR CO., INC.
Fig 13: ECM/PCM - Circuit Diagram (13 Of 18)
G08069298Courtesy of AMERICAN HONDA MOTOR CO., INC.
Fig 14: ECM/PCM - Circuit Diagram (14 Of 18)
G08069299Courtesy of AMERICAN HONDA MOTOR CO., INC.
Fig 15: ECM/PCM - Circuit Diagram (15 Of 18)
G08069300Courtesy of AMERICAN HONDA MOTOR CO., INC.
Fig 16: ECM/PCM - Circuit Diagram (16 Of 18)
G08069301Courtesy of AMERICAN HONDA MOTOR CO., INC.
Fig 17: ECM/PCM - Circuit Diagram (17 Of 18)
G08069302Courtesy of AMERICAN HONDA MOTOR CO., INC.
Fig 18: ECM/PCM - Circuit Diagram (18 Of 18)
G08069303Courtesy of AMERICAN HONDA MOTOR CO., INC.