lemon-mirror:
Home >> Acura >> 2012 >> TL Base >> Repair and Diagnosis >> Transmission >> Automatic Trans >> Automatic Transmission >> Circuit Diagram

Circuit Diagram

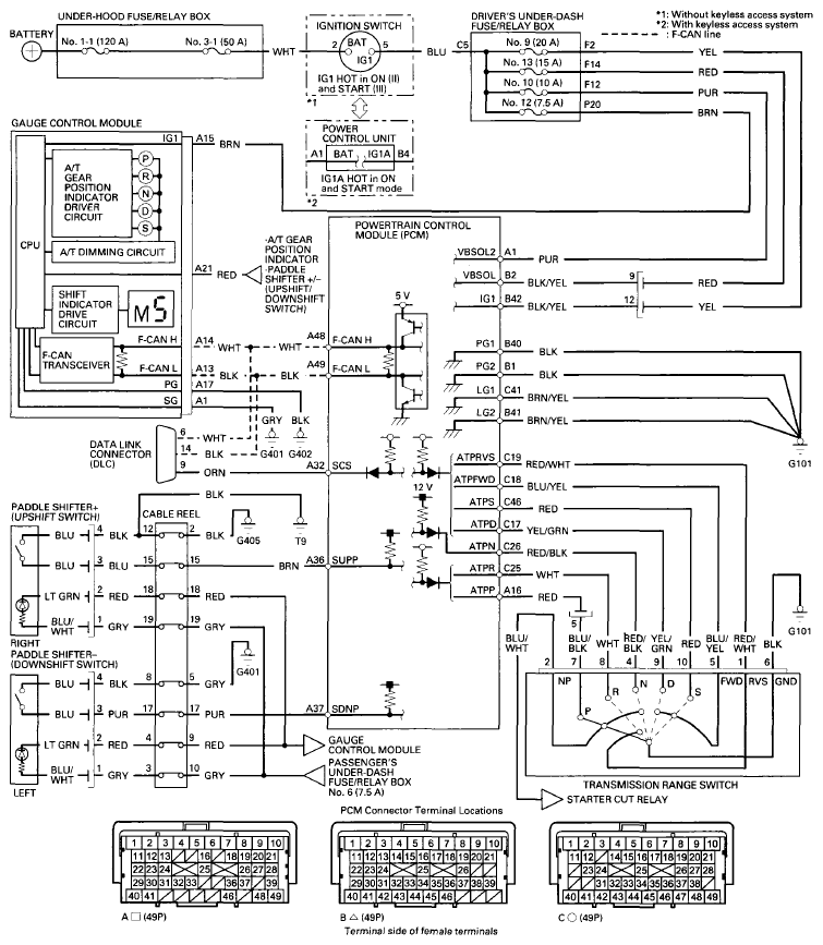
Fig 1: A/T Gear Position Indicator - Circuit Diagram
G08066626Courtesy of AMERICAN HONDA MOTOR CO., INC.


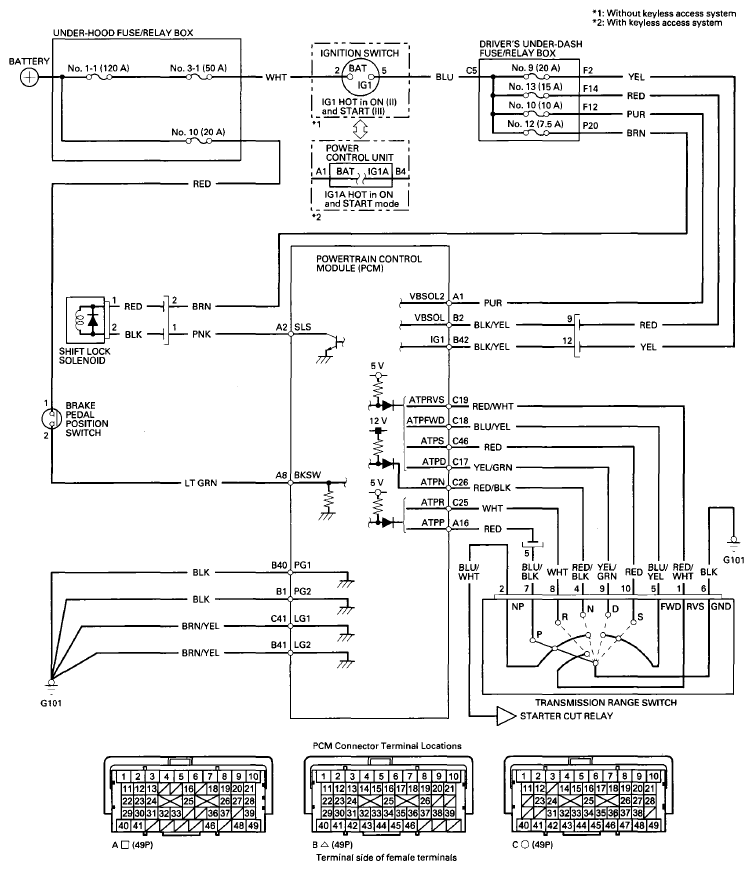
Fig 1: A/T Inter Lock System - Circuit Diagram
G08066659Courtesy of AMERICAN HONDA MOTOR CO., INC.