lemon-mirror:
Home >> Acura >> 2012 >> TL Base >> Repair and Diagnosis >> Transmission >> Automatic Trans >> Automatic Transmission >> System Description >> Hydraulic Flow >> Reverse Inhibitor Control

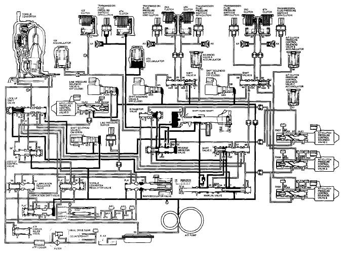
Reverse Inhibitor Control

When R is selected while the vehicle is moving forward at speeds over 6 mph (10 km/h), the PCM commands shift solenoid valve C to remain OFF so that shift solenoid valve C pressure (SC) is not applied to the reverse inhibitor valve. Line pressure (3) stops at the reverse inhibitor valve, and is not applied to the shift fork shaft. This control does not switch to the hydraulic circuit leading to reverse while the vehicle is moving forward at speeds over 6 mph (10 km/h).

NOTE: When used, "left" or "right" indicates direction on the hydraulic circuit.
Fig 1: Automatic Transmission Power Flow Diagram (Driving In R)
G08066338Courtesy of AMERICAN HONDA MOTOR CO., INC.