lemon-mirror:
Home >> Acura >> 2012 >> ZDX >> Repair and Diagnosis >> Body & Frame >> Windows >> Power Windows >> Circuit Diagram

Circuit Diagram

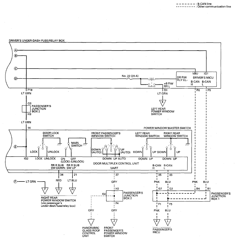
Fig 1: Power Windows Circuit Diagram (1 Of 3)
G08076854Courtesy of AMERICAN HONDA MOTOR CO., INC.
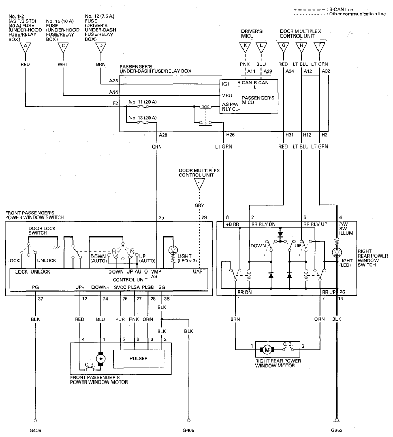
Fig 2: Power Windows Circuit Diagram (2 Of 3)
G08076855Courtesy of AMERICAN HONDA MOTOR CO., INC.
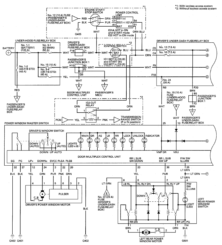
Fig 3: Power Windows Circuit Diagram (3 Of 3)
G08076856Courtesy of AMERICAN HONDA MOTOR CO., INC.