lemon-mirror:
Home >> Acura >> 2012 >> ZDX >> Repair and Diagnosis >> Electrical >> Charging Systems >> Charging System >> Circuit Diagram >> Without Keyless Access System

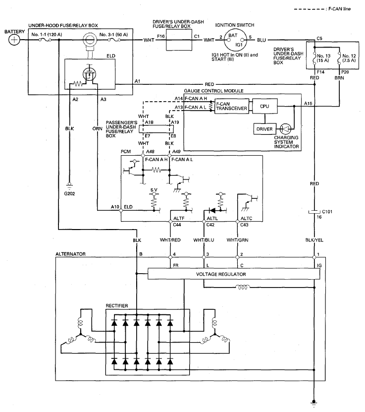
Without Keyless Access System

Fig 1: Charging System Circuit Diagram - Without Keyless Access System
G08074376Courtesy of AMERICAN HONDA MOTOR CO., INC.