lemon-mirror:
Home >> Acura >> 2012 >> ZDX >> Repair and Diagnosis >> Engine Mechanical >> Mechanical >> Engine Block >> Component Location Index

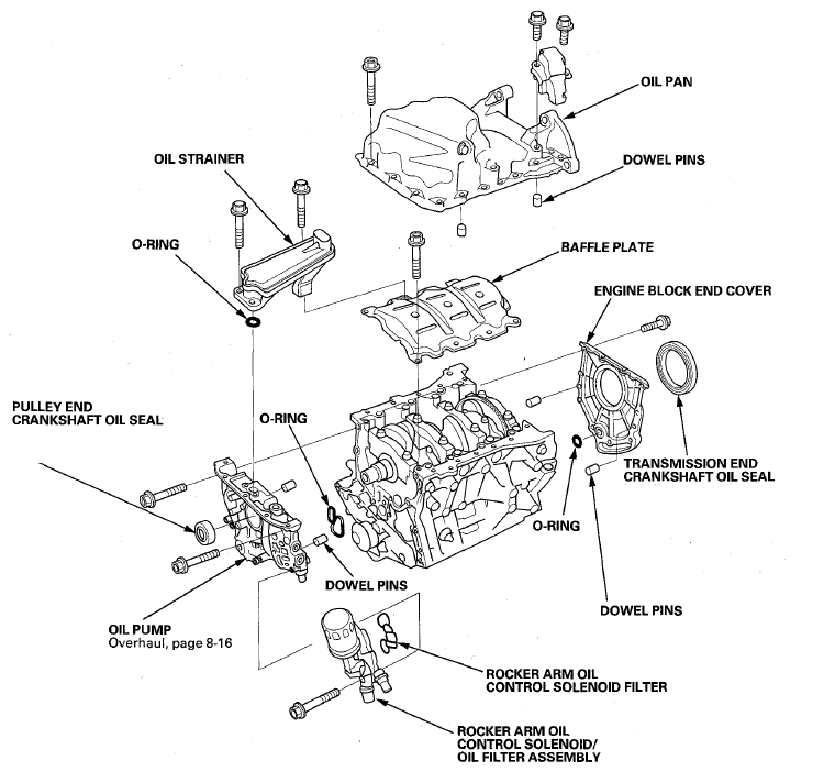
Component Location Index

Fig 1: Identifying Engine Block Component Location (1 Of 3)
G08075251Courtesy of AMERICAN HONDA MOTOR CO., INC.
Fig 2: Identifying Engine Block Component Location (2 Of 3)
G08075252Courtesy of AMERICAN HONDA MOTOR CO., INC.
Fig 3: Identifying Engine Block Component Location (3 Of 3)
G08075253Courtesy of AMERICAN HONDA MOTOR CO., INC.