lemon-mirror:
Home >> Acura >> 2012 >> ZDX >> Repair and Diagnosis >> Engine Performance >> System >> Fuel And Emissions Systems >> System Description >> Communication Systems Circuit Diagram

Communication Systems Circuit Diagram

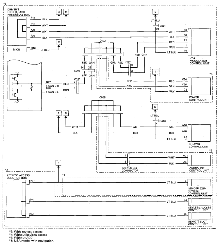
Fig 1: Communication Systems Circuit Diagram (1 Of 4)
G08075465Courtesy of AMERICAN HONDA MOTOR CO., INC.
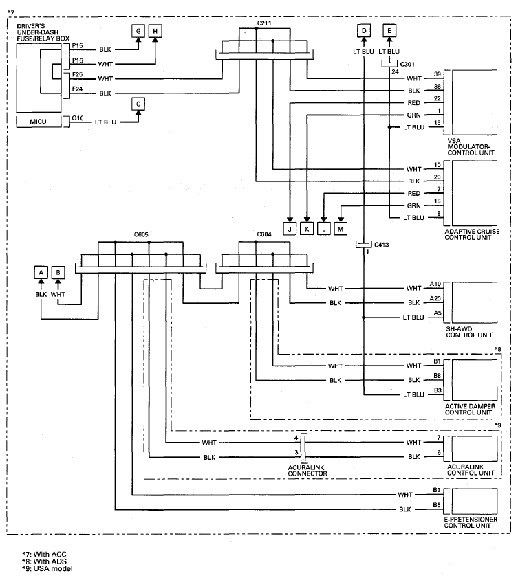
Fig 2: Communication Systems Circuit Diagram (2 Of 4)
G08075466Courtesy of AMERICAN HONDA MOTOR CO., INC.
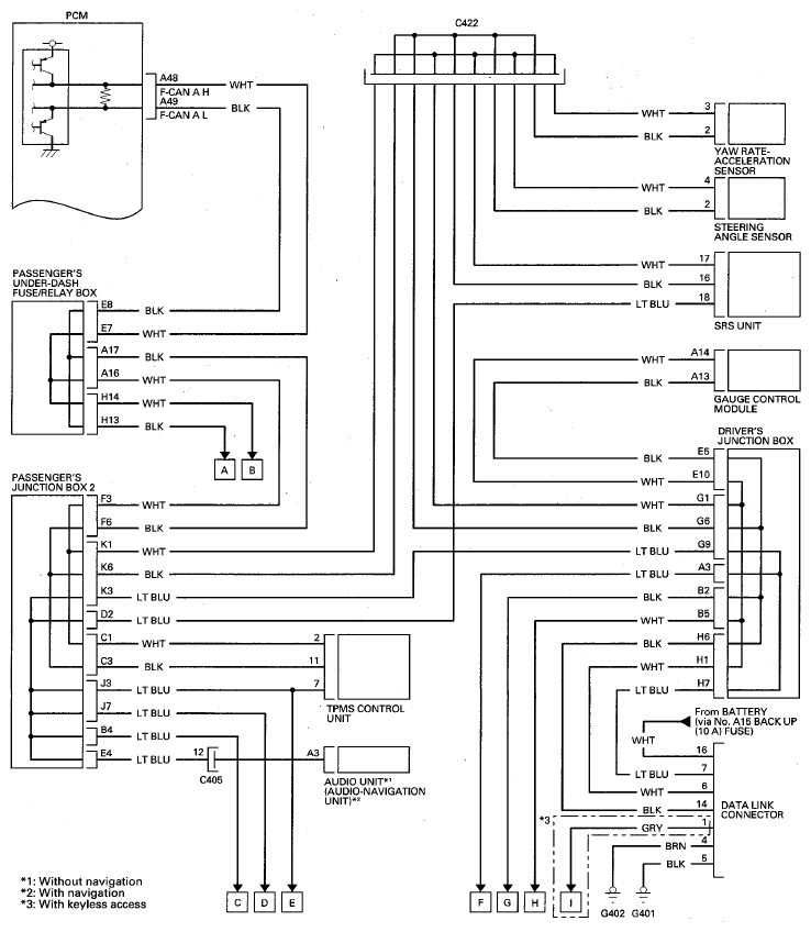
Fig 3: Communication Systems Circuit Diagram (3 Of 4)
G08075467Courtesy of AMERICAN HONDA MOTOR CO., INC.
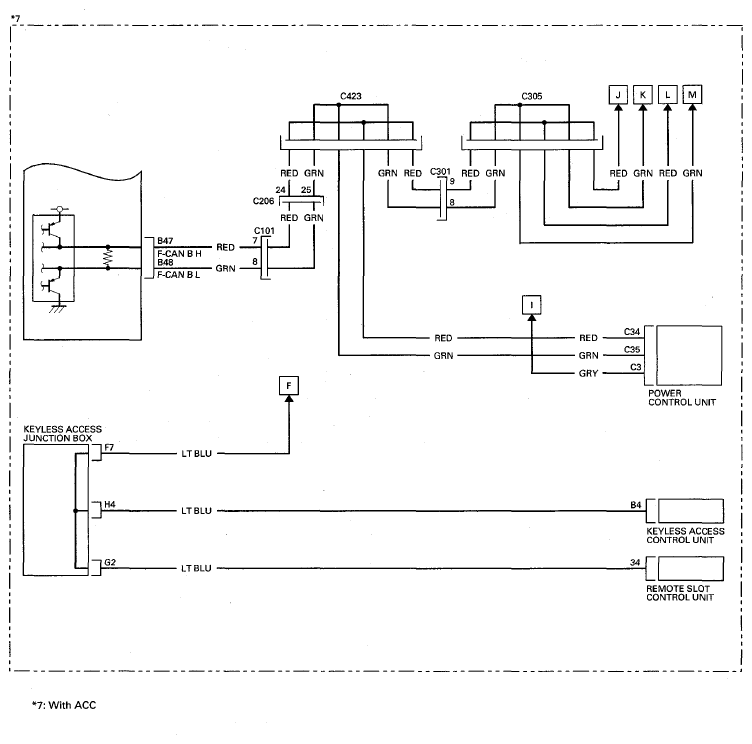
Fig 4: Communication Systems Circuit Diagram (4 Of 4)
G08075468Courtesy of AMERICAN HONDA MOTOR CO., INC.