lemon-mirror:
Home >> Acura >> 2012 >> ZDX >> Repair and Diagnosis >> Engine Performance >> System >> Fuel And Emissions Systems >> System Description >> Electronic Throttle Control System Diagram

Electronic Throttle Control System Diagram

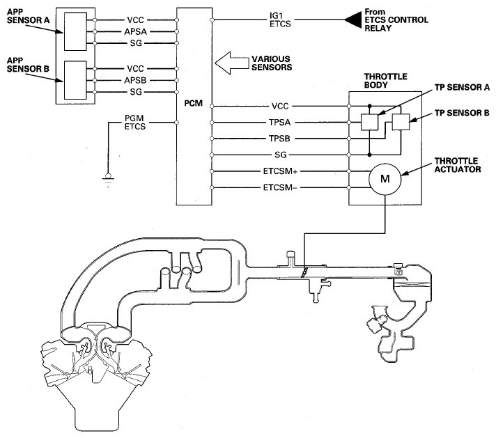
The electronic throttle control system consists of the throttle actuator, throttle position (TP) sensor A/B, accelerator pedal position (APP) sensor A/B, the electronic throttle control system (ETCS) control relay, and the PCM.

Fig 1: Electronic Throttle Control System Diagram
G08075482Courtesy of AMERICAN HONDA MOTOR CO., INC.