lemon-mirror:
Home >> Acura >> 2014 >> TL Base >> Repair and Diagnosis >> Transmission >> Automatic Trans >> Automatic Transmission >> System Description >> Shift Lock System

Shift Lock System

The shift lock system prevents the shift lever from moving unless certain conditions are met. The shift lock solenoid is normally OFF. After starting the engine in P, the shift lever cannot move to any other position because the shift lock stop stops the lock pin. When the brake pedal is pressed and the accelerator pedal is not pressed, the PCM commands the shift lock solenoid is ON; the shift lock solenoid plunger pulls the shift lock stop to release the lock pin. Pressing the shift lever button allows the shift lever to move to any other position. When the brake pedal and the accelerator pedal are pressed at the same time, the PCM does not command the solenoid ON and the shift lock system remains locked.

Fig 1: Identifying Shift Lock Solenoid
G08066341Courtesy of AMERICAN HONDA MOTOR CO., INC.

When the shift lock system does not operate due to mechanical or electrical problem, you can unlock the shift lock temporarily by inserting the ignition key into the shift lock release hole and pressing the shift lock release. When the shift lock release is pressed, the shift lock stop releases the lock pin, and the shift lever can move to any other position.

Fig 2: Identifying Shift Lock System
G08066342Courtesy of AMERICAN HONDA MOTOR CO., INC.
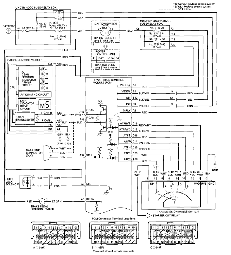
Fig 3: Automatic Transmission System - Circuit Diagram (1 Of 2)
G08066343Courtesy of AMERICAN HONDA MOTOR CO., INC.
Fig 4: Automatic Transmission System - Circuit Diagram (2 Of 2)
G08066344Courtesy of AMERICAN HONDA MOTOR CO., INC.