lemon-mirror:
Home >> American Motors >> 1978 >> Gremlin Base, Automatic Trans >> Repair and Diagnosis >> Electrical >> Body Electrical >> Speed Control Systems -- Automatic >> Testing >> Control Switch Continuity

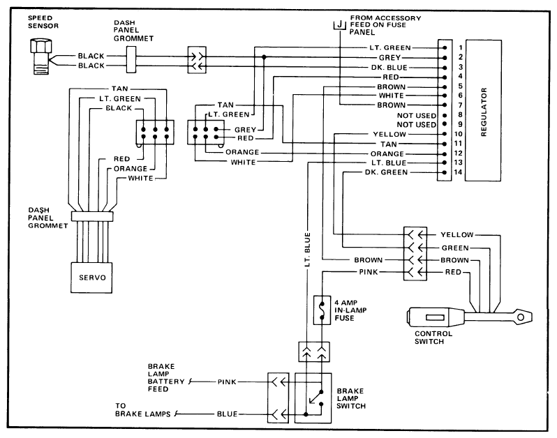
Control Switch Continuity

Using a 12-volt test lamp with 12-volt feed applied to the RED terminal of the control switch, check control switch continuity.

CONTROL SWITCH CONTINUITY CONDITIONS

Application Switch Position Condition
Red-to-Brown "OFF" Open
Red-to-Green "OFF" Open
Red-to-Yellow "OFF" Open
Red-to-Brown "ON" Closed
Red-to-Green "ON" Closed
Red-to-Yellow "ON" Open
Red-to-Brown "RES" Closed
Red-to-Green "RES" Closed
Red-to-Yellow "RES" Closed
Red-to-Brown "ON"(1) Closed
Red-to-Green "ON"(1) Open
Red-to-Yellow "ON"(1) Closed
(1) Pushbutton depressed.
Fig 1: Cruise Command Schematic
G09347149Courtesy of AMERICAN MOTORS/RENAULT CORP.