lemon-mirror:
Home >> American Motors >> 1980 >> AMX Automatic Trans >> Repair and Diagnosis >> Electrical >> Body Electrical >> Speed Control Systems - Automatic >> Testing >> Circuitry Tests >> Notes

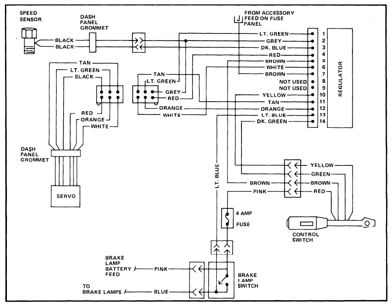
Circuitry Tests: Notes

Using test lamp, check following terminals of regulator connector. See Figure. Verify each terminal is installed in correct location.