lemon-mirror:
Home >> Audi >> 1987 >> 5000 CS, Automatic >> Repair and Diagnosis >> Engine Performance >> System >> BOSCH Cis-E III System >> Testing >> Hall Sender

Hall Sender

  1. Disconnect coil wire from distributor cap. Using a jumper wire, ground the coil wire. Disconnect hall sender-to-ICU harness connector.
  2. Connect multimeter between terminals No. 1 and No. 3 of connector "D". See Fig 1 . Turn ignition to "ON" position. Reading should be at least 9 volts. If not to specification, repair break in wiring. Turn ignition off.
  3. If step 2) tests satisfactory, push back rubber boot on hall sender connector. Connect multimeter between terminals No. 1 and No. 2. Reconnect hall sender-to-ICU harness connector.
  4. Turn ignition to "ON" position. Remove ignition distributor cap, rotor and dust cap. DO NOT allow spring clips to fall inward toward trigger wheel.
  5. Using Wrench (2079 ), turn crankshaft until trigger wheel is clear of hall sender. Multimeter should read a minimum of 4 volts. Turn crankshaft until trigger window is aligned with hall sender.
  6. Reading should be between .0-.5 volts. Turn ignition off. If reading was not to specification, replace hall sender. If reading was correct, check wiring between hall sender connector and ICU.
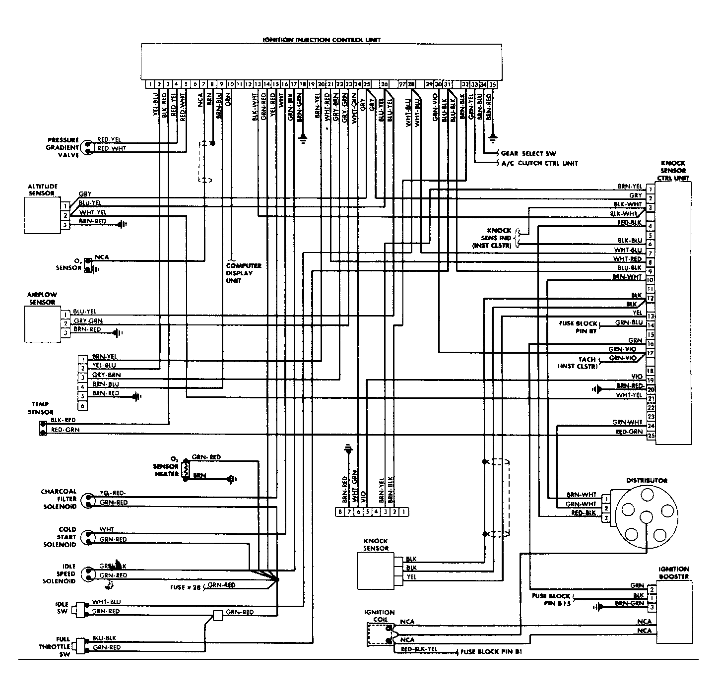
  7. Remove ICU cover from left side kick panel. Disconnect harness connector from ICU and Connector "D" from distributor. Check for continuity between distributor connector pins and appropriate 25-pin ICU connector pins. For correct pin-to-pin reference, see Fig 1 and Fig 2 Also see WIRING DIAGRAMS  .
  8. If hall sender and wiring between connector "D" and the ICU connector tested satisfactory, replace ICU.
Fig 1: Hall Sender Connector "D"
G50J04880Courtesy of AUDI OF AMERICA, INC.
Fig 2: Audi Coupe GT 2.3L CIS-E III Wiring Diagram
G61297Courtesy of AUDI OF AMERICA, INC.
Fig 3: ICU 25-Pin Harness Connector
G50B04881Courtesy of AUDI OF AMERICA, INC.